为了使五频道电子管电视机能够接收12频道的电视节目,必须进行改装。本文介绍在尽可能少更改原有线路的情况下如何将12频道晶体管高频头用在五频道电视机上的方法。要使原有的中频通道与12频道的晶体管高频头相配合,需要解决以下三个问题。
一、增益控制的问题

大家知道,原有的五频道电子管电视机的高频头和中放通道的增益,是采用负压控制的。这个负压在-0.8伏~-8伏之间,用对比度电位器来调节。而晶体管高频头的增益是采用正向电压(+2~4伏,少数也有+2.5~5伏)来控制的。此两种电压极性不同,相位也不同。如图1所示,增益最低时,电子管通道控制电压为-8伏,而晶体管高频头控制电压为+4伏。因此,原有对比度电位器就无法同时控制两种电压。当然,晶体管高频头也可采用固定控制电压,如图2所示,将12伏电源,经R\(_{1}\)和R2分压后,取得+2伏电压,使晶体管高放级增益最大。但是,由于电子管电视机通道的增益只在中放的第一级控制,如果高频头增益固定,增益仅有一级中放控制,这样就使对比度控制范围从40~50dB下降至20~30dB,使控制范围减小。同时,对于晶体管高频头的混频级来说,如果高频信号电平超过本振注入电压,就会使混频器工作失常,造成信号阻塞。晶体管高频头本振电压远比电子管高频头本振电压低,约为100~300毫伏,所以,对晶体管高频头更有必要进行增益控制,否则,将使电视机的应用距离受到限制。下面我们介绍几种同时能控制晶体管高频头和电子管通道的增益控制电路,以便读者能根据具体情况来选择。
1.双联电位器式增益控制电路

如图3所示。对比度控制是采用双联电位器来控制的。此电路能获得相位相反变化的两种电压。二极管D起延迟作用,它使高频头控制电压延迟一定时间后起控。所谓延迟作用,就是当输入信号加强时,先使中频通道增益开始下降,下降一定程度时,再使高频头增益下降。如果高频头的增益过早地下降,会使混频级的高频信号电平过低,从而降低接收机的信噪比,使噪声干扰增大。通常中放增益下降至20dB左右时,再使高频头增益同时下降,这样最合适。对于三级中放的通道来说,当负压在-4伏左右时,中放增益下降20dB。因此,在图3所示电路中,当W\(_{1}\)、W2置于中点以下时,D不导通,A点电压由R\(_{4}\)、R5分压,取得+2伏,此时B点电压在-4伏以下。当电位器中端继续向上移动时,使D导通,A点电压逐渐增大,B点电位也变得更负,这样起到了延迟作用。为了简化电路,一般五频道电视机不采用延迟式增益控制,现在加上延迟式控制后,使整机性能有所改善。调整的方法是:把电位器置于下端时,调整R\(_{4}\),使A点电压为高频头控制电压的下限值,然后置于上端,调整R1,使A点电压达到上限值。W\(_{1}\)、W2也可用其它阻值的双联电位器代替,但W\(_{1}\)不能过大,如过大,R5也相应增大,使A点电位稳定性变坏,也不能过小,否则使流过电位器的电流大,影响电位器的使用寿命,一般在1~20K之间选取。W\(_{1}\)改变之后,R1、R\(_{2}\)、R4、R\(_{5}\)应同时按比例增减。因为不易购到完全符合设计阻值的双联电位器,所以,在满足W1的前提下,W\(_{2}\)可在1K~2MΩ之间选取,但需要更换R3, R\(_{3}\)的作用是使分压获得-0.8伏的起始负压,其阻值应为W2的十分之一。如果能购到一组W\(_{1}\)在1~20KΩ之间,W2在680KΩ左右的双联电位器,那么可不增加-8伏电源,可直接用原电视机的增益控制负压。
2.电位器倒相式增益控制电路

如图4所示,利用电位器W中点供电,使两端电位相反变化,从而获得倒相作用。负压电源利用原电视机行输出管的栅极负压。C点电位由R\(_{4}\)和W分压获得约+2伏~+12伏,此点电位相对变化量为10伏左右。-22伏电压经高阻电阻R5、R\(_{6}\)分压后与C点电位共同作用,使B点获得-0.8~-7伏的电压。为了防止在行扫描电路发生故障失去负压时使中放管和行输出管损坏,所以接入二极管D1。当B点电位为正时,D\(_{1}\)导通,使流经R5的正向电流不能加到中放和行输出管栅极上去。D\(_{1}\)可选用反向电阻较大的二极管。R6、C\(_{2}\)应紧靠在行输出管附近,防止引线太长造成行频辐射。
3.晶体管倒相式增益控制电路

图5是利用晶体管作倒相, 二极管D\(_{1}\)作延迟的增益控制电路。高频头控制电压由A点引出。左半部分的工作原理与图3左半部分完全相同,而B点的电压控制部分与图4基本相似。不同的是由晶体管代替电位器作例相。当W置于下端时,晶体管处于起始导通,R4的作用是得到起始导通电压,此时,集电极电流很小,在0.1mA以下,使C点电压接近于12伏。随着W向上移动,集电极电流逐渐增大,使R\(_{6}\)上的压降增大,C点电位逐渐下降,当W旋至上端时,此时晶体管处于饱和状态,使C点电位降至0.6伏以下。这样C点就获得了0.6伏~12伏的电压。晶体管BG可选用3DG系列的小功率管。因为晶体管的β值不同,晶体管饱和所需的偏流也不同,所以要用R5作调整。由于不同的行输出管栅负压略有差别,B点的电压变化范围由R\(_{8}\)调整。调整时,将W置于下端,调整R8,在B点得到-0.8伏电压就可以了,-8伏不需要调整。此电路A、B两点电压变化曲线,如图6所示。曲线的线性好,增益控制均匀。

4.阴极放大式增益控制电路
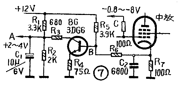
少数电视机原先具有自动增益控制(AGC)电路,也可按照上述方法改为手控增益。但是,为了能够保留原有通道的自动增益控制,现介绍一种能与电子管AGC电路相适应的阴极放大式增益控制电路,如图7所示。该电路是利用第一中放电子管阴极电位的变化,来控制晶体管集电极电压的变化,从而达到控制高频头增益的目的。晶体管BG处于导通和深度饱和之间的工作状态。当导通时,流经电阻R\(_{1}\)的电流,由R2和R\(_{3}\)、晶体管、R4支路分流,在A点获得+4伏的电压。当深度饱和时, R\(_{3}\)、晶体管、R4支路的电流增加,使A点电位降至+2伏。此电路还有延迟作用,当信号较弱时,电子管AGC处于起始负压-0.8伏,故中放阴极电位增高,从而使B点电位增高,放大管BG处于深度饱和状态,集电极电流大,A点电位保持在+2伏;当信号逐渐增强时,电子管AGC负压增高,增高至-4伏时,中放阴极电位下降到一定值,此时放大管BG从饱和区进入放大区,集电极电流开始减小,使A点电位逐渐升高,高频头增益开始下降。直到电子管AGC电压达到-8伏时,中放管阴极电流减至最小(阴极电位也最小),此时放大管BG集电极电流为最小值,使A点电压达到+4伏。电路中A、B、C各点电压变化曲线如图8所示。晶体管BG除3DG6外,其它3DG型号的管子也可选用,但β值不宜过小,一般在80~150之间。电路调整如下:在中放管栅极上输入-8伏电压,调整R1,使A点电位为+4伏。减小负压至-0.8伏,调整R\(_{3}\),使A点电位为+2伏。然后,再将中放管栅极上的电压由-8伏逐渐变化到-4伏,A点电位也应逐渐下降至+2伏,使放大管BG进入饱和区,如果A点电位高于+2伏,则应减小R5。反之,如果A点电位提前下降至+2伏,说明延迟过多,应增大R\(_{5}\)的阻值。上述调整应反复进行,直到A点的延迟点电压和上下限电压均能同时符合要求为止。


二、中放输入的匹配问题
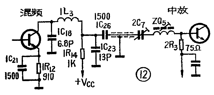
中放输入电路与高频头混频级输出电路相连,调谐于中频频率上。虽然混频级屏极回路(或集电极回路),从结构上来说是放在高频头里,实际上属于中频放大器的一部分,它和中放输入电路一起构成一定的通带特性。首先来看一下常见的电子管混频器和中放之间的耦合回路。图9(a)是北京牌825-1型电视机的耦合电路简化图,混频器的屏极回路L\(_{7}\)和分布电容C0调谐在30~32MH\(_{z}\)上,呈现单峰特性;中放输入回路L11和电缆电容C\(_{i}\)利G3的输入电容C\(_{g}\)组成一个π式网络,谐振在34、25MHz上,同样具有单峰特性。这两个回路合起来组成一个具有双峰特性的带通滤波器,如图 9(b)所示。图10是上海牌104-2型电视机耦合电路,L\(_{26}\)和L27处于紧耦合状态下,紧耦合会使频率特性中间出现凹陷,两边各出现一个峰点,耦合越紧,凹陷越深,峰点之间的距离就越宽。在一定的耦合程度下,可得到两个峰点宽度为5.5~7MH\(_{z}\)的中频特性曲线。为了使频率特性中间不致过于凹陷,在中放输入端并接一个比较小的电阻R2(300Ω),以降低回路的Q值,使特性曲线平坦。从以上两种电路可以看出,混频—中放之间的耦合不论其回路形式如何,它们的频率特性必须是具有一定带宽的中频特性,这样图象和伴音信号才能够都通过。这一点和中放各级的参差调谐有所不同,因为,当混频一中放耦合回路的频率特性使某一部分信号频率衰减之后,即使以后各级具有良好的中频特性,也不能使已经衰减了的信号再恢复起来。但是,频率特性也不能过宽,否则将使中频放大器的选择性变差,使增益下降。一般要求在-3dB处,带宽为8MH\(_{z}\)。下面再看一下晶体管高频头混频器输出电路,一般分为双回路和单回路两种。双回路的,采用紧耦合,如上海无线九厂的KP-12型和南京元件七厂的TXQ型等。图11是TXQ型高频头混频器输出电路,它与图10双回路不同的地方是输出采用电容分压,其目的是降低输出阻抗(为75Ω)。单回路的,如凯歌4D4型电视机混频器输出电路,见图12。混频输出回路1L3和1C\(_{18}\)、1C23组成一个π型网络,呈现单峰特性;中频输入端2Q\(_{5}\)和2C7组成一个串联谐振回路。两个回路依靠电容1C\(_{26}\)来耦合,又称为内电容耦合电路。这两个回路的频率特性仍然是双峰特性,与图9(b)相似,所不同的,图9的两个回路是依靠电感L8耦合的。



上面介绍了电子管和晶体管电视机混频—中放的耦合回路,以便研究用不同晶体管高频头混频电路正确地和电子管中放相匹配。下面以北京牌825—1型和上海104—2型两种电视机中放电路为例,介绍如何和晶体管高频头双回路和单回路混频输出电路相连接的问题(以下简称双回路和单回路),其他机型可参照这两种机型进行连接。共分四种形式:
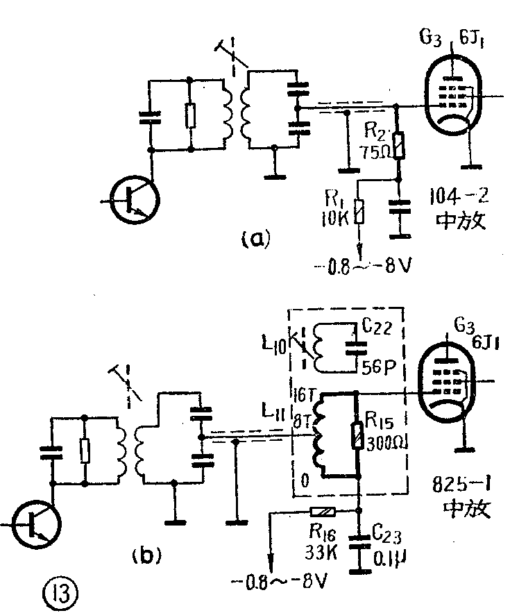
1.图13(a)是双回路和104—2型中放连接的方式。这种方式比较简单,直接将混频输出接到中放管G\(_{3}\)的栅极,但需将原有(R2300Ω)的阻值改为75Ω。调整时,只需将混频磁心调整在图象和伴音都比较好的位置上就行。
2.图13(b)是双回路和825-1型中放连接的方式。由于825-1型电视机的中放原先有一个π型网络的调谐电感L\(_{11}\)(见图 9),另外,与L11同在一个中周屏蔽合内还有吸收回路L\(_{1}\)0、C22,其吸收频率为37MH\(_{z}\)。本来,混频输出为双回路时,L11可以省去不用。但是,为了保持原有中频特性,需要保留吸收回路,可将L\(_{11}\)改为l:2的电感线圈。具体方法,可将原L11线圈拆去,在原来位置上用0.31毫米的漆包线绕16圈,在8圈处抽头。为了使线圈具有宽频带的特性,在新绕线圈上并联了一个R\(_{15}\),其阻值为300Ω,这样使输入端也具有75Ω的输入阻抗。由于L11具有宽频带特性,不必调整频率,可将磁心拿掉。线圈L\(_{1}\)0和磁心不要动,以免引起吸收频率变化。调整方法同1。

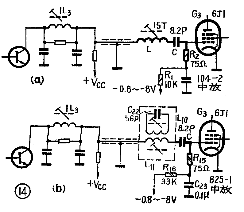
3.图14(a)是单回路和104—2型中放连接的方式。104-2型中放原先无调谐回路,在与晶体管高频头混频单回路耦合时,需要增加一个串联谐振回路,如图中L和C。L用0.31毫米的漆包线在φ9毫米的骨架上密绕15圈,内置高频磁心一个,C的容量为8.2P。将R\(_{2}\)的阻值改为75Ω。调整时,可在接收信号较强的频道进行,调整L的磁心,使图象对比度最大。然后,调整高频头混频输出回路1L3的磁心,使图象的细节部分最清楚,伴音最响。此时对比度有所下降,伴音也可能干扰图象,再转动高频头微调旋钮,寻找到图象清晰,伴音较响但又不干扰图象,也没有场频声的一点。这时,说明本振频率与伴音载频差频后的伴音中频已落在伴音吸收点上。最后,再调整L的磁心,使对比度最强。上述调整可反复多次。在调整时,混频1L\(_{3}\)的磁心容易损坏,应注意。
4.图 14(b)是单回路和825-1型中放连接的方式。825—1型中放输入电路原先是π式网络,现改成串联谐振回路,需增加一个电容C,容量为8.2P。原来的L\(_{11}\)和吸收回路L10都不必变动,将R\(_{15}\)由1K改为75Ω。调整方法同3。

图象中频标准由过去的34.25MH\(_{z}\)改为37MHz,伴音中频标准由过去的27.75MH\(_{z}\)改为30.5MHz,相差 2.75MH\(_{z}\)。近二年来有些产品已经开始使用新的中频频率,因此,在配置高频头时,应注意高频头输出的中频频率要与通道频率相符。五频道电子管电视机除少数机子外,大多数都是采用老中频,所以,高频头也应选配老中频的。如果用新中频的高频头配老中频的通道时,除了混频需调整外,还要将本振频率降低2.75MHz,最好用扫频仪将高频头调整之后再配用。
三、电源问题
晶体管12频道高频头用12伏电源供电,同时上述介绍的增益控制电路也需要12伏或者-8伏电源供电。电子管电视机没有12伏和-8伏电源,重新绕制电源变压器又很麻烦,为此介绍下述几种供电方法。
1.用6.3伏倍压整流获得12伏或-8伏:
图15是利用6.3伏灯丝电源,经倍压整流取得低压直流电压的方法。图(a)经三倍压取得+12伏,输出电流可达25~30毫安。这个直流电压足以供给高频头和增益控制电路使用。此电路采用简单的直接稳压法,由于使用了两级滤波器,滤波效果较好,波纹峰值电压在20毫伏以下。图(b)是获得-8伏电压的电路,电路形式与图(a)相似,只要将二极管、电解电容和稳压管极性倒置一下即可。此电源仅用于增益控制部分,消耗电流在3~5毫安以下,因此升压电容和滤波电容均可用较小容量的,30~100μ之间均可用。

2.直接降压法:
图16是从原电源电压B\(_{+}\)150伏上直接降压取得+12伏。这样虽然增加了150伏的耗电,但对整机来说,由于省去了原先电子管高频头的B+和灯丝耗电,所以总的电源功率并不增加。B\(_{+}\)150伏降压取得+12伏以后,使B+150伏负载增加,为不使150伏电压降低,可在原降压电阻R上再并一只线绕电阻R\(_{1}\),用5~10W的,阻值在2~3.3K间选择。

3.利用行逆程脉冲电压供电:
因为行输出变压器在逆程时,每匝可得到5~8伏的峰值电压,所以,可用一段耐压高的绝缘导线(或75欧同轴电缆心线),在行输出低压包上绕4~5匝,然后加以整流获得直流低压,如图17所示。为了防止行频辐射造成干扰,L应紧靠行输出直接接地,D\(_{1}\)和C1与线圈L的接线也不宜过长。如果输出电压过低,则是线圈L接反,调过来就行。如还需-8伏电压时,可另绕一组相反的线圈,绕3~4匝。电路按图17将D\(_{1}\)、D2和C\(_{2}\)倒过来连接就行,将D2改为ZCW1。(诗卫)