我们在看书、读报、听报告时,经常碰到“逻辑”这个名词。“逻辑”这个词是从外文音译过来的,在不同场合有着不同的含义。我们这里说的“逻辑”,是指按某些规定(或条件)作出一定的推理、判断。例如有三顶帽子,两顶是红的,一顶是白的,那么我们只需看到其中两顶,就可知道剩下一顶帽子是红的还是白的。这个判断就是根据三顶帽子有两项是红的、一顶是白的,而且已经看到了两顶这些条件作出的,我们把这个判断过程就叫做逻辑。又例如,一盏电灯串接三个开关,要使这盏电灯发光,必须这三个开关同时合上才行。三个开关同时合上(条件),电灯发亮(结论),构成逻辑关系。
又例如,要正确地画出一个晶体三极管的符号,必须画好基极、发射极、集电极和表示PNP型或NPN型的箭头。如果有一项未画,人们就会说有差错。概括地说:只有上述全部项目都画好(条件),才能得到正确的三极管符号图形(结论)。我们把对立的或是矛盾的事物双方,如上述例子中的“画了”和“没画”、“正确”和“差错”,用人为规定的某种符号来代表,例如用文字A和A-代表(A-规定为A的反面,图1),或者用数字“1”和“0”代表(“0”规定为“ 1”的反面),那么上述画晶体管的例子就可以进一步概括为:只有全部条件为“1”时才能得到“1”;只要有一项条件为“0”,则结论为“0”。请读者注意,这里的“1”和“0”与一般数学中的数字意义是完全不同的,而是代表一种条件状态,即所谓的逻辑状态。

逻辑电路
简单地说,逻辑电路就是能完成逻辑功能的电路。例如一个电路,如果输入为“1”(某种逻辑状态,如高电平),输出为“ 0”(某种与“1”相反的逻辑状态),那么这个电路即完成条件为“1”、结论判断为“0”的逻辑功能,因此就是一种逻辑电路,这个逻辑电路也就是常说的反相器。
我们可以用继电器的接通或断开;晶体管的通导或截止;射流元件的流通或截止来代表逻辑状态“1”和“0”。用这些元器件就能组成继电器逻辑电路、晶体管或集成逻辑电路、射流元件逻辑“电路”等等。
以常见的继电器来说,我们可以认为绕组相当于输入(条件),触点相当于输出(结论)。绕组通电—“1”,绕组断电—“ 0”;触点接通—“1”、触点断开—“0”(图2)。

现在让我们用继电器来实现下述逻辑关系:输入全部为“1”则输出为“1”,有一个或一个以上输入为“0”则输出为“0”。线路很简单,只要把所有继电器的动合触点串联即行(见图3)。此时只有绕组全部通电(相当于全部输入为“1”,即A=“1”、B=“1”、C=“1”),所有继电器都吸合,触点J\(_{A}\)-1、JB-1、J\(_{C}\)-1全部接通,输出y才能是“1”—接通电源 E+。显然此时只要有一个继电器断电,则输出y必为“0”—断离电源。

这种输入全部为“1”则输出为“1”,有一个或一个以上输入为“0”则输出为“0”的逻辑关系,是以后我们常用到的基本逻辑关系之一。
能够实现“与”逻辑的电路,就取名为“与”逻辑电路,或叫做“与门”电路。引用术语“门”,是为了形象化地比拟可以开关、可以控制进出的意思(图4)。当然,要用其它诸如“口”、“闸”之类名词也未尝不可,只是人们已经习惯于用“门”这个名词了。

与门电路是最基本的逻辑电路(逻辑单元电路)之一。还有哪些基本逻辑电路呢?基本逻辑电路只有三种:
一、“与门”:输入全部为“ 1”则输出为“ 1”,有一个或一个以上输入为“ 0”则输出为“ 0”。
二、“或门”:有一个或一个以上输入为“1”则输出为“1”,全部输入为“0”则输出为“0”。
三、“非门”:输入为“1”则输出为“ 0”,输入为“ 0”则输出为“1”。
或门电路采用继电器照样也能实现,我们只要把所有继电器的动合触点并联(图5)即可。此时 A、B、C各个绕组(输入端)只要有任意一个通电(A=“1”或B=“1”或……),对应的某个触点即接通,输出y便接通E\(_{+}\),即 y=“1”。

非门电路也可以用继电器来实现,我们知道,继电器的动断触点(常闭触点)是当绕组通电时断开,断电时反而接通(图6)。即当输入A=“1”时,触点断开,输出y=“0”;而当输入A=“0”时,输出y与E\(_{+}\)接通, y=“1”。

一件事情两种讲法
讲到这里也许要问:为什么一定要假定继电器通电为“1”、断电为“0”,高电平(E\(_{+}\))为“1”、低电平(接地)为“0”呢?能不能反过来?当然是可以的。为了把两种讲法区别开来,前面所讲的(高电平为“1”、低电平为“0”)称为正逻辑,而把相反的情况,例如规定低电平为“1”、高电平为“0”,或继电器断电为“1”、通电为“0”,称为负逻辑。
简单的组合
与非门。它的逻辑含义规定为:所有条件都具备时,所得结果恰好相反。即全部输入都为“1”时则输出为“0”,有一个或一个以上输入为“0”则输出为“1”。可见整个逻辑就是“与”逻辑和“非”逻辑的结合。用继电器来组成的与非门电路如图7,只要将各输入继电器的动合触点串联后再通过另一继电器的动断触点倒相输出就行。这里继电器J\(_{X}\)起着“非”的作用,而JA、J\(_{B}\)、JC则起“与”的作用。

或非门。如果要设计这样的一个开关:当温度、压力、流量等只要有一项超过限量,电源就将自动切断。前提是只要一项条件满足,结论是断开电源。用逻辑术语来抽象概括,就是输入只要有一个或一个以上为“1”,则输出为“ 0”。
很明显,这就是“或”逻辑和“非”逻辑的结合,故称之为“或非”逻辑,对应的电路即或非门电路。用继电器来实现见图8,这里J\(_{A}\)、JB、J\(_{C}\)起“或”的作用,JX起“非”的作用。
与或门。用继电器组成的与或门见图9,只要A“与”B“或”C“与”D中有一组输入全为“1”,输出均能接通电源E\(_{+}\),即y=“1”。

与或非门。“与或非”顾名思义便是“与或”的反义,即上述“与或”的结果再加以倒相,见图10。
进一步的组合
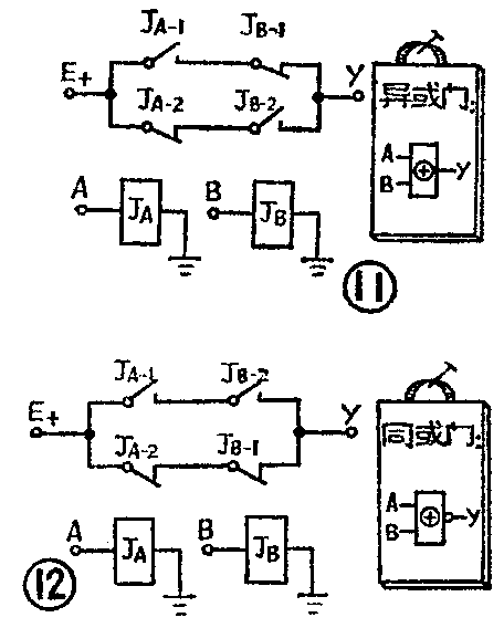
异或门。如果我们需要一个电路,当开关A与B都合上或都打开时,输出端与电源断开,只有当一个合上、一个打开时,输出端才与电源接通。用逻辑术语来表达,即输入A=“1”、B=“0”或A=“0”、B=“1”,则输出 y=“1”;如果输入A=B=“1”或 A=B=“0”则输出 y=“0”。由此可见,要使y=“1”,则输入必须是A≠B,也就是A与B的状态必须相异。用继电器表达的异或门电路见图11。

同或门。就是异或门的反义,在这里只有当A=B=“1”或者A=B=“0”,才得输出 y=“1”; A=“1”、B=“0”或A=“0”、B=“1”时,则输出y=“0”。见图12。
举不胜举
“多数表决”电路。举个例子来说:有A、B、C三人进行表决,并以“1”表示“赞成”、“0”表示“反对”那么可能出现8种情况,即:000、001、010、011、100、101、110、111,现在要使A、B、C中任意两个是“1”则输出为“1”;任意两个是“0”则输出为“0”,因此可以用图13的连接方法来实现。实际上它是三个与门和一个或门的组合电路。

“前为后备”电路。如果要求几项动作按顺序进行,第一项完成后才能启动第二项……,那么可以用图14的电路。

常用的逻辑电路,根据人们的需要,还可以有好多好多,例如全加器、译码器、数据选择器、编码器、触发器、计数器、节拍发生器等。这些电路都可以用晶体管或集成电路来组成,但通过用继电器来描述,比较直观,容易理解,并且用在一些小型低速自控设备中也还是比较经济实用的。(路民峰)