本文介绍三种四管直接放大式电路,它们各有特点,供初学者制作时参考。

图1(a)是来复再生式四管机电路图,电路简单,效率较高。图中晶体管BG\(_{1}\)担任高频放大兼来复低放,充分发挥了简易收音机晶体管的潜力,一管二用。D1、D2两个二极管担任倍压检波,这种电路兼有自动增益控制作用和稳定工作电流的作用。再生电路采用发射极反馈方法;由于这种再生电路反馈量强,再生作用明显,L3只要在磁棒上绕1—2圈,就能获得所需的反馈量,从而提高了收音机的灵敏度和选择性,同时省去了一只再生电容。这种电路调整再生也比较方便,只要在磁棒上移动再生线圈L\(_{3}\),使它与线圈L1有恰当的距离,并且再生也比较平稳,使频率高端和低端的灵敏度都能兼顾。晶体管BG\(_{2}\)担任前置低频放大,采用功率增益最大的共发射极电路,它的线路简单、输出较大。为了获得阻抗匹配,末前级用变压器作耦合,利用变压器的阻抗转换特性来解决级间耦合问题,只要选择适当的变压器匝数比,使后一级的输入阻抗与前一级的输出阻抗接近匹配,从而获得较大的功率增益。图1中变压器B1匝数比为3:1。晶体管BG\(_{3}\)、BG4组成末级推挽功率放大器,这种线路效率高,而且用电省。图1(b)是上述电路的印刷线路图。


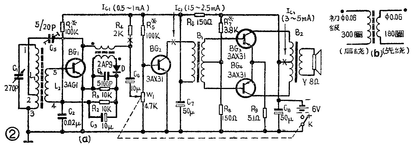
图2是另一种四管机来复再生式电路,与前一种电路有所不同,来复电路采用高频变压器作耦合,使晶体三极管BG\(_{1}\)的高频负载阻抗较为匹配,可以提高高频放大器的增益。图2电路中检波没有采用倍压方法,用单个二极管作检波,检波后的低频信号通过C3加到BG\(_{1}\)基极。电路中由于R2的接入,还可起到自动音量控制的作用。例如当接收强信号时,在电阻R\(_{3}\)上有较大的直流成分电压,它的极性是接二极管负极的那端为正,接地端为负。这个电压通过电阻R2加到晶体管BG\(_{1}\)的基极,它的极性恰与BG1的基极偏置电压相反,从而使BG\(_{1}\)的工作点发生了移动,降低了它的放大倍数,减小了失真。
图2中再生电路采用调电容方法,这种再生电路对收音机频率高端再生作用比较明显,调C\(_{5}\)(5/20微微法)电容,即改变了再生电容容量,可提高收音机频率高端的灵敏度。调高频变压器磁心,使高频变压器初级与晶体管BG1输出电容在频率低端附近谐振,以提高收音机低频端的灵敏度。频率高端与低端配合调节,可使整个波段的灵敏度较为均匀。
图2中的高频变压器,可用TTF中频变压器骨架绕制,先绕次级,可在工字型磁心上用φ0.06漆包线绕180圈,初级用同号线绕300圈(如图2b)。由于工作电压较低,初、次级间不需另加绝缘,但要注意不要将漆包线漆皮损伤。初、次级绕好后,装上磁帽和外壳。图2b中“·”表示每只线圈的头尾(即相位),也叫同名端,初、次级线圈中如果相位搞错,两线圈在同一磁路中的磁通量就会互相抵消削弱,使高频变压器性能变坏。

图3是硅管和锗管混合式的四管机。电路结构与上述四管机相同。但高放级和前置低放级采用了截止频率高,穿透电流小的硅高频三极管,使收音机的灵敏度和热稳定性相应提高。检波电路采用倍压检波。由于高放级晶体管BG\(_{1}\)采用硅管,它的基极偏置电压是正的,所以D1、D\(_{2}\)两个二极管的接法和采用锗管的再生四管机恰好相反。实验证明,D1采用锗二极管,D\(_{2}\)采用硅二极管效果较好。为了防止电路中级与级之间的相互耦合,对高放级和低放级用R4、C\(_{7}\)和R6、C\(_{8}\)分别进行退耦。为了获得足够的音量输出,末级推挽功率放大仍用锗管。本机电路混合使用硅管和锗管,因此电源采用负极接地,调试时应予以注意,不可接错。(赵炳土)