这个简易自动调压装置能在市电电压降低时,把电视机接到电源电压调压器上,使电视机不受市电电压降低的影响;当市电电压回升时,再自动断开调压装置,恢复正常供电。
工作原理
原理线路见图1。变压器B的初级绕成自耦变压器。次级绕组L\(_{3}\)输出10伏交流电压,经二极管D1整流、C\(_{3}\)、R1、C\(_{4}\)滤波后输出约12伏直流电压,作为三极管BG1的工作电源电压。次级另外两个绕组L\(_{4}\)、L5分别输出20伏交流电压,经二极管D\(_{2}\)、D3整流、C\(_{5}\)、C6滤波后,在C\(_{5}\)、C6上分别输出大小相等、方向相反的两组直流电压,一组经稳压二极管D\(_{W}\)输出稳定直流电压;另一组经W、W1输出不稳定直流电压。当市电为220伏时,让两组输出的直流电压大小一样,即A点对地的电压与B点对地的电压大小相同,这时A、B间无电压输出,BG\(_{1}\)也没有信号输出,BG1集电极电路中的继电器J\(_{1}\)不动作,它的触点J1-1处于常闭状态,电视机由220伏市电正常供电;当市电电压降低到某一数值时,经W\(_{1}\)输出的直流电压降低,而经稳压管DW输出的直流电压基本不变,这时A、B间就有了电压输出并加在BG\(_{1}\)的基、发射极之间,这个信号电流经BG1放大后带动继电器J\(_{1}\)动作,J1的触点J\(_{1-1}\)的常开点与中心簧片接通,把电视机接在调压器输出端,利用自耦变压器把电网电压升高后供电视机用;当市电电压回升到某一电压时,又因A、B间无电压输出继电器恢复到常闭状态,电视机恢复正常供电。

图1中,电位器W、W\(_{1}\)、D4是用来控制这个调压装置的起调电压的,起调电压可以自己选择,我们选择调压器起调电压为190伏,即当电源电压降低到190伏时,晶体管工作,继电器动作。D\(_{4}\)还有一个作用,就是当市电电压高于220伏时,A点电位比B点电位高一些,若不接D4,加到BG\(_{1}\)发射结上的电压是反向电压,而加了二极管D4后,利用它的单向导电性把晶体管BG\(_{1}\)与直流输出电路断开,避免损坏管子。
元件选择
变压器的额定功率应大于电视机的消耗功率。变压器升压部分的线圈计算如下:若取变压器每伏为6圈,初级L\(_{1}\)圈数为220伏×6=1320圈,当电压降到190伏时,相对L2来说每伏圈数应为1320/190≈6.9圈,L\(_{2}\)为(220-190)×6.9=207圈,考虑变压器的功率损耗还应加5%的富裕量,L2取217圈。L\(_{3}\)为60圈,L4、L\(_{5}\)均为120圈。D4的正向电阻不要大于10欧,它上面正向电压太大会影响控制起调电压的灵敏度。D\(_{W}\)用2CW7K(稳压约20伏),如不需要电路起调太灵敏,也可以用2CW4。继电器选用JRXB—1型或DZ—100系列,使用时将它们的全部常开触点、常闭触点分别并联使用,以增大触点能允许通过的电流。
调整
电路焊接完毕检查无误可开始通电调整。若要求市电电压降到190伏电路工作(即起调电压为190伏),可在初级电压为220伏时先把W\(_{1}\)调在阻值最大,再调W,用电压表量得A点对地与B点对地电压相等,然后用调压器把220伏电压降到190伏,如果J1不动作,调整W\(_{1}\)(减小阻值)直到J1动作为止,若W\(_{1}\)已调至阻值最小J1仍不动作,应设法提高BG\(_{1}\)的β值或换用复合管或改为两级放大;若用调压器降低220伏电压时,电压还没降到190伏时继电器就动作,说明这个装置太灵敏了,可适当换稳压管DW或增大W\(_{1}\)的阻值。调整需反复进行几次,直至电压高时J1释放、电压低时J\(_{1}\)吸合继电器动作准确无误为止。
若考虑到单独绕制变压器B不够经济的话,可在自制电视机绕制电源变压器时,把调压器部分考虑进去,初级绕成自耦式、次级再加绕一组2×20(伏)的线圈见图2,虚线上面的绕组为加绕的,晶体管工作电路中的L\(_{3}\)绕组用电视中电源变压器的次级绕组(图2中的次级15伏绕组)。

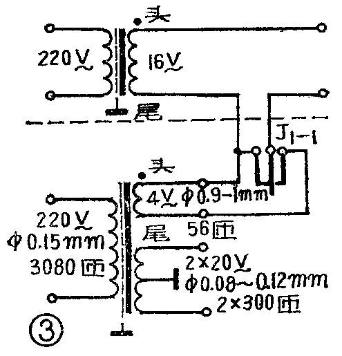
对于产品电视机,电源变压器不便改动,可重新加绕一个约6瓦的小功率变压器,具体线路见图3,虚线下面部分为新绕的小变压器,4伏的一组在市电电压降低时与原电视机变压器次级绕组串联作为自耦变压器用,使用时注意相位。小变压器铁心截面积为3.2(厘米)\(^{2}\),晶体管电路绕组L\(_{3}\)仍用电源变压器原次级绕组。(沈谊)
