用普通万用表粗测晶体管的极间电阻及放大能力,以判断管子质量好坏,是经常采用的一种简便方法。例如,常用万用表的R×1K档或R×100档测试小功率晶体三极管的极间电阻。但是当我们用这种办法去测试大功率晶体管(例如3AD30)时,往往会发现即使管子是好的,管子的正反向极间电阻却都很小,很难判断P—N结的好坏,上述方法就不适用了。那么还能不能用万用表粗测大功率晶体管呢?回答是肯定的。下面就谈谈测试方法。
1.极间电阻的测试
大功率晶体管一般漏电流都比较大(如3AD30C穿透电流高达10毫安),如果仍然用万用表的R×1K档或R×100档测量极间电阻,因为此时表头的满度电流很小,所以测试管子的正反向极间电阻时,就会出现阻值都很小的现象,测试就不准确了。我们知道,万用表R×1档和R×10档满度电流比较大,所以应该用这两档来测试大功率管。
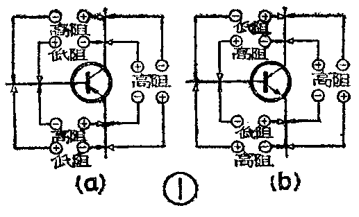
测试极间电阻有六种不同的接法(如图1)。其中发射结和集电结的正向电阻阻值比较低,其它四种接法都应测得高阻值。图中带圆圈的正负号表示万用表接线棒的极性,空心箭头表示红表棒,实心箭头表示黑表棒。

例如用R×1档测量,在应该测得低阻值时,对于硅管来说,表针应指在表盘中间区或中间偏右一点的地方;如果是锗管,表针应指在表盘右端靠近零欧姆的地方。在应该测得高阻值时,如果是硅管,表针应基本不动,即阻值无限大;如果是锗管,表针也应动得很小,一般不应超过满偏转的1/4。否则就是管子质量不好或已经损坏。上述测试的规律一般和万用表的型号关系不大。
我们用108—1T型万用表实际测量了几只大功率管的极间电阻,测得数据记录见附表,供参考。108—1T型万用表电阻挡的特性是:中心阻值为12欧,在R×10K档表内用15伏电池,其它档用1.5伏电池。如果用其它特性不同的万用表测试,测试结果将会不一样。

某些高频或低频大功率晶体管的极间电阻,有两种测法的结果可能不符合图1所示的情况。这两种测法是:对于PNP型管万用表红表棒接三极管的基极、黑表棒接发射极和红表棒接集电极、黑表棒接发射极;对于PNP型管万用表黑表棒接基极、红表棒接发射极和黑表棒接集电极、红表棒接发射极。这两种测法本来应测得高阻值,可是实际测得的阻值并不高。这是由于这些管子发射结的反向电流(I\(_{EBO}\))较大,或击穿电压(BVEBO)很低造成的。不要把这些管子当成坏管,应该再进一步检查它们的放大能力,如果放大作用是好的,这些管子还是可以使用的。这个问题在某些小功率高频管中也存在。
2.检查放大能力的方法。
经常使用如图2所示的电路来检查小功率晶体三极管的放大能力,对于大功率管也可以使用这个方法,只不过万用表要用R×1档,R\(_{B}\)应在500~1000欧范围内选用。

测试时先不接R\(_{B}\),把管子基极甩空,量集电极和发射极之间的电阻,表针应挥动很小,如果表针挥动较大说明管子穿透电流(ICEO)太大,如果万用表指示阻值已接近于零,说明管子已经损坏。然后再把R\(_{B}\)接在基极和集电极之间,万用表指示的阻值应明显变小。阻值越小,说明管子的放大能力越强。如果万用表指示的阻值比RB小十几倍以上,说明管子的放大能力是较强的,管子是好的。如果接上R\(_{B}\)以后,万用表指示的阻值比RB小不了多少,表示管子放大能力有限,甚至管子是坏的。
实例:用108—1T型万用表,检查低频大功率管3AD6B的放大能力。
3AD6B是一只锗PNP型低频大功率管,应按图2(a)电路测试。第一步先测穿透电流,万用表用R×1档,红表棒接三极管集电极,黑表棒接发射极,基极甩空开路。此时万用表表针基本不动,阻抗约无限大,表示管子的穿透电流不很大;第二步在集电极和基极之间接上R\(_{B}\),RB取680欧,此时万用表指示为22欧,比R\(_{B}\)小很多,说明这只管子放大能力较强。 (王永江)