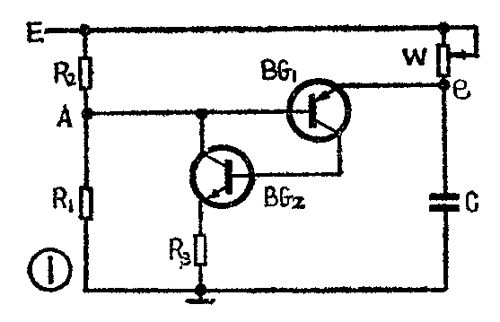
用PNP和NPN晶体管可模拟单结晶体管特性,代替单晶体管组成弛张振荡器,如图1所示。

从图2所示的单结晶体管等效电路中不难看出,单结晶体管的两个基极b\(_{1}\)和b2之间是纯电阻性,称为基极电阻R\(_{bb}\)=Rb1+R\(_{b2}\),阻值范围在2~10千欧之间。其中Rbl为第一基极与发射极之间的电阻,阻值随射极电流I\(_{e}\)变化;Rb2为第二基极与发射极之间的电阻,阻值维持不变;发射极到b\(_{1}\)和b2具有整流特性,用二极管D等效。分压比是单结晶体管的一个重要参数,η=B\(_{b1}\)b2+R\(_{b1}\)),Rb2<R\(_{b1}\),η值的范围为0.3~0.9。

在图1的线路中,用R\(_{2}\)等效Rb2;用R'\(_{1}\)等效Bb1,R'\(_{1}\)=R1∥(R\(_{ce2}\)+R3),其中R\(_{ce2}\)为晶体管BG2集电极到发射极的电阻。显然R'\(_{1}\)将随着BG2的导通而变化,是可变电阻;晶体管BG\(_{1}\)的发射极到基极是一个正向P—n结,等效于二极管D。模拟单结晶体管的分压比η′=R′1/(R\(_{2}\)+R′1)。A点电压为U\(_{A}\)=η′E。
接通电源E后,电源通过电位器W向电容C充电,在e点电压U\(_{e}\)低于A点电压η′E时,BG1的发射结承受反向偏压,所以BG\(_{1}\)、BG2都截止。当e点电位在t\(_{1}\)时刻上升到Ue≥η′E+0.7伏(对应于单结晶体管峰点电压U\(_{P}\))时,BG1的发射极对基极为正电位,产生射极电流I\(_{e}\)。若BG1、BG\(_{2}\)的放大倍数为β1、β\(_{2}\),那末注入BG2的基极电流I\(_{b2}\)=Ic1≈I\(_{e}\),使BG2导通,在BG\(_{2}\)产生集电极电流Ic2=β\(_{2}\)Ib2≈β\(_{2}\)Ie,此电流注入BG\(_{1}\)产生集电极电流β1β\(_{2}\)Ie……。如此循环,使BG\(_{1}\)和BG2在极短的时间内达到饱和。BG\(_{2}\)饱和后,Rce2阻值很小,约几十欧,R\(_{3}\)的值一般也取得较小,因此 R′1比较小,这样电容C以比较小的时间常数R\(_{1}\)′C迅速放电,使Ue急剧下降,在t\(_{2}\)时刻模拟单结晶体管截止,电容C又重新被充电(见图3a)。在电阻R3上可以得到一系列的尖脉冲如图3b所示。

为了减少漏电流、降低频率飘移,BG\(_{1}\)最好选择3CG型三极管,BG2选3DK4、3DG12均可,放大倍数要求大于30。
分压比η'基本上取决于R\(_{1}\)和R2。当η'不同时,模拟单结晶体管的峰值电压就不同。可以通过调节R\(_{1}\)、R3的阻值来得到所需要的分压比,这一点就比单结晶体管方便多了。分压比直接影响输出脉冲的幅值,一般选取η'=0.5~0.9,R\(_{1}\)加R2之和约为5~12千欧。
放电电阻R\(_{3}\)的取值范围在100~1200欧之间。R3的取值不能太小,否则触发脉冲的宽度太小;R\(_{3}\)的取值也不能过大,否则晶体管的漏电流在R3上产生的压降过大。R\(_{3}\)一般可选在1千欧左右。
电容C将决定弛张振荡器的振荡周期和脉冲宽度。当应用于可控硅触发器时,电容C可在0.1~1微法范围内选择。当用在定时电路中时,C可按所需的时间常数进行计算。
图4是一个采用模拟单结晶体管作为触发器的可控硅交流调压器电路图。这个交流调压器的调压范围在n伏到210伏,最大输出功率可达1千瓦。

调节电位器W,可以改变电容C的充电速度,从而改变振荡周期,实现触发脉冲的移相。
脉冲变压器B采用尺寸为30×18×10(毫米)的铁氧体磁环。L\(_{1}\)用φ0.18毫米漆包线绕100匝,L2、L\(_{3}\)均用φ0.18毫米漆包线绕80匝。如果绕组间绝缘不良或是接线错误,都可能使可控硅过流烧坏,要特别注意。
稳压管D\(_{w}\)稳压值不能太低,否则会因为梯形波陡度不够而影响移相范围。
模拟单结晶体管弛张振荡器与单结晶体管振荡器一样,输出脉冲宽度较小,使用时要注意这一点。(刘肇德)