半导体收音机需外接耳机时,通常选用低阻抗(8Ω)耳机,它接在输出变压器次级即可。
如果有的同志手头有高阻抗耳机,可用下列两种方法接入半导体收音机。

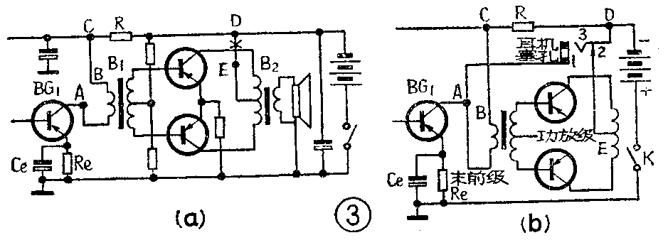
第一种方法,如耳机阻抗为800欧左右的可将耳机接入末前级集电极回路内。具体的接法:先找到输入变压器初级两端(A和B),如图2(a),将图中打“×”处切断,将A点与塞孔的“1”连接(图1为塞孔的实物与符号),B点与塞孔的“2”连接,C点与塞孔的“3”连接(见图2(b))。这样在插塞没插入时,塞孔簧片2、3连接,电路与没接耳机时一样;插塞插入后,插塞的中心头与簧片“3”接触,同时顶开“2”与“3”的连接点,此时线路中的B、C断开,C点通过耳机线圈与A点接通,耳机成为末前级的输出负载,直接放出声音。由于输入变压器的一头(B端)已与电路断开,音频信号不能送至功放级。这种接法的优点是:①接法简单;②功放级无信号输入,推挽管工作在静态,电流很小,故比低阻抗耳机省电。

第二种方法:有的同志手头有2000欧以上的高阻抗耳机,这种耳机的直流电阻阻值往往高达1.5千欧以上。如果还按第一种方法接入就会出现一些问题。例如,假设这一级工作电流为2毫安,则耳机降压为3伏,加上发射极稳定电阻R\(_{e}\)(500欧左右)也降压1伏,致使集电极至发射极电压仅1至2伏(电源电压假设为6伏),此时当音量开大时失真大。假若电源电压较低(4.5伏以下)或这一级工作电流较大(3毫安以上),这个管子工作于饱和状态,此时完全无音频信号输出,致使无法收听。因此这种耳机需采用另一种方法接入。具体方法见图3(a),先找到输出变压器初级中心抽头“E”,把图中“×”处切断(此处如有电流检查口,烫开即可),“×”处的两边各为D点和E点。其次找到末前级的集电极A点。然后将A点接塞孔的接点“1”,E点接塞孔的接点“2”,D点接塞孔的接点“3”(如图3(b))。这样插塞插入后,耳机与输入变压器同为末前级BG1的并联负载,耳机即放出声音,而输入变压器虽将音频信号送至功放级,但因E点与电源断开、功放管不再工作。这种接法的优点是:①接入耳机后仅将其直流电阻与BG\(_{1}\)管的负载关联,对该级管子的工作无不良影响。②推挽级没有静态电流,更省电。这种接法的缺点是功放级虽不能放大,但信号仍可经变压器和晶体管窜入扬声器,不过此项窜音甚微,只有贴近扬声器才能勉强听见,不影响周围环境。(程宏基)
