一、任基重同志来信
我们按照1976年第8期“绝缘栅场效应管长延时电路”一文介绍的电路(图1)进行了试验,提出两点看法:

1.当BG\(_{1}\)尚未夹断时,漏源电流并不经R2、D\(_{1}\)、DZ2、D\(_{5}\)和D6形成回路,而是经BG\(_{2}\)的b、e极和D5、D\(_{6}\)形成回路,所以VS只有2.1~2.3伏左右。若BG\(_{1}\)使用夹断电压绝对值大于2.3伏的管子时,则不能被夹断。我们将线路改成如图2所示,这样,无论BG1导通或夹断,都能维持其源极有一定的电位,能可靠地工作。应该指出,DZ\(_{2}\)的稳定电压必须大于BG1的夹断电压(绝对值),否则就不能使BG\(_{1}\)夹断,DZ1、DZ\(_{2}\)、R7的数值应根据参数|V\(_{P}\)|选定。在BG1的源极和BG\(_{2}\)的基极之间加接一只毫安表,以便观察电容充电过程中的情况。

2.影响延时时间的因素,除充电电容C\(_{1}\)和电阻R2之外,还应考虑电源电压E、BG\(_{1}\)源极电位VS、BG\(_{1}\)的夹断电压VP和电容C\(_{1}\)的漏电流。电容器的漏电流随着环境温度的升高而增加,为保证延时的精度,要求选用漏电流极小的电容器,最低限度电容器的漏电流要比继电器动作点的充(放)电电流小一个数量级。
二、谭松同志来信
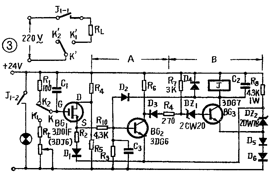
原电路当C\(_{1}\)充电完毕时,VGS只能等于-2伏左右,若BG\(_{1}\)的2V<|VP|≤9V,这时BG\(_{1}\)仍有足够大的电流IDS,供给BG\(_{2}\)基极电流也足够大,BG2始终导通。我们将BG\(_{2}\)的发射极接在DZ2的9伏端,BG\(_{2}\)基极和BG1源极间串接电阻R\(_{1}\)0,见图3。当同步开关KK′扳在K1K′\(_{1}\)位置,BG1的漏源电流I\(_{DS}\)足够大,使BG2导通,V\(_{S}\)保持在10~11伏左右。随着C1的充电,V\(_{G}\)逐渐下降至0伏,VGS接近V\(_{P}\)时,IDS变得越来越小,这时,V\(_{S}\)也逐渐下降,当VS降至约9.5V时,流入BG\(_{2}\)的基极电流≈0,BG2截止。
BG\(_{2}\)导通饱和时集电极电位为9.3~10伏,所以DZ1要用2CW20(稳定电压13~17伏),R\(_{7}\)改用3千欧。如果继电器改用614型24伏双刀双掷式,相应地BG3可改用3DA1。3DO1F也可改用结型场效应管3DJ6,因3DJ6的栅源电压V\(_{GS}\)最大只能为20伏,所以电容C1和电源+24伏间还应串接一个电阻(约3千欧即可)。


调试时,BG\(_{1}\)、BG2先不接入线路,先调试最后一级(如图3B段),接通电源后,BG\(_{3}\)应导通,继电器J应动作。如果继电器不动作,一般都是BG3未导通或推动继电器的电流I\(_{C}\)不够大,这时可调整R7使DZ\(_{1}\)击穿,并有足够大的输入电流使BG3导通,推动继电器J动作。如不成,可更换BG\(_{3}\)为输出功率较大的管于如3DA1。用万用表测试R8和\(_{D}\)Z2的接点电位应为9伏左右,然后再把BG2插入(即再加入图3A段),BG\(_{2}\)的输入端如图4接在电位器W的活动接点上,调节电位器,使BG2导通、\(_{B}\)G3截止,继电器J不动作;或使BG2截止、BG\(_{3}\)导通,继电器J动作。并用万用表测量BG2由导通变为截止时(可以继电器J由不动作变为动作时为准),电位器W活动端的电位约为9.7伏左右,最后接入BG\(_{1}\)。焊接3DO1F时把烙铁的电源插头拔掉或用细铜线将三个极短接起来,避免栅极悬空,在栅源两极之间必须绝对保持直流通路,以免损坏管子。焊接好后,便可试验选定Rt和C\(_{1}\)了。
三、姚鸿宾同志来信:

我们做了一种绝缘栅场效应管“放电式”长延时电路用在定时加热装置上(图5)。R\(_{1}\)、继电器J1的常闭接点J\(_{1—2}\)和Ct组成充电回路:R\(_{t}\)、W和Ct组成放电回路,即延时回路。当加热装置不工作时,J\(_{1}\)不动作,Ct通过电阻R\(_{1}\)充电,由于(Rt+W)远远大于R\(_{1}\),所以两者分压的结果,BG1的G极电位近似为+24伏,BG\(_{1}\)漏源导通,此时IDS很大,漏极D和源极S之间的实测电压不到0.3伏,BG\(_{2}\)截止,继电器J2不动作。当加热装置投入运行时,揿下控制开关KA,使J\(_{1}\)动作,J1常闭接点J\(_{1—2}\)切断R1、C\(_{t}\)充电回路,Ct通过W、R\(_{t}\)放电,当Ct放电到使BG\(_{1}\)的VGS≤V\(_{P}\)时,BG1关断,BG\(_{1}\)的D极电位近似为+24伏,此时DZ1击穿,BG\(_{2}\)导通,J2动作,其常闭接点J\(_{2—1}\)切断J1的电源,使加热装置停止运行。

为什么要采用“放电式”延时电路呢?由实验得知,在充电式延时电路中,R\(_{t}\)增大到一定数值时,Ct就不能充电到电源电压,即G极不会到零伏,这是由于电容C\(_{t}\)存在漏电电阻,如图6中Rc所示,当R\(_{t}\)很小时,Rc可视为无穷大,但当R\(_{t}\)大到一定数值时,G极电位则以Rc和R\(_{t}\)分压决定,因此Rt的数值不能取得太大。采用放电式电路,我们先通过小电阻R\(_{1}\)向电容Ct充电,然后通过较大的电阻R\(_{t}\)+W放电,从而得到较长的延时。DZ2的型号应根据|V\(_{P}\)|的实测值选定。我们用的|VP|<2V,因此DZ\(_{2}\)选用2CW10型稳压管(稳定电压为2~3.5伏)。此外延时时间和稳压管DZ1的稳定电压值也有关系,所以DZ\(_{1}\)稳定电压值的选取也必须与所需延时配合好。在延时时间较长的电路中,即Rt比较大时,必须计及C\(_{t}\)的漏电电阻和BG1的输入电阻。