问:有一台40厘米电子管电视机,电源开启后,屏面上光栅正常。数分钟后,行幅度开始变小,光栅变暗,检查行输出管的栅负压、帘栅压均正常,升压电容也没有坏,为什么?
答:这种故障一般是由于阻尼管6Z18质量不好引起的。因为6Z18阴极与阳极距离很近,灯丝加热后,阴极受热膨胀,易与阳极出现跳火或短路现象,这时6P12屏流逐渐变大。屏压下降,所以,行幅度变小,光栅变暗,只要换只好的6Z18就行了。
问:在接40厘米电子管电视机行输出反馈线圈时,有信号时只要看屏面若为一整幅图象,则说明接正确了。若图象为左右两半幅,则说明接反了。但在没有信号时,如何来判别是否接对了呢?
答:在没有信号时,只要观察荧光屏光栅就可以判别了。当亮度电位器逐渐关小时,整个屏面光栅都均匀暗下来,说明此线圈接对了。当亮度电位器逐渐关小时,屏面上的光栅由左、右两边先暗,再逐渐使中间变暗,说明反馈线圈头接反了。(以上邬邵静答)
问:按上海牌104—2型线路自装了一台35厘米电子管电视机,在调试中发现,当对比度在正常情况(即黑白分明)时,则行不能同步,同时场同步也受到影响,如果对比度调得较淡,则行同步略好些,故障在哪部分?
答:这是同步分离部分有问题,即幅度分高限幅器没有起到限幅作用。当对比度调大时,图象信号就进入到场、行同步信号里,干扰了场与行的振荡。上海牌104—2型电视机的幅度分离管是6U1,而6U1的第6屏极电压不能大于+25伏,第8屏极电压不能大于+75伏。当6、8屏极电压离上述数值较远时,则幅度分离限幅器就不能起到限幅作用。(刘瑞堂答)
问:一台47厘米电视机行输出变压器低压包击穿,重绕以后,输出级工作正常。但是高压很低,检查整流管1Z1良好,是何原因?
答:可能是由于重绕低压包后,将线圈方向绕错了。因为47厘米电视机的15千伏高压是水平扫描逆程脉冲电压(6000伏左右),经高压包升压之后整流获得。如果低压包和高压包的相位相反,则高压包就感应不出那样高的电压来,只起一个降压电感线圈的作用,所以高压输出仅有5000伏左右。此时荧光屏图象很淡,而且大大放大,对于这种人为故障,只要把低压包的绕向换过来就可以了。(于长波答)
问:我发现有的同志在用话筒讲话时,总喜欢先用手指敲一敲,或用力吹一吹,这样做对话筒有什么影响?
答:这样做对话筒有害无益。话简不能受强烈震动,若用手敲或用力吹,往往会使话筒磁性减弱,或将音圈震松和震脱,使音圈位置不在磁钢中央,造成灵敏度降低或发音失真,严重时还会损坏音膜。所以试话筒时要用平时讲话的声音来试,应坚决克服用手敲或用力吹的坏习惯。(杨逢汉答)
问:有一台TY250/1000型电子管扩音机,在负载较轻时,也发生了击穿输出变压器的现象,从而导致输出变压器内部短路。这是什么原因?
答:TY250/1000型电子管扩音机,是一种较大功率的定压式扩音机。在轻载甚至空载的情况下,因为它有很深的负反馈,输出电压不会升的太高,所以一般不会击穿输出变压器。如果发现这种故障,只能说明它的深度负反馈电路出了问题。早期生产的TY型扩音机,从输出变压器初级两端负反馈至前级6J1阴极的RC网路,所采用的是纸质电解电容器,时间长了就会干涸失效,负反馈回路则不再起作用,机器也就失去了定电压输出的特点。因为这时机器照常工作,机务人员往往不能及时发现这类故障,所以当外接负载严重减轻时,过高的电压就会将输出变压器击穿。(吴绪义答)
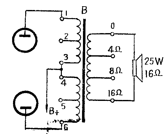
问:有一部井岗山型16毫米放映机,放映扩音机的输出变压器损坏,一时又买不到新变压器,请问有没有应急修理办法?
答:此种放映扩音机的输出变压器损坏后,如不能立刻修复,可暂用有线广播中的15瓦线间变压器代替。实践证明效果还不错。
接线方法见附图。即将放映扩音机原来已损坏的输出变压器拆掉,将15瓦线间变压器初级抽头的3、4端连起来,引出一条导线接高压B\(_{+}\);初级抽头的1、6端分别接推挽管的屏极。由于15瓦线间变压器初级的1、3和4、6间的线圈圈数相等,经测量直流电阻也基本相等,且这个直流电阻和原输出变压器的直流电阻也基本相等,所以两只推挽管屏极上所获得的电压和原来也基本一样。放映扩音机的输出功率为15瓦,用15瓦线间变压器代替也很合适。线间变压器次级抽头有好几种阻抗值,可视喇叭的功率和音圈阻抗而适当匹配。例如井岗山型电影扩音机所用喇叭阻抗为16欧25瓦,则可接在变压器次级的0和16欧端子之间。

同样,如果放映扩音机的输出功率为20瓦,则可用25瓦线间变压器代替。(黄一夫、王争亚答)