从公社放大站到用户喇叭的广播线路,目前大多数还采用单线传输方式,如图1所示。在这种传输方式中,大地就作为一条导线,与金属线一起构成音频电流回路。
一、单线传输的一些优缺点
采用如图1所示的单线传输方式,优点是结构简单、节省线材,缺点是由于地线和大地之间有一个接触电阻(在图2中用R\(_{0}\)表示),在广播时就必然在此电阻上产生音频功率损耗。假设流过R0的电流为I\(_{0}\),则在这个电阻上的功率损失为P0=I\(_{0}\)\(^{2}\)·R0。当负载加重使I\(_{0}\)增加时,P0将正比于I\(_{0}\)2增加。


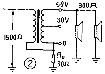
例如,如图2所示某大队的用户匹配变压器接地电阻R\(_{0}\)为30欧,这个变压器带动300只标准舌簧喇叭,每只喇叭的接地电阻为75欧。计算在匹配情况下,在接地电阻上产生的1千赫音频损耗功率,将看出这个接地电阻的影响是多么大。
为了计算方便,暂不考虑变压器本身和线路上的损耗,则图2可等效为图3。设线路的特性阻抗为Z\(_{c}\)=1500欧,在匹配情况下,用户变压器初级在地线电阻R0上的损耗为这一个用户变压器总输入功率的R\(_{0}\)Zc+R\(_{0}\)=30;1500+30≈2%,即用户变压器初级,有2%的音频输入功率损失在R0上。在变压器次级情况如何呢?因为每只喇叭的接地电阻为75欧,远远小于每只喇叭的阻抗(9000欧),所以在计算时可将此项地线电阻忽略。300只喇叭的并联阻抗为Z\(_{0}\)=\(\frac{9000}{300}\)=30欧,则变压器次级在R0上的损耗为用户变压器输出总功率的R\(_{0}\);R0+Z\(_{0}\)=3030+30≈50%,即在用户变压器次级,有50%的音频功率白白损耗在接地电阻R0上。

如果该大队的喇叭减少到30只,则
如果该大队的喇叭增加到600只,则
从上面几个简单计算,可以看出几个问题:
1.采用上述传输方式,在接地电阻R\(_{0}\)上要消耗一部分音频信号功率,R0越大,耗损功率所占的比重越大。
2.在用户变压器初级接地端和用户喇叭接地端,损耗在接地电阻上的功率较小;在用户变压器次级接地端,损耗在接地电阻上的音频功率较大。
3.在用户变压器负载较轻时(例如只挂30只喇叭),上述传输方式还可以用,损耗不大。但是当负载加重时(例如增加到600只喇叭),线路的传输效率大大降低,这就要求地线接地电阻很小,而实际上往往做不到,上述传输方式就不适用了。
二、改进措施
上述传输方式的缺点,关键是接地电阻消耗了音频功率,特别是用户变压器次级那个接地电阻影响最大。根据这种情况,我们采用了如下两种改进措施。
1.采用两路喇叭串联接法。即将用户变压器次级的“0”端不再接地,而是从这一端再接出一路广播输出线,将各用户喇叭的一端接地,以构成音频电流回路。如图4所示。

这种接法的特点是取消了用户变压器次级的接地点,因此使传输效率大为提高,不用增加机器的功率,就能再多挂一些喇叭。此时,虽然用户变压器初级接地电阻的损耗和用户喇叭接地电阻的损耗仍然存在,但它们影响不大。这种接法的缺点是要求两路喇叭数量基本相等,否则喇叭多的一路声音小,喇叭少的一路声音大。另外,如果有一路断线,另一路喇叭也不会响。
如果从公社广播放大站的馈送变压器开始就采用这种接法,则可参考图5。

2.采用用户变压器次级中间(不一定是中心点)接地,可以克服上述两路串联输出的某些缺点。其接法见图6。

如果采用用户变压器次级中心点接地,当两路喇叭数量相等,即阻抗达到平衡时,因为流过两个回路里的电流相等(即i\(_{1}\)=i2),且i\(_{1}\)、i2流过接地电阻R\(_{0}\)时方向正好相反,互相抵消,在R0上就没有功率损耗,从而提高了传输效率。但当两路喇叭数量不平衡对,i\(_{1}\)、i2也不会相等,在R\(_{0}\)上产生的电压降就不能完全抵消,在接地电阻上就会有功率损失。喇叭数量相差越大,损耗也越大,因此在规划喇叭数量时,应尽量使两路基本平衡。如果从公社放大站馈送变压器开始就采用这种接法,可参考图7,采用改进后的两种传输方式,不仅传输效率提高了,还能减弱广播线对电话线的干扰。(广西壮族自治区广播局 叶瑞友)
