汞气整流管广泛应用在一些较大功率扩音机的高压整流部分,常见到的有EG1—0.3/8.5(即866管)、EG1—1.25/10(即872管)等。这种管子和普通的热阴极发射真空电子管相比较,具有整流电流大、内阻小、管压降低并且恒定、整流效率高等优点。但是,如果使用不当,也容易减少汞气管的寿命,甚至损坏整流管。本文简单讲讲它的导电原理,并着重讲讲使用注意事项。
一、汞气整流管的简单导电原理
在普通电子管中,残余气体是有害的,因为在高温情况下,各个电极与气体起化学反应,影响电子管的寿命,甚至使电子管损坏。同时,由阴极高速飞向屏极的电子,会撞击气体原子。使其电离。气体原子电离后失去了电子,就变为正离子,正离子的质量比电子大许多倍,当它在电场的作用下奔向阴极时便轰击阴极。破坏阴极的正常工作,甚至使阴极损坏。因此,在制造这类电子管时。要把管内的空气抽得很干净,达到高度真空。但是,真空整流二极管。(例如5Z2P5Z3P、6Z4等)由于整流电流小、管子内阻大等原因,在较大功率的扩音机中做高压整流管已不太适用,这就要求我们设计制作一种新的整流管。在前面分析真空电子管时,我们看到虽然气体的化学反应及正离子对阴极的轰击是不利的因素,然而气体电离后使管内电子数目大大增加,电流增大;正离子在向阴极移动过程中又能中和掉阴极附近的带负电荷的电子云,大大降低管子的内阻。这些特点也正是大功率扩音机整流电路所需要的。如果我们创造条件,设法克服充气的缺点,利用并发扬其优点,就能变不利因素为有利因素。
基于上述想法,我们把管子内的空气先抽净,再充入一种水银(汞)蒸气,就制成一种汞气整流管。为了得到较大的发射电流,采用绉纹的带状螺旋形氧化物作阴极(如图1)。把阴极表面安装在与正离子运动方向相互平行的方向上,使得即使有未被中和掉的正离子碰撞到阴极,也只能损伤它的边缘。另外,阴极外面还加有保护罩,不但可以节省阴极加热功率,而且还可以防止一部分正离子直接撞击阴极或向管壁扩散使玻璃壳发黑。屏极用铁皮涂石墨或只用石墨做成帽盖状。铁与石墨都不与汞起化学反应,也不容易产生二次电子发射,这样就比较有效地消除了化学反应及气体离子的有害影响。

二、使用中应注意的事项
使用时必须按照规定要求去做。表1和表2分别列出了EG1—0.3/8.5和EG1—1.25/10的正常工作数据,供参考。在实际使用时,还必须注意以下几点。


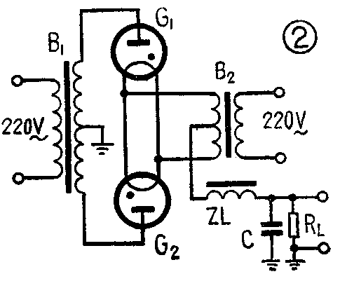
1.使用时不可超过该型号汞气管的最高阳极反向峰值电压—U\(_{amax}\)(EG1—0.3/8.5管为8.5千伏)和所能承担的最大整流电流IZLmax(EG1—0.3/8.5管为0.3安)。尤其应注意不要过荷,因为即使是短时间的过荷也会损坏整流管。使用汞气管的整流电路必须采用电感输入式滤波电路,如图2所示。这种滤波电路当高压刚开启的瞬间,不会产生过大的瞬间电流。如果采用电容输入式滤波电路,当高压开启的瞬间就极容易损坏整流管。

2.管子的使用温度应保持在规定范围内,即20~50℃温度过高,管内汞气压力增大,最高反向峰压将会下降)管子容易产生逆孤;温度过低管内汞气压力低,管子内阻增大,管压降增大。当管压降超过22伏以后,会使正离子移动速度加快,撞击阴极的力量增大,致使阴极很快损坏。
机器工作温度过高时,要保持通风良好。大功率扩音机可用风扇帮助散热;温度过低的机房,可装设取暖设备。
3.开机时注意先开启低压给灯丝预热,待管内温度达到一定程度后再开高压。预热时间可根据周围环境温度决定,夏天预热3~5分钟,冬天可延长到15分钟左右,初次使用或长久放置不用的汞气管,预热时间还要相应延长。一般应在20~30分钟。关机时注意要先关高压,后关低压。
4.灯丝电压不能过高或过低。电压过高,例如超过汞的电离电位(1O.4伏),或者相当于交流有效值7.35伏的峰压时,将会使阴极两端放电,以致使阴极短路;电压过低,管子内阻会增大,管压降增大,容易损坏阴极。所以灯丝电压的变化不应超过规定值的±5%。以EG1—0.3/8.5为例,灯丝电压应保持在2.4~2.6伏之间。
5.由于灯丝采用低压大电流供电,如果灯丝管脚与管座接触不良,很容易造成管子损坏。例如EG1—1.25/10管子,灯丝电压为5伏,灯丝电流为6.75安,若管脚与管座有0.3欧的接触电阻,就会降掉6.75×0.3≈1.9伏的电压,使实际加在灯丝上的电压只有5伏-1.9伏=3.1伏!这是不允许的。
6.防止产生逆弧。整流管在工作时,屏极和阻极间存在交流电压。当屏极上的电位比阴极高时,屏极吸收电子,管子导通;当屏极电位低于阴极电位时,管子截止,这样就完成了整流作用。如果在屏极为负电位时屏极有电子发射,就会被正电位的阴极吸收,形成反向电流。当反向电流很大时,就会破坏管子的整流作用。在汞气整流管里,当电子飞向屏极时,使汞气电离,产生弧光放电;当反向放电发生时,就形成所谓“逆弧”。
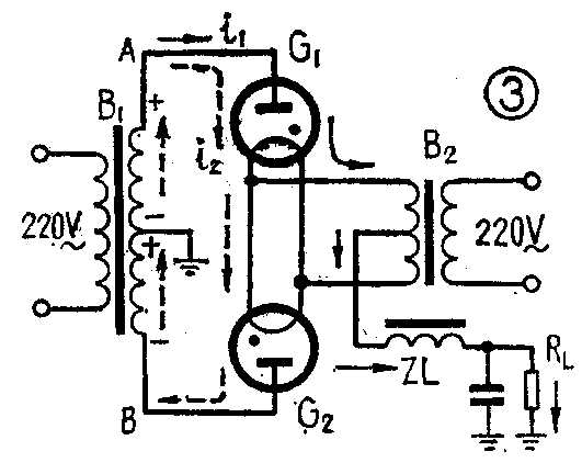
有的逆弧很微弱,维持时间也很短促,不容易被发觉。如果连续发生逆孤,屏极和阴极间会有强烈的火花。此时电源过负荷继电器虽立即跳开,但整流管的阴极已至少受到轻微的损伤。如果屏极电压比较高,逆弧的时间延长(因继电器失灵),则阴极会很快遭到破坏。另外,以图3为例,当工作正常时,主变压器B\(_{1}\)中的电流(图3中的实线箭头)从A端→G1→灯丝→ZL→R\(_{L}\),然后由接地点流回中间抽头,此时G2管是截止的。如果G\(_{2}\)管由于某种原因产生逆弧,电流将按虚线箭头的方向流动,即从A端→G1→G\(_{2}\)→B端,这样就使次级绕组短路,很快就会烧毁变压器。所以逆弧现象是汞气整流电路的一种比较严重的故障,一旦发现管子产生逆弧,应立即关机,换新管子。

产生逆弧的原因一般有下面几种:
①新用的或倒置过的管子没有经过充分预热就开高压,此时吸附在屏极上的水银还没有完全蒸发,当屏极接上交流电源时,屏极就容易发射电子,产生逆弧。因此,当把已经在机器上使用过的汞气管拆下来测试或调换的时候,绝对不可以横放或者倒置。如果已经横放或倒置,水银则会流散到玻璃壳的上部和屏极上,就必须花比较长的预热时间,使水银彻底蒸发掉,才可以接上屏极高压,否则容易发生逆弧。
②环境温度太低,管压降增高,当屏极电流比较大时,屏极温度很高,如果屏极上有了逸出功低的物质,比如从阴极蒸发出来的钡原子等,屏极就会产生热电子发射,形成逆弧。
③灯丝电压偏低、灯丝管脚与管座接触不好或阴极衰老,也会使管压降增加。同时,当屏极上的交流电压从正半周过渡到负半周时,弧光虽然熄灭,但由于阴极发射不足,大量残余正离子没有适时地被中和,此时一部分正离子即向屏极移动。当交流电压比较高,屏极的负电位使正离子撞到屏极上的力量大到使屏极出现“热点”而发射电子,向阴极反流时,即又引起汞气电离。新产生的正离子再撞击屏极,使屏极增加电子发射,反向电流就会越来越大,形成连续逆弧。
④环境温度太高,管内汞气密度太浓,当汞气管在交流负半周停止整流时,在电场的作用下,同样会使汞气电离,降低屏极反向峰值电压,使管子击穿,产生逆弧。
引起逆弧的原因较复杂,多数情况是汞气管质量不好所引起。
7.经常观察汞气管工作时光彩。在正常情况下,管子工作时的光彩是淡蓝色,集中在顶部,且随着负荷的变化不停地跳动;如果光彩发白并且跳动特别快,说明存在短路现象,管子负荷太重,要及时检修。如果淡蓝色的光彩渐变谈,说明管子衰老,快要损坏了。(高玉书)