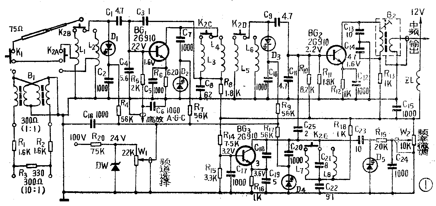
图1是采用电子调谐的频道选择器,它由高放级BG\(_{1}\)、混频级BG2、本振BG\(_{3}\)三部分组成。本电路采用变容二极管作为选择频道的主要调谐元件,有结构简单、可靠性较好、易于自制等优点。由于一般变容二极管的变容范围有限,本电路除采用变容二极管外,在高、低信道还用小型6×2波段开关,同时转换调谐回路线圈来配合调谐,如图中的K2A~K\(_{2E}\)。

变容二极管D\(_{1}\)、D2、D\(_{3}\)、D4分别通过隔直流电容C\(_{2}\)、C7、C\(_{1}\)0、C20与高放输入、高放负载、混频输入和本振回路的电感线圈组成各级调谐回路。其中高放负载与混频输入回路是电感耦合双调谐回路,主要是为了获得较好的通带特性。调节两个回路间距和方向,可改变它们的耦合深度,从而改变谐振曲线。100伏的直流电压经限流电阻R\(_{2}\)0在稳压管DW上取得24伏的稳定电压,经W1分压后通过R\(_{4}\)、R7、R\(_{9}\)、R17分别加到各变容管上,调节W\(_{1}\)可改变分压比,使加到各变容管上的反偏压改变,从而引起电容量的变化,反偏压大时容量小,反偏压小时容量大,起到了选择频道的作用。
天线系统与输入回路的阻抗匹配依靠L\(_{1}\)的抽头来实现。由于高、低两信道的线圈抽头比不同,总谐振阻抗也不同,这样在不同频道上的阻抗匹配较好,驻波系数小,从而提高了选择性和信噪比,减小了增益差。各调谐回路与晶体管输入、输出阻抗的匹配均用电容分压式。高放管BG1的偏置受自动增益的控制。混频管BG\(_{2}\)所取静态集电极电流Ic较小(1.5~2mA),目的是使BG\(_{2}\)工作于非线性工作区,从而得到较大的混频增益。本振BG3为共基极电容三点式振荡器,正反馈电压的大小由C\(_{18}\)、C19容量比值决定,C\(_{18}\)/C19值愈大,反馈电压愈大,振荡愈容易。D\(_{5}\)、C23、R\(_{19}\)、C24、W\(_{2}\)等组成本振频率微调电路。
根据频道选择器的统调要求,当电路中的分布电容为3P时,变容管D\(_{1}\)~D4的电容量在24伏反偏压下应为4P(C\(_{24V}\)=4P),那么C0.5V应在17P左右,否则在低信道时就不能满足覆盖要求。同时各变容管在0.5伏~24伏反偏压下的容量变化应基本接近,这样才能保证正确统调。但是要找出四只变容特性一致的管子是困难的。实践表明,如果四只变容管之间的电容量变化的差值不超过2~3P时,影响并不很大。为了充分利用变容管,可按下式求出对变容范围的要求:
K\(_{f}\)=fmaxf\(_{min}\)
=\(\sqrt{C}\)\(_{0}\).5V+CC24V+C。
K\(_{f}\)为频率覆盖系数,fmax为欲接收最高频道中心频率,f\(_{min}\)为欲接收最低频道中心频率,C为电路分布电容。如果欲接收12频道,那么Kf在高、低两信道分别为:
K\(_{f高}\)=\(\frac{219}{171}\)=1.28
K\(_{f低}\)=\(\frac{88}{52.25}\)=1.68。
可见K\(_{f低}\)大于Kf高,应取K\(_{f低}\)作为计算标准。当C=3P变容管C24V=4P时,根据上式算得C\(_{0}\).5V≈16.7P。所以变容管用C0.5V=17P、C\(_{24V}\)=4P的管子就可以满足要求。表1所列12频道选择器各线圈的绕制数据,就是根据上述变容管的特性给出的。如果变容管的特性不同,则各线圈绕制数据也要作适当改动,可在调试中确定。调谐器中BG1、BG\(_{2}\)要用FT≥600MHz、BV\(_{ceo}\)≥12伏,噪声系数较小的管子,如2G910、2G911、3DG11、3DG18等。BG3用f\(_{T}\)≥400MHz、BVceo≥12伏的管子,如3DG14、2G910、3DG11、3DG8C等。

