日常用的日光灯管都是用220伏、50赫交流电点亮的。现在我们介绍一种在没有交流电的情况下,用直流电源如干电池、蓄电瓶等通过直流变换器变成高频高压交流点亮日光灯的方法。
把直流电变换成交流电的直流变换器线路很多。我们主要实验了图1(a)所示的单管变换器线路(其工作原理请参阅本刊1973年第一期“受贫下中农欢迎的黑光灯”一文)。这种直流变换器线路由于它的脉冲变压器初级线圈中的电流是单向流动的,变压器铁心容易被恒定磁化,使导磁系数μ下降,转换效率变低,一般适用于输出功率较小的场合。

元器件选择和制作
在直流变换器中,脉冲变压器是个关键元件,表1中给出了几种脉冲变压器各绕组的参数。

磁心用MXO—2000、E12型,把两个“E”型磁心对接起来使用;也可用MXO—400—Y10的磁棒,截取两节长30毫米和两节长20毫米的小段,再接成40×30(毫米)2的“口”字型磁心。绕线圈时,L\(_{1}\)、L2、L\(_{3}\)同绕在一边。若用普通的铁氧体磁环,线圈采用穿绕法,L3的圈数要相应减小1/5~1/4。若用坡莫合金和硅钢片作铁心〔用6P1输出变压器或其它截面积为1.5×2.0(厘米)\(^{2}\)的铁心〕,C要增大,可用10微法、耐压10伏的电解电容。对于不同的振荡频率可以选用不同的铁心,表2给出了选铁心的参考工作频率。

绕制脉冲变压器时,应注意绕组的分布电容要小。绕制时,先作一个变压器骨架,然后采用平绕法绕各线圈。先绕L\(_{3}\),每层间用两层电容器纸作绝缘。绕组的出头引线最好用带塑料皮的多股软线,注意每层绕线要离绝缘纸边缘4~5毫米,以免边缘跳火。L3绕完后垫上3~5层黄蜡绸和几层绝缘纸再统L\(_{1}\)。为了便于记忆同名端,初始头上套上红色套管,尾头套上黄色套管。然后绕L2,L\(_{2}\)圈数比较少,可以把L2铺开绕在L\(_{1}\)外面。为了每圈间等距离,条件许可的话可用双线并绕,再拆去一般。L2的初始头也套上红色套管,尾头套上黄色套管。最外层裹上黄蜡绸并用白纸写上数据压在黄蜡绸里面。
组装变压器时,先用棉花把两个“E”字型磁心的对接端面擦净,使两个端面紧紧贴在一起,减少漏磁,否则间隙太大会使电路停振。为了减少磁心的振动,可在相接端面上抹少量白凡士林。因为铁氧体磁心很容易破碎,所以安装磁心时,应缓缓用力把它垂直插入线包中,不得硬敲以免磁心断臂。脉冲变压器外固定架最好用铝板制作,便于保护磁心。
接线时,变压器的L\(_{1}\)红色套管引线接三极管的集电极,L2的黄色套管引线接三极管的基极。 三极管的选取首先应考虑三极管的P\(_{cm}\),如用图1(a)线路点8瓦日光灯,三极管可用3AD6、3AD30、3DD3等管。使用6伏电源电压时,要求管子的BVceo>20伏;对于9伏电源,要求管子的BV\(_{ceo}\)>30伏。管子的β值应在20以上,着管子β值低可用两只管子组成复合管。另外,考虑到日光灯有时用的时间较长,为了线路稳定,要求管子的Iceo、I\(_{cbo}\)、Vces要尽量小,同时选用f\(_{β}\)较高的管子。用图1(a)线路,在Ec=9伏、L\(_{c}\)=300毫安、C=0.33微微法、日光灯管为8瓦的情况下,我们作了四种三极管的实验,结果列于表3(U出为灯管两端电压),供大家参考。

三极管的散热器可用3毫米厚的铝板自制,我们给3AD6管作的散热器如图2,先把铝板裁成图2形状,沿虚线部分折起来,然后在每片上锯些槽,再把管子固定上即可。若能把散热器刷成碳黑色更好。对于功率管3AX81、3AX63可用铝板弯成个圆筒套在管帽上帮助散热。

由于变换器用的元器件很少,可以直接焊在元件板上或图3(a)1:1的印刷线路板上,把它放在底座盒内,外形见刊头。

调试
本电路调试很简单,一般来说,绕组的同名端接对了都会起振。调整时先把电位器调在阻值最大,并在电源与印刷板的-E\(_{c}\)接点间串接上一只1安的保险丝和1安的直流电表,再接上日光灯管,这时应听到“吱吱”声,电流表指示为100~200毫安,日光灯亮。然后调W(阻值减小近似为零),使电流表指示为300毫安,日光灯较亮。若此时电流超过300毫安,应增大固定电阻R,R阻值的选取就是使W值调到最小时,电流为300毫安,以保证灯管亮度较大。这样,通过调整W,使灯管亮度成为可调。当需要照明亮度不大时,可调W减小耗电,延长电池使用时间。调试中接1安保险丝主要是为了保护三极管,因为当W阻值减小时,电流可能很大,若超过1安,就先烧断保险丝,断开电路保护三极管。
其它电路
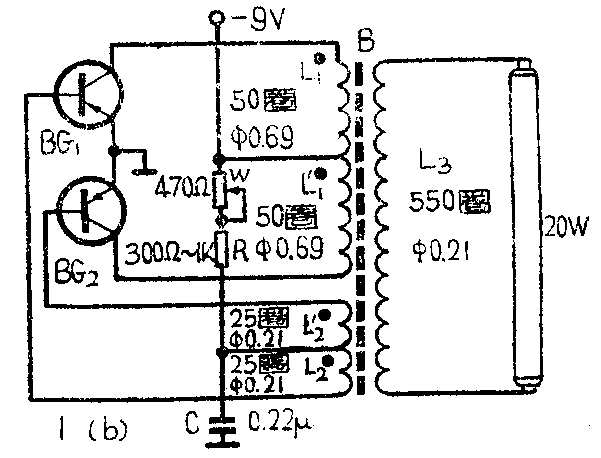
若需点亮功率较大的日光灯管,可用图1(b)所示的推挽双管变换器,它的转换效率较高,对三极管的要求较低。它的印刷线路板见图3(b)。若接8瓦日光灯,三极管可用3AX61~63、3DD1或者用两只3AX81并联使用。


为了使日光灯在低温、低压时也能启辉,可以采用图4所示的三种辅助启辉电路。图4(a)中,接通电源后先按预热开关K,用直流电源给灯丝预热十几秒钟,松开后日光灯就能启辉。图4(b)中,绕制脉冲变压器时再加绕200~300圈的绕组L\(_{4}\)(用与L3相同或比L\(_{3}\)稍细的漆包线绕制),经过一个电容接到灯管的反光罩上,以高压静电场使日光灯启辉。图4(C)中加绕了L4、L\(_{4}\)′灯丝绕组,每组约10圈,线径为0.51毫米,绕制时L4及L\(_{4}\)′绕在L3外面。

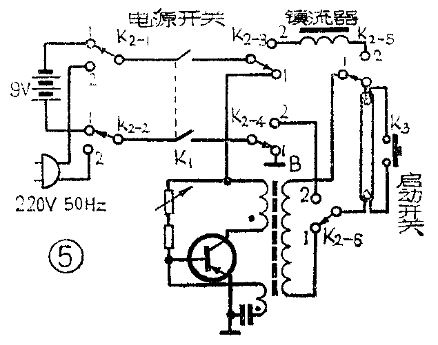
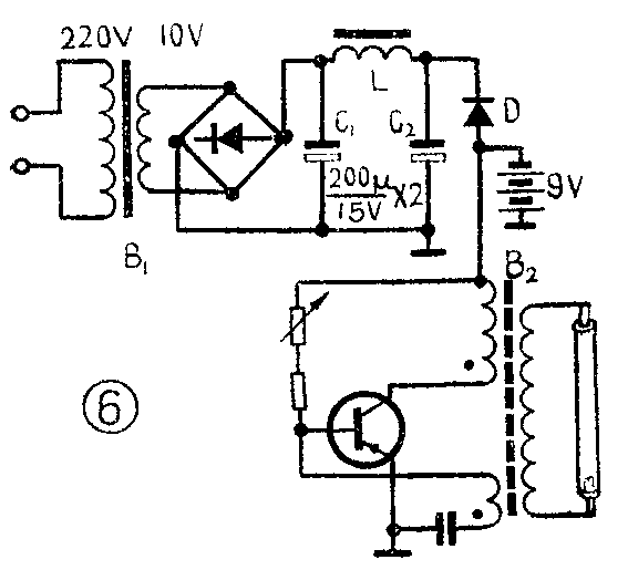
为了使日光灯交、直流两用可接成图5形式,K2为6刀双掷波段开关;也可以接成图6线路,通过整流电源输出一直流电压经隔离二极管加在电池电压两端,当整流电压低于电池电压时,二极管截止,由电池给日光灯供电;当电池电压低于整流直流电压时,二极管导通,整流电源一方面点亮日光灯,另一方面还给电池充电。隔离二极管可用2CZ型等正向电流大于500毫安的二极管。(林永恩)

