这种扬声器具有谐振频率低和失真小等优点,应用日益广泛。采用这种扬声器与中高频扬声器、分频器和适当的扬声器箱组合后,可用于录音监听、会场扩音等高传真放音系统中。
一、一般电动式纸盆扬声器的缺点
一般电动式纸盆扬声器结构比较简单,电性能良好,因而适用于收音机、电视机、录音机和电影放映机等声音重放设备中,但也存在两个比较难克服的缺点:

1.在频率响应曲线中产生峰、谷点:图1为“飞乐”牌YD10-3003型扬声器的频响曲线。可以看出,在1600赫附近出现一个峰点,紧接着又出现一个谷点,更高的频率则产生更多的不规则的峰、谷点。为了找出这些峰、谷点产生的原因,我们可以用电容法测试纸盆振动情况,也可以将白色粉末撒在纸盆上,直接观察扬声器工作时纸盆的振动情况。但当频率较高时,由于纸盆振幅较小,用上述二种方法就不准确或无法观看了。近年来,通过激光全息摄影,在全频带内都可以清楚地看出扬声器工作时,并非象理论上所讲的作活塞振动,而是在纸盆锥体部分产生很多节线,在纸盆边缘产生很多局部振动,一般称为边缘共振。摄影表明,当强烈的边缘共振频率的相位与纸盆锥体部分振动频率的相位相同时形成峰点,相反时则形成谷点。并在该频率附近产生较大的谐波失真。实践证明,大多数扬声器都存在着中频谷点。为了减小这些峰、谷点和谐波失真,我们可以在纸盆边缘增加阻尼,如涂上软性橡胶或选用适当的纸浆材料和工艺。但要完全消除中频峰、谷点和谐波失真还是比较困难的。图1中虚线为涂软性橡胶后同一只扬声器的频响曲线。
2.众所周知,如果把扬声器放在无限大障板上,扬声器的频率下限便取决于扬声器本身的谐振频率,因此要获得较好的低频响应,扬声器的谐振频率应较低。“飞乐”YD10-3003型扬声器的谐振频率只有55±10赫,因而低频响应不是最理想的。用类比线路可求得扬声器的谐振频率的公式如下:
f=\(\frac{1}{2π}\)\(\sqrt{C}\)\(_{m}\)(Mm+M\(_{A}\))
式中:C\(_{m}\)——扬声器振动系统的总顺性(牛顿/米);
M\(_{m}\)——振动系统的质量(千克);
M\(_{A}\)——纸盆振动时空气负载质量(千克)。
上式表明,要降低扬声器的谐振频率,可以在音圈或纸盆上附加质量,使M\(_{m}\)增大。但这样容易引起碰圈,因此很少采用。其次也可以增加振动系统的总顺性,即纸盆和定位支片的顺性。为此,纸盆边缘必须做得很薄,但边缘太薄,势必影响纸盆的牢固度,因而纸盆的谐振频率不能做得太低,也就限制了纸盆扬声器的低频响应。飞乐YD10-3003扬声器的参数为:f0=55±10赫,C\(_{m}\)=5×10\(^{-}\)4牛顿/米;Mm=0.015千克,M\(_{A}\)=0.002千克。
二、橡皮边扬声器的结构和特点
随着我国电子工业的发展,近年来频带宽和失真小于1%的大功率扩音机已成批生产,并广泛用于电影录音、电台监听和全场扩音等场合,但作为声音重放设备的纸盆扬声器由于存在上述缺陷已不适应形势的需要。为此我厂广大职工在党组织的领导下,贯彻独立自主、自力更生的方针,组织三结合设计小组,陆续试制成功各种规格的橡皮边扬声器,经有关部门试用,收到良好的效果。
橡皮边扬声器的结构如图2所示。从图中可看出,它与一般电动式扬声器的工作原理是一样的,只不过是纸盆边缘用的材料不同而已。由于纸盆过缘采用富有弹性和内阻尼的丁腈橡胶(或其他橡胶),因而可以使扬声器的谐振频率很低,另一方面也大大削弱了边缘共振的危害。图3为“飞乐”牌YD10-3006型橡皮边扬声器的频率响应曲线,曲线非常平坦,几乎完全消除了由边缘共振引起的中频峰,谷点。满功率时的谐波失真均在5%以下,实测为2%左右,比一般纸盆扬声器小得多。该扬声器的谐振频率为15~25赫,其顺性为C\(_{m}\)= 30×10\(^{-}\)4牛顿/米。因而这类扬声器又称低共振扬声器,或大顺性扬声器、气垫式扬声器(振动系统象靠空气支撑)。橡皮边的几何形状有二种:一种是往外“凸”,另一种是往里凹(见图2下部小图)。由于扬声器工作时纸盆作往复运动,驱动周围空气发出声音。因此这二种形状的边缘的效果是一样的。橡皮边与纸盆的粘结可用酚醛丁腈粘合剂,也可以用88号橡胶胶合剂。为了获得良好的线性,以减少扬声器的互调失真,我厂各类橡皮边扬声器均采用长音圈。


由于这类扬声器的谐振频率很低,所以配合较小的扬声器箱就可获得满意的低频响应,因而最适用于受空间限制的声音重放环境中。
三、橡皮边扬声器的使用
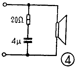
如上所述,橡皮边扬声器虽然有失真小和谐振频率低等优点,但事物都是一分为二的。由于这类扬声器的纸盆边缘采用橡胶或其他阻尼大的材料,再加上纸盆和音圈的质量都较大,因而导致了扬声器的效率大大降低。根据实测结果,其平均声压级一般较同类型扬声器低2~4分贝、个别产品甚至低10分贝。为此扩音机的功率应相应增加,以免引起扩音机过荷失真。其次,扬声器工作时,纸盆前面辐射的声波与背面辐射的声波是一样的,但相位相反,因此扬声器工作时一定要装在大小合适的箱子里才能获得较理想的低频响应,否则会产生“声短路”,致使纸盆振幅过大,损坏音圈和纸盆。第三,为了获得平坦的频率响应和减少互调失真,我厂各类橡皮边扬声器均采用四层平绕长音圈,圈数多、感抗大,尤其在高频段更显著。因此,当这类扬声器与分频器配合使用时,由于阻抗不是纯阻,因而容易引起扩音机的失真。为此,可在橡皮边扬声器二端并接适当的电阻电容,使其总阻保持不变,具体线路见图4。是否要按这二个元件,和所用扩音机有关,可通过试验自行确定。(上海无线电十一厂 黄旭聪)
