在农业学大寨、普及大寨县的群众运动不断深入发展的大好形势下,我厂试制成功了TC-A型土壤综合测试仪。它可以测定土壤和灌溉水中的养分(氮、磷、钾)。含盐量、温度,是一种适合广大贫下中农开展科学种田和土壤综合普查工作的普及型仪器。
原理:
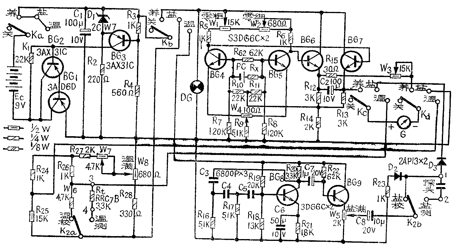
本仪器分稳压、测养、测盐、测温四个部分。电路如图所示。

测养部分采用差分放大器以提高仪器的准确性。根据比尔定律,测定通过溶液的光强即可知道溶液的浓度。采用稳压的灯泡DG发出的光,透过盛有待测溶液的比色皿(可用玻璃试管代用)照射在硅光电池PC上。硅光电池接受不同强度的光照可产生不同大小的电流,经BG\(_{4}\)、BG5组成的差分放大器和BG\(_{8}\)、BG7放大,由电表G指示出来。BG\(_{4}\)、BG5和BG\(_{8}\)、BG7是采用两个双三极管S3DG6C,也可以用两对特性基本相同的3DG6C来代管两个S3DG6C。
测盐部分采用RC振荡电路。由于溶液的电导率随其含盐量的变化而变化,所以测量溶液电导率的大小就可以知道含盐量的多少。RC振荡电路产生的交流电压由BG\(_{9}\)的发射极输出经D2、D\(_{3}\)检波后变成直流电送至电表。在BG9的输出端接有用不锈钢制的电导电极探头,探头插在不同浓度的盐溶液中,其导电率不同,电表的指示也不同。测盐范围为0~1000PPM(±5PPM)。
测温部分采用桥式电路,热敏电阻探头直接接在电桥的一臂。当探头插在旱地或水田里时,热敏电阻阻值随地温或水温变化,由此而引起的电桥输出电流的变化可在电表G上反映出来。测温范围为0℃~50℃(±0.5℃)。
使用:
一.测养
1.测氮、磷、钾时分别选用红、绿、蓝三种不同的滤色片。
2.打开仪器盖,将零溶液(蒸馏水或离子交换水)倒入比色试管,推入光路,将开关K拨在“养”,调整旋钮“零粗”、“零细”,使表头指示为零。然后用另一比色试管分别倒入不同浓度的标准溶液,作出标准曲线图。
3.保持旋钮不动,零溶液不变,将待测溶液倒入另一比色皿推入光路,根据表头上得到的读数可在曲线图上查得浓度数。
二、测盐:
1.将开关K拨至“盐”。旋钮开关K\(_{2b}\)。拨至“盐校”,调整“盐满”,使表头指示为满刻度。
2.将测盐探头插入测盐插座(图中1、2两点所示为插孔位置),K\(_{2b}\)拨至“盐测”,此时表头指示为零。将探头插入被测溶液中,可在表头上得到读数。将此读数代入下式即可算出溶液浓度。
实际值(PPM)=表头读数×稀释倍数×〔1+(25℃-T)×2%〕。式中:T—测量时的溶液或环境温度。
三、测温:
1.将开关K拨至“温”,旋钮开关K\(_{2a}\)拨至“温校”,调整“温满”旋钮,使表头指示满刻度。
2.将测温探头插入测温插孔,开关K\(_{2a}\)拨至“温测”位置,把探头插入将测土壤或其它待测物中,就可以从表头上得到实际温度数。
四、使用注意事项:
仪器使用时不宜放在强光下,以避免外界干扰。使用间歇时,注意随时关断电源,间歇使用,以延长于电池使用时间。用后将“零粗”、“零细”、“养满”、“盐满”、“温满”等旋钮旋至最小位置。
一般故障及排除方法:
1.测养无输出。可能是干电池接触不良或是灯泡DG损坏、光电池PC接线松脱。
2.测盐时不能调到满度或是无输出。此时产生故障的原因可能是: a.电池接触不良。b.晶体管损坏,RC振荡器不起振。c.振荡器输出峰值太小,可调整R\(_{21}\)的值。 d.电容C8损坏,更换时注意正负极不要接反,正极接W\(_{5}\)中心抽头。
3.测温时表头指针反向。主要是热敏电阻脱落,可检查测温探头。
4.电源用的干电池电压低于7.5伏,短路电流小于300是毫安时,仪器无法工作。(荆州地区农用电子仪器厂)