在各种电子设备中经常要同时用到两组电压相等而极性相反的直流电源,常采用如图1所示的同时具有正负两路输出的电路。但是这种整流电路一共需要八只整流二极管。我们在这里向大家介绍一种只用四只整流二极管而又同时能供给正负两路等压输出的整流电路,即“对偶式整流电源”。

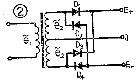
对偶式整流电路既有桥式整流电路效率高、变压器绕组少的优点,又有全波整流电路所用二极管少的优点,其电路原理如图2所示。当变压器初级接上交流电压e~\(_{1}\)时,在次级上便得到一对电压e~2,他们对于“o”点来说彼此恰好相差180°。在正负半周时电路的导通情况分别如图3(a)和(b)所示。这里我们省略了二极管导通时的正向压降,把导通二极管视为“短路”,故不画出。图3(a)为输入电压正半周时的情况,由于D\(_{1}\)、D4导通,D\(_{2}\)、D3 截止,电流分别沿a、b、c、o、a流过R\(_{fz1}\)及沿o、c、e、f、o流过Rfz2。图3(b)为输入电压负半周时的情况。此时D\(_{1}\)、D4截止而D\(_{2}\)、D3导通,电流则改由经f、b、c、o、f流过R\(_{fz1}\)和经o、c、e、a、o流过Rfz2。从图上不难看出,不管是在正半周还是负半周,R\(_{fz1}\)和Rfz2上均有电流流过,并且方向是不变的。从图上还可看出,流过R\(_{fz1}\)的电流Id1和流过R\(_{fz2}\)的电流相对“o”点却正好相差180°(一个流入节点c、一个流出c点),放在Rfz1和R\(_{fz2}\)上得到两个大小相等(由e~2决定)方向相反的两组直流电压。其波形如图4所示。



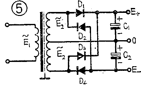
实际运用中对偶式整流电路的输出端还并联有两个滤波电容C\(_{1}\)和C2,经过滤波处理后的电压再供给电子设备应用,在很多情况下还要经过稳压处理。图5画出了一个实际所用的对偶式整流电路。各元件的选择可按下列步骤进行:

1.D\(_{1}\)、D3由流过负载R\(_{fz1}\)上的电流Id1所决定,二极管允许电流的平均值I\(_{D1}\)=ID3≥0.5I\(_{d1}\)。D2、D\(_{4}\)由流过负载Rfz2上的电流I\(_{d2}\)决定,二极管允许电流的平均值ID2=I\(_{D4}\)≥0.5Id2。四只整流二极管的耐压是一样的,V=2\(\sqrt{2}\)E~\(_{2}\)≈2.36E(E~2为变压器次级电压有效值,E为输出直流电压E+或E-的绝对值)。
2.次级电压有效值E~\(_{2}\)=E/1.2。次级电流有效值IE~2=(1~1.5)I\(_{dmax}\)(Idmax表示负载中电流最大的一路的值)。
3. 滤波电容取几百到几千微法。
设计举例:
有一个需要同时输出±9伏、100毫安的两路稳压电源,其稳压部分要由图5所示的对偶整流电路供给±12伏的电压,考虑到稳压电路的功耗,整流电路要供给的电流约为110毫安。计算所需选用的整流管的耐压和允许承受的电流值,并确定变压器的次级电压、电流值。
先确定整流管。由于两路均需提供110毫安的电流,故四只二极管的允许电流值应一样。I\(_{D}\)≥0.51Id=0.5×110=55毫安。二极管的反向耐压V\(_{D}\)≥2.36E=2.36×12≈28.3伏。2CP6A的反向耐压为100伏,最大整流电流为100毫安,故可选用。
变压器次级电压E~\(_{2}\)≈E/1.2=12/1.2=10伏。次级电流IE~2≈1.5I\(_{d}\)=1.5×110=165毫安。C1、C\(_{2}\)取500微法、15伏。电路见图6。(黄立人)
