初学无线电的同志从无线电书刊上看到一些电路图,这些图有什么用途,起什么作用,下面来谈谈这个问题。
一、电路图说明了什么
大家都用过手电筒,当我们按下按键开关的时候,小灯泡就亮了,这是什么道理呢?我们把手电筒的电路画出来再分析一下。图①画了一些符号,它们代表小灯泡、电池和按键。用连接线代表电筒外壳的导电体,把小灯泡、电池和按键连接起来。这就是一个手电筒的电路图。当我们按下按键时,电路便接通,电流从电池正极流出经过小灯泡,回到负极,小灯泡就发亮;放开按键,电路中断,电路内没有电流流动,小灯泡就不亮了。图①说明了手电筒的工作原理,表明了电筒的安装接线方法。这就是电路图的用途。由于它表示了电路的来龙去脉,说明了电流的流动情况,所以我们叫它为“电路图”或者叫电路原理图。按照这个电路原理,不仅可以做成手电筒,还可以做成其他形式的灯具,如台灯等。

从图①我们看到小灯泡、电池、按键开关等仅仅是一些符号,用这样的符号画起来比起画实物要简便得多,避免了一些与电路无关的东西、既简单明了、又便于记忆。特别是在无线电技术中,记住元件的符号和一些典型的电路,便于学习,同时给工作带来方便。无线电元件在电路图中用什么样的符号表示,有关部门有统一的规定。
二、为什么要电路图
当我们打开一台半导体收音机的后盖,就会看到各种各样的元件竖立在底板上,如果你想了解它的构造、性能和有什么特点,仅仅从实物的分布排列上是很难看出来的。但借助于电路图,就可以一目了然。
电路图不仅告诉我们整机电路的构造和性能,而且还告诉我们各个元件的型号规格和数值,我们在组装收音机时就可以根据电路原理图去选择所需要的元件。对于一台电路复杂又不熟悉的收音机,在修理或组装时也要借助于电路图。所以初学者在学习无线电时,要先学会看无线电电路图。
三、电路图的种类
无线电电路图一般有电路原理图、安装图和方框图三种。
(一)电路原理图
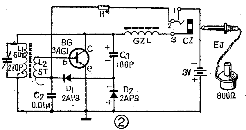
电路原理图表明电路的工作原理,在这种图上,用符号来表示各种无线电元件,它画出了各个元件和电路的连接情况,在各个元件旁边还注明它的规格型号和数值。例如图②中,线圈L\(_{1}\)和可变电容C1组成调谐电路,可以选择电台。通过磁性天线、L\(_{1}\)和L2把选到的电台信号交连到三极管BG\(_{1}\)进行放大,然后经二极管D1、D\(_{2}\)倍压检波,再送回三极管进行音频放大(叫来复放大)再送到耳机,就可以听到电台播音。为了提高灵敏度和选择性,把三极管输出的一部分高频信号通过电感耦合送回三极管的输入端再进行一次放大,这叫再生电路。我们有了这种原理图,就可以研究电路的来龙去脉,也就是电流怎样在元件和导线里流动,从而能分析整机的工作原理。

(二)安装图
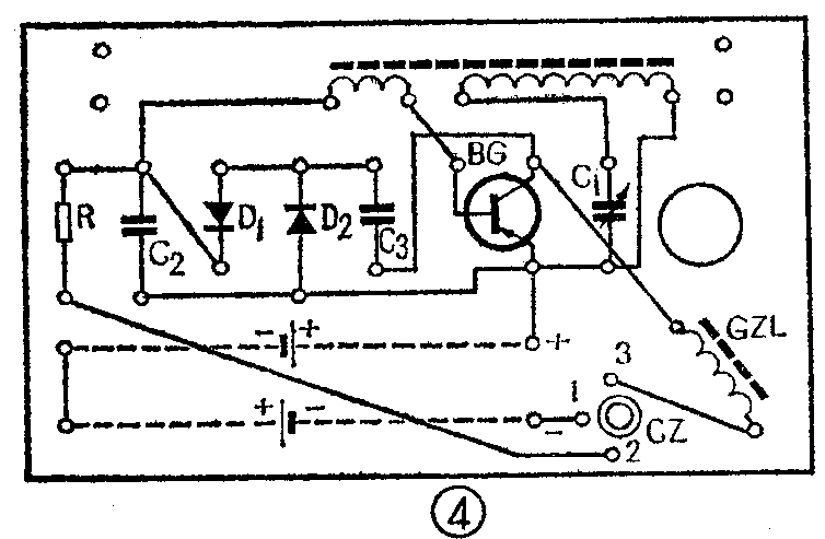
安装图也就是布线图,如果用实体表示的又叫实体图,按照图②原理图画出实体图如图③所示。如果元件是用符号表示,但是按照实体的大小来确定元件的位置和方向,并且画出它们之间的连线,从底板的下面看,就是一幅布线图。如图④,通常把元件放在底板上面,元件排列要整齐,分布要均匀合适,同时要考虑到操作方便。例如收音机里选台的可变电容器放在右手一边,控制音量的电位器放在左手一边。元件排列还要注意防止干扰。例如高频扼流圈不能太靠近磁性天线。接线分布在底板下面,连接线要尽量短、粗、直。如果是印刷电路板,还要避免连接线交叉。可以利用元件本身的引出线跨接过去。有了安装图,我们就能很方便地把元件对号入座,很容易就可以焊完一台收音机。


(三)方框图
方框图仅仅表示整个机器的大致结构,包括了哪些部分,每一部分用一个方框表示,有文字或符号说明,各方框之间用线条连起来,表示各部分之间的关系,方框图只能说明机器的轮廓以及类型,看不出电路的具体连接方法,也看不出元件的型号数值。例如四管机是在单管机的基础上增加了一级前置音频放大,一级功率放大,使输出增大到能推动喇叭发出声音来。用方框图表示如图⑤。虚线框内是单管机部分的方框图。(同辉)
