目前晶体管无变压器功率输出电路(简称OTL电路),很受工农兵的欢迎,而一架优质扩音机的放音效果的优劣,往往取决于在整机电性能中占主要地位的主放大器,即末级功放电路是否理想。这里我们向大家推荐一个经过多次试验效果良好、能适用于10~45伏范围内各种不同电压的全硅管无变压器功率输出电路。
一、电路特点
1.在元件耐压许可范围内,能够自动适应10~45伏内的各种不同的电源电压而无须调整电路的任一元件。
2.电路对温度的变化具有较一般OTL电路敏感的自动补偿作用。
3.由于全部采用硅元件,并加了较深的负反馈,使电路频响在20赫~200千赫为-1.5~-2分贝,失真小,工作稳定。
4.电路安装调试方便,元件要求低。只要按所列元件表的要求,在少数几个元件的挑选上稍加注意就可省去一般OTL电路的调整手续,给缺少仪器调整的业余爱好者带来不少方便。
5.电路稍加改动,就能成为一个无电容功率输出(简称OCL)电路。
二、电路工作原理
1.差动放大器:图1就是一个差动放大器。R\(_{3}\)、R4是BG\(_{1}\)、BG2管的直流偏置电阻。R\(_{c}\)是负载电阻,Re是二管公用的发射极电阻。只要适当挑选R\(_{3}\)、R4,就可使二管正常工作在放大区。如果在差动放大器的二个输入端子间输入一个信号U\(_{sr}\)(如图1),并由两个相等的电阻R1、R\(_{2}\)分压,将分别使b1、b\(_{2}\)得到1/2Usr。如果说b\(_{1}\)得到的是+1/2Usr,则b\(_{2}\)得到的是-1/2Usr。这种信号输入的方式叫做差动输入,就是说输入总信号是两管分别得到的输入信号之差:
1/2U\(_{sr}\)-(-1/2Usr)=U\(_{sr}\)

由于b\(_{1}\)、b2得到的总是相位相反的信号,现在设b\(_{1}\)的输入信号使Ube1增加了ΔU\(_{be1}\),于是Ib1↑→I\(_{e1}\)↑→Ue↑;与此同时b\(_{2}\)的输入信号使Ube2减少了ΔU\(_{be2}\),于是Ib2↓→I\(_{e2}\)↓→Ue↓。

如果我们把U\(_{sr}\)只送入b1端,b\(_{2}\)无信号输入,如图2。当信号Usr全部加在b\(_{1}\)端时,我们设该信号使Ube1增大,这时BG\(_{1}\)管的Ib1↑→I\(_{e1}\)↑→Ue↑,由于BG\(_{2}\)管基极电位已固定,所以Ue的增大只能使U\(_{be2}\)减小。这时BG2管就产生了同BG\(_{1}\)管相反的变化:Ib2↓→I\(_{e2}\)↓。如果电路参数对称,Re又很大,那么I\(_{e1}\)增加的量就等于Ie2减少的量,换句话说,U\(_{sr}\)被Re给BG\(_{1}\)、BG2各分了一半,与图1的效果一样。
从上述可知,无论从b\(_{1}\)、b2双管输入信号,还是从b\(_{1}\)单端输入信号,都同样使两臂的Ie发生相反的变化。如果R\(_{e}\)相当大,就可以认为两管的Ie的变化量ΔI\(_{e1}\)、ΔIe2的绝对值相等,方向相反。由于U\(_{e}\)=(Ie1+I\(_{e2}\))Re,所以在有差动信号输入时,U\(_{e}\)=(Ie1+ΔI\(_{e1}\)+Ie2-ΔI\(_{e2}\))·Re=(I\(_{e1}\)+Ie2)·R\(_{e}\)。这就表明:当差动信号输入时,Re的压降不变,因而R\(_{e}\)对差动信号无负反馈作用。

如果在b\(_{1}\)、b2同时输入一个幅度相等、相位相同的信号(如图3)时,电路的工作情况将如何?由于输入同幅度、同相位的信号,这时将使U\(_{be1}\)、Ube2等量增加或减少。现设信号输入使U\(_{be1}\)、Ube2同时增加,那么I\(_{e1}\)↑,Ie2↑,U\(_{e}\)=(Ie1+ΔI\(_{e1}\)+Ie2+ΔI\(_{e2}\))·Re。如果电路参数对称,ΔI\(_{e1}\)=ΔIe2,I\(_{e1}\)=Ie2,则U\(_{e}\)=2(Ie1+ΔI\(_{e1}\))·Re。这就是说U\(_{e}\)上升了2ΔIe1·R\(_{e}\)。Ue的这个增加量使加到两管b-e极的U\(_{be1}\)、Ue2同时减少了2ΔI\(_{e1}\)·Re。在R\(_{e}\)相当大的条件下,U3的增加量抵消了输入信号使U\(_{be1}\)、Ube2的增加量。可见R\(_{e}\)在同相位的信号输入时具有强烈的负反馈作用。这种负反馈作用可以有效地补偿温度对管子的影响。
图4是晶体管的U\(_{be}\)~Ib曲线,可以看出当温度上升(从t\(_{1}\)~t2)时,曲线移向纵轴,由曲线1变为曲线2,I\(_{b}\)将随着增大。这种由于温度上升而引起两管的Ib1、I\(_{b2}\)的增加量和前述情况相当,等于在两管输入端加入同相等幅信号。因此,同样由于Re的负反馈作用产生的ΔU\(_{e}\),可以有效地抑制由于温升而增加的两管的Ib,使电路工作不受温度影响。

由上述可知,R\(_{e}\)对电路的温漂有较强的抑制作用,但Re必须相当大,而且我们总希望抑制作用能强些,这就要加大R\(_{e}\)。但在电源电压固定而又要保证晶体管正常工作的情况下,Re是不可能很大的,这从图3可看出,E\(_{c}\)=Ue+U\(_{ce}\)+Uc,如果E\(_{c}\)一定,Re大则U\(_{e}\)也大,这时Uce就会减小,R\(_{e}\)大到一定程度,就使Uce降到不能维持三极管的正常工作。因此加大R\(_{e}\)是有一定限度的。怎样既能使晶体管正常工作而Re又尽可能大呢?实践证明,运用晶体管恒流源电路,可以有效地解决这一矛盾。

2.晶体管恒流源电路:什么叫恒流源呢?如图5中U\(_{s}\)是一个信号源。Rn是这个信号源的内阻,R\(_{fz}\)是负载电阻。流过Rfz的信号电流是:I=U\(_{s}\)/(Rn+R\(_{fz}\))。如果式中的Rn远大于R\(_{fz}\)的话,Rfz就可忽略不计,I=U\(_{s}\)/Rn。此式表明当R\(_{n}\)》Rfz时,I同R\(_{fz}\)的大小无关。这个不受负载影响,能向负载提供一个恒值电流的信号源我们称它为“恒流源”。可见一个理想的恒流源要具有一个重要条件:Rn=U\(_{s}\)/I=∞。这样无论Rfz怎样变化,I总可以保持不变,但R\(_{n}\)=∞是不可能的,我们只能使Rn尽可能大到使R\(_{fz}\)可以忽略的程度,就可以认为这个信号源是恒流源了。

我们用一个三极管就可以组成R\(_{n}\)很大的恒流源。从图6可知,晶体三极管正常工作时,Ic只同I\(_{b}\)有关(因Ic=βI\(_{b}\)),一旦Ib有确定值,I\(_{c}\)也就基本固定了。Uce的变化不会对I\(_{c}\)有很大影响,我们在图中可直观地看出,尽管Uce的变化量ΔU\(_{ce}\)很大,但Ic的变化量ΔI\(_{c}\)却很小。这说明晶体管的动态内阻ΔUce/ΔI\(_{c}\)是一个很大的值,约几百千欧,但它的直流内阻Uce/I\(_{c}\)却很小。所以用晶体三极管可以组成一个Rn很大的恒流源,用它来代替差动放大器中的R\(_{e}\)是很理想的。图7就是一个恒流源电路。图中D是一个稳压二极管,R给D提供一个工作电流,使b点对地之间得到一恒定电压Ub。电路中U\(_{b}\)=Ue+U\(_{be}\)。当由于某种原因使I上升了ΔI时,ΔI在Re上的压降ΔI·R\(_{e}\)增加,即Ue增加,而U\(_{b}\)不变,从上式可知Ube就减少,I也随之减少了,保持了流经R\(_{fz}\)的电流I恒定。在这个恒流电路里,恒流的关键是b点电压的稳定,我们称D·R为恒压电路。稳压管D也可以用一个三极管代替,组成恒流源电路中的恒压部分,如图8。现在来讨论Ub怎样保持恒定。


设U\(_{b}\)上升了ΔUb,U\(_{be1}\)↑→Ib1↑→I\(_{e1}\)↑→URe↑→U\(_{be2}\)↑→Ib2↑→I\(_{c2}\)↑→UR↑→U\(_{b}\)↓,结果使Ub稳定。可见只要U\(_{b}\)有一微小的变化ΔUb,就会产生一个很大的变化量ΔI\(_{c2}\),这样BG2的动态电阻R\(_{n}\)=ΔUb/ΔI\(_{c2}\)就可认为是较小的,所以当Ec变动较大时,U\(_{b}\)点对地取得的分压是不会改变的。这个恒压源同样能保证恒流源BG1的恒流工作。用三极管代管二极管,不仅效果较好,而且从下面分析可知U\(_{b}\)既要恒定又要稳定在1.4伏,挑选这种稳压值的稳压管不容易,而挑选一个BVceo>3伏、β在20左右的普通晶体三极管比较容易。
3.恒流源差动放大器:前面讨论差动放大器时曾要求在维持差动管正常工作的前提下R\(_{e}\)尽可能大,现在用晶体管恒流源来代替Re就可达到这个目的,本文介绍的电路的输入部分就是这样一个恒流源差动放大器,如图9。

先分析这个电路的静态(即直流)工作情况。这时可以把对直流工作无影响的C\(_{1}\)、C2、C\(_{3}\)都看成开路。图中虚线画的R9、R\(_{1}\)0是为了使Z点得到一模拟后面BG8、BG\(_{9}\)的串联分压。R1、R\(_{2}\)两个阻值相等的电阻把Ec分压,使a点电压为1/2E\(_{c}\)。由于流过R3的BG\(_{1}\)基极电流Ib1很小,所以I\(_{b1}\)在R3上的压降可以忽略。这样b点电压U\(_{b1}\)≈Ua=1/2E\(_{c}\)。电路Z点电压是由BG8、BG\(_{9}\)串联分压决定,同样为1/2Ec。同样可忽略I\(_{b2}\)在R8上的压降,认为U\(_{b2}\)≈Uz。于是U\(_{b1}\)=Ub2=1/2E\(_{c}\)。通常Z点电压称为中点电压。
电路中我们使BG\(_{1}\)、BG2的集电极电流为1毫安,因此恒流源供给BG\(_{1}\)、BG2的电流应为I\(_{c1}\)+Ic2=2毫安=I\(_{c3}\)。流过R5的电流应为2毫安。R\(_{5}\)上的压降就是BG4的U\(_{be4}\),为0.7伏,因此R5=0.7伏/2毫安≈330欧。由此可见BG\(_{1}\)、BG2两管的工作电流均受R\(_{5}\)控制。Ub3,即U\(_{ce4}\)是BG3、BG\(_{4}\)两管的Ube之和,即U\(_{b3}\)=Ube3+U\(_{be4}\)=0.7+0.7=1.4伏。R7、BG\(_{4}\)这一支路的工作电流Ic4=(E\(_{c}\)-Ub3)/R\(_{7}\)=(Ec-1.4)/5000。R\(_{4}\)上的直流压降为UR4=I\(_{c1}\)·R4=1毫安×680欧≈0.7伏,这一电压将为后面BG\(_{5}\)提供直流偏压。
再来看看这部分电路的动态(即交流)工作情况。当电路输入端输入一信号U\(_{sr}\)时,设信号在正半周使Ube1增加,这时I\(_{b1}\)↑,Ic1↑,由于BG\(_{3}\)是恒流源,Ic3=I\(_{c1}\)+Ic2这一值是不变的,所以I\(_{c1}\)↑就必然使Ic2↓,如前面对图2电路的分析一样,在BG\(_{1}\)输入端得到的是Usr/2,因此在负载R\(_{4}\)上得到的输出信号电压,是单管放大电路输入Usr时所能输出的电压的一半。
如果由于温度上升,相当于在电路两端同时加上等幅度同相位信号,则发生下列过程:

可见由于恒流源的恒流作用,使得温度或其他使I\(_{c1}\)、Ic2同时增加或减少的因素对差动电路的影响减到最小程度。
电路中C\(_{1}\)是耦合电容。C2用以滤去R\(_{1}\)R2分压点上残留的电源中的交流分量。R\(_{3}\)既把R2上分压得到的基极偏压加到BG\(_{1}\)基极,又使C2同BG\(_{1}\)基极隔离,免得把有用的信号旁路掉。R3一般取BG\(_{1}\)输入阻抗的十倍以上,就能使大部分信号加到BG1,不致被R\(_{3}\)C2旁路。
R\(_{6}\)、R8、C\(_{3}\)是一负反馈网络,用以改善电路的失真和频响。
4.电压、电流放大电路:这部分由BG\(_{5}\)、BG8、BG\(_{9}\)、BG10、BG\(_{11}\)组成,如图10。

BG\(_{5}\)作电压放大。它的偏置如前述是取自Ic1在R\(_{4}\)上的直流压降。BG7是BG\(_{5}\)的一个负载,它也是一个恒流源。前面分析过,Uce4=1.4伏是恒定的,这样U\(_{R9}\)=Uce4-U\(_{be7}\)=1.4-0.7=0.7伏也是恒定的,于是恒流源BG7提供给BG\(_{5}\)的电流是恒定的;它的数值是:Ic5=0.7/R\(_{9}\)=0.7/150≈5毫安。
BG\(_{8}\)、BG9、BG\(_{1}\)0、BG11是电流放大级,如图11。我们先讨论一下电路中ab两点间应得到多少偏压。从图中可看出ab两端电压应是U\(_{be8}\)+UR12+U\(_{be9}\)。而UR12=U\(_{be1}\)0(R14很小,它上面压降忽略不计)。由于BG\(_{8}\)、BG9、BG\(_{1}\)0三管均为硅管,它们的Ube都是0.7伏,所以ab两端提供的电压是U\(_{be8}\)+Ube9+U\(_{be1}\)0=0.7伏×3=2.1伏。BG11的偏压是取自I\(_{c9}\)在R13上的压降,也应为0.7伏。BG\(_{8}\)、BG9的静态电流是U\(_{R13}\)/R13= 0.7/220≈3毫安。

在ab点间接一个电阻就能够为ab间提供2.1伏电压,由于流过的电流为5毫安,所以电阻应采用2.1/5×10\(^{-}\)3=400欧。但这样效果不好,采用400欧电阻后会使BG\(_{8}\)、BG9两管基极得到的信号电压在一定程度上不等,因为电阻对直流和交流都有压降。而用如图11的电路就可以避免这一缺点。通过简单的计算可知, BG\(_{6}\)的动态电阻只有几十欧,BG6加上R\(_{1}\)0、R11组成的偏置电路的动态电阻也很小,比400欧小得多,BG\(_{8}\)、BG9两管基极电位就基本相等了。可知BG\(_{6}\)、R10、R\(_{11}\)这一偏置电路实际上是又一个恒压电路。这个恒压源也可用几个二极管和一微调电阻串联电路的压降得到(利用二极管的正向压降),但这时几个元件串联的动态电阻值就要大多了,所以效果也不好。这里对BG6管的要求同对BG\(_{4}\)管的要求一样,是很低的。BG6的BV\(_{ceo}\)>3伏,β在30左右即可。
现在再来看看BG\(_{6}\)、R10、R\(_{11}\)是如何为ab端提供2.1伏偏压的。由于Uce6=2.1伏,而U\(_{be6}\)=0.7伏,所以Uce6/U\(_{be6}\)=2.1/0.7=3/1。因此(R10+R\(_{11}\))/R11也应为3/1。现设流过BG\(_{6}\)的电流Ic6为3毫安,流过R\(_{1}\)0+R11支路的电流为2毫安,则R\(_{1}\)0+R11=2.1伏/2毫安≈1千欧,为了同时满足上述两个条件,所以R\(_{1}\)0取680欧,R11取330欧。考虑到BG\(_{6}\)的输入电阻的并联影响,R11宜用390欧左右。BG\(_{6}\)除了用作偏置电路外,还起到稳定偏置的作用,当BG5这一支路电流由于其他电路故障而大大增加时,由于BG\(_{6}\)是一恒压源,a、b两点间的电压不会变动,从而保护后面末级四管的静态工作不致因Ic5。增大而破坏。BG\(_{6}\)还有温度补偿作用,后面再讲。
电压电流放大电路的工作原理请参看本刊1974年7、8合期《无变压器功率放大电路》一文,这里从略。
三、全电路分析
上面对本电路的各部分的工作原理作了一些初步介绍,现再对全电路的特点(图12)作一整体分析。

1.电路对不同电源电压的自动适应特性:一般晶体管电路在电源电压发生变动时,电路的直流工作状态会受到很大影响,此时晶体管的I\(_{b}\)会随着电压的不向而发生增减,使电路不能正常工作。从晶体管特性曲线可知,对Ib直接影响的是U\(_{be}\),所以要能控制住Ube,不让它随电源电压而变动,就能使电路在不同电源电压时都能正常工作。
本电路输入端的差动放大器BG\(_{1}\)、BG2的直流工作电流是由BG\(_{3}\)恒流源提供的。BG3的输出电流是否恒定取决于它的基极电压的恒定。BG\(_{3}\)的基极电压是由BG4组成的恒压源提供的。从前面分析可知,BG\(_{4}\)恒压源的动态电阻很小,接上不同的电源电压Ec时,在BG\(_{4}\)、R7支路引起的I\(_{c4}\)较大幅度的变化是不会使Uce4有所变化的。由于U\(_{ce4}\)恒定,Ube3也恒定。由于I\(_{c3}\)=(Uce4-U\(_{be3}\))/R5,式中U\(_{ce4}\)、Ube3恒定,所以I\(_{c3}\)也为一恒定值。从而Ic1在R\(_{4}\)上的电压降,即BG5的偏置电压U\(_{be5}\)也恒定,不会随Ec而变化。
BG\(_{4}\)这一恒压源还同时控制了BG7这一恒流源,因此I\(_{c7}\)也不随Ec变化而变化。
BG\(_{8}\)、BG9、BG\(_{1}\)0三管受BG6组成的偏置电路控制,如前所述BG\(_{6}\)恒压电路的动态内阻很小,流经BG6的电流大小对它的恒压值没有影响,所以BG\(_{6}\)偏置电路不会受Ec变动的影响,BG\(_{8}\)、BG9、BG\(_{1}\)0三管工作也能恒定。BG11的偏压取自R\(_{13}\)上的压降,只要BG9的偏压不变,流经R\(_{13}\)的电流也不变,R13上压降不变,BG\(_{11}\)工作也能恒定。
从上述可知,整个电路的各晶体管都能正常工作在E\(_{c}\)为10伏~45伏这一范围内的任一电压。
本电路对电路中点电压发生的不对称变动,同样能够自动调整。
现假定由于某种原因使串联分压点Z点电压上升,使U\(_{be2}\)增加,这一变化就立刻发生一系列的连锁反应:Uz↑→U\(_{be2}\)↑→Ie2↑→U\(_{c3}\)↑→Ube1↓→I\(_{e1}\)↓→UR4↓→U\(_{be5}\)↓→BG5内阻↑→BG\(_{8}\)基极电位↓→BG8内阻↑→U\(_{z}\)↓。可以看到,只要中点电压有一微小变化,就会马上反送到差动放大器BG2的输入端,并同BG\(_{1}\)得到的R1R\(_{2}\)分压值比较后,通过R4向BG\(_{5}\)发出调整信号,使中点电压同R1R\(_{2}\)分压点的电压相等。显而易见这是一个100%的直流负反馈过程。在反馈过程中,由于C3对直流视为开路,所以没有任何分压或衰减,全部反馈回去。但在交流情况下,C\(_{3}\)不能视为开路,对反馈信号有旁路作用,使反馈量大大减少,故不致影响电路对信号的放大倍数。
综上所述,电路由于采用了恒流源和差动放大器的100%的直流负反馈,使整个电路不但能自动适应不同电源电压,而且能自动调整电路中点电压为1/2E\(_{c}\)。
2.电路的温度补偿特性:温度变化主要对晶体管的U\(_{be}\)、β和Icbo三个参数有影响。对硅管而言,要保持I\(_{b}\)不变,则温度每升高1℃,Ube应下降2毫伏(见图4);温度升高1℃时,β增加0.5%左右;I\(_{cbo}\)在温度变化时以指数曲线规律变化。β和Icbo受温度的影响较小,可忽略不计。温度变化对U\(_{be}\)的影响则较大,从图4可直观地看到:当温度从t1变到t\(_{2}\)(t2>t\(_{1}\))时,管子的曲线从曲线1移到曲线2的位置。如果这时供给管子的Ube仍为原值的话,则相当于给管子增加了一个2毫伏/1℃的偏压值,造成I\(_{b}\)大大增加,所以要保持Ib不变,所加偏置电压应减少2毫伏/1℃。
本电路的电压放大部分BG\(_{1}\)、BG2、BG\(_{5}\)三管的直流工作状态由BG3、BG\(_{7}\)控制,因此这部分电路主要应解决BG3、BG\(_{7}\)两管的温度补偿问题,而在本电路中是能自行解决的。例如由于温度上升,且恒压源BG4的U\(_{ce4}\)不变的话,就相当于在BG3、BG\(_{7}\)的基极各多加了偏压(每升高1℃增高2毫伏)。这就使它们的Ib增大,从而影响恒流源电流的恒定。但由于BG\(_{4}\)是和BG3、BG\(_{7}\)处于同一环境中工作的,环境温度上升也使Ube4增大,I\(_{c4}\)增大,UR7增大,从而使U\(_{ce4}\)减小,加到BG3、BG\(_{7}\)的偏压相应减小,达到一定的补偿作用。
差动放大器本身的抗温特性已如前述。
电流放大部分的温度补偿是由BG\(_{6}\)承担的。我们先估算一下在温度升高1℃时,BG8、BG\(_{9}\)、BG10的U\(_{be}\)共变化了多少。请看图11,ab端的偏压是BG8~BG\(_{1}\)0三管的Ube之和,即0.7×3=2.1伏。所以当温度升高1℃时,每管所需正常偏压都应同时下降2毫伏,三管共减少3×2=6毫伏才合适,即ab两点间所加的偏压比温升前应减少6毫伏,才能保证管子正常工作。如果这时为BG\(_{8}\)~BG10。提供偏压的BG\(_{6}\)管的Uce6仍为2.1伏的话,就相当于在三管的偏压之和上增加了6毫伏。但实际情况并不是这样,因为BG\(_{6}\) 也受到温度影响,它的Ube6也同时减少2毫伏。由于U\(_{ce6}\)=3Ube6,所以U\(_{ce6}\)的减少量为2×3=6毫伏,这就使得为BG8~BG\(_{1}\)0提供的偏压减少6毫伏,保证了这三管在温升时静态工作不受影响。
这里BG\(_{6}\)的温度补偿对BG11来说是不够理想的,它只能通过补偿三管的偏压值来使R\(_{13}\)上的静态压降不随温升而上升,但不能使BG11所加偏压适合需要地减少。然而BG\(_{1}\)0、BG11的发射极均串有小电阻,该电阻对由温升引起的静态工作的变化也有一定抑制作用,所以BG\(_{11}\)受温升的影响是不会太大的。
需要说明,如BG\(_{1}\)0、BG11管用3AD型锗管时,BG\(_{6}\)的温度补偿作用就没有用3DD型硅管时那么理想,因为由于锗管的Ube只有0.2伏,所以BG\(_{6}\)的Uce6也只应提供0.7+0.7+0.2=1.6伏左右的偏压。这样就势必使(R\(_{1}\)0+R11)/R\(_{11}\)=1.6/0.7≈2.3/1≠3/1。而锗管在温升时Ube的变化却同硅管基本相等,也是2毫伏/1℃。这时由于U\(_{ce}\)/Ube≠3/1,就使BG\(_{6}\)的Uce6肯定得不到6毫伏的变化量,而只有4.6毫伏左右。所以在用锗管对温度补偿效果要比硅管差。
3.电路的频响特性:电路全部采用硅管。管间全部直接耦合,只有在电路的输入端、反馈网络及同扬声器的耦合上用了隔直流电容器。这些电容器在一定程度上影响了电路的频响特性,但只要按电路数据安装,电路的频响还是较理想的,经测量在20赫~200千赫内为-1.5分贝~-2分贝左右。
四、安装与调试
由于各级间采用直流耦合,这给因元件挑选不当引起的故障排除带来一些不便。我们在安装过程中发现如把电路分成四部分,逐步安装、测试,就能方便地排除故障。
1.安装输入级BG\(_{1}\)~BG4、R\(_{1}\)~R8、C\(_{1}\)、C2、C\(_{3}\)、C7:安装时需将R\(_{8}\)接RL一头暂接R\(_{1}\)R2分压点,使BG\(_{2}\)取得直流偏压。安装完后即可通电测试Uce4是否为1.4伏,U\(_{be4}\)是否为0.7伏。如果这二电压正常,就说明恒流源工作正常。如Uce4电压不符,则可分别测U\(_{be3}\)、Ube4,如有一个不是0.7伏,应检查BG\(_{4}\)管是否有be结击穿或开路。在测完Uce4后,应测量R\(_{4}\)上压降是否为0.7伏,如压降为0或为1.4伏,就说明BG1或BG\(_{2}\)总有一坏管存在。如果该电压大于或小于0.7伏的话,则需检查决定恒流源输出电流的R5阻值是否有错,再检查R4的值是否有错,即可查出故障所在。
2.安装BG\(_{5}\)、BG6、BG\(_{7}\)、R9~R\(_{11}\)、C4:安装完毕选测R\(_{9}\)上压降是否为0.7伏,因为这一压降决定了BG7恒流源的输出电流。如有出入应检查U\(_{be7}\)的电压数值,找出故障后排除。然后测Ube6是否为0.7伏、U\(_{ce6}\)是否为2.1伏。如果过高,说明BG6无电流流过或只流过很少电流,大部分电流均流过R\(_{1}\)0、R11,使其电压增加,应检BG\(_{6}\)是否有开路损坏现象。如该电压偏低或为零,说明电流全部被BG6分流,或BG\(_{6}\)和R10、R\(_{11}\)上均无电流或很小,应检查BG5是否有开路或损坏和R\(_{11}\)是否损坏。这里尤其要注意,在后面几管焊上以前,应特别仔细检查BG6、R\(_{1}\)0、R11的焊接是否可靠。在U\(_{ce6}\)和UR9正常的情况下,方可开始第三部分的安装。
3.安装BG\(_{8}\)、BG9、R\(_{12}\)、R13:这时需将R\(_{8}\)焊回原处。检查R12、R\(_{13}\)上的压降应为0.7伏。中点电压应为1/2EC。一般只要前级BG\(_{5}\)~BG7工作正常,BG\(_{8}\)、BG9参数正常的话,这部分不会有故障。
4.装配BG\(_{1}\)0、BG11、R\(_{14}\)、R15、R\(_{16}\)、C6:这时在通电前应在BG\(_{1}\)0集龟极回路串接一电流表,通电测试其静态电流应在20~30毫安。如大于或小于该值,则说明后面几管由于管子的离散性,使Ube不一定是0.7伏了,与计算值有差距。这时就需适当调整R\(_{1}\)0与R11的比值,一般可将R\(_{11}\)换成1千欧可变电阻,调整R11的大小使BG\(_{1}\)0、BG11的静态电流调到20~30毫安。这里如将R\(_{11}\)阻值调大,则输出级电流下降,反之则增加,所以在调整时将R11开路也不会象一般OTL电路那样会导致以后几管烧毁。
全部电路组装完毕就可输入一信号试听了。本电路中BG\(_{1}\)0、BG11如改用3AD类锗管时,有关部分电路可改接成图13。

这种电路只要将其中几个接点改动,就可改成无电容输出电路(简称OCL电路)。这样就可进一步改善低端频响,可做到5~10赫以下,但20赫以下的低频扬声器很难放出,人耳也难辨别,并且扬声器与电路直接耦合,直流电流直接通过扬声器,如果电路出故障使这一电流大到一定程度,就会损坏扬声器(为保险起见,可串一个0.5安保险丝管),所以OCL电路也是有缺点的。这里也将OCL电路接线图画出(图14),供试验参考。

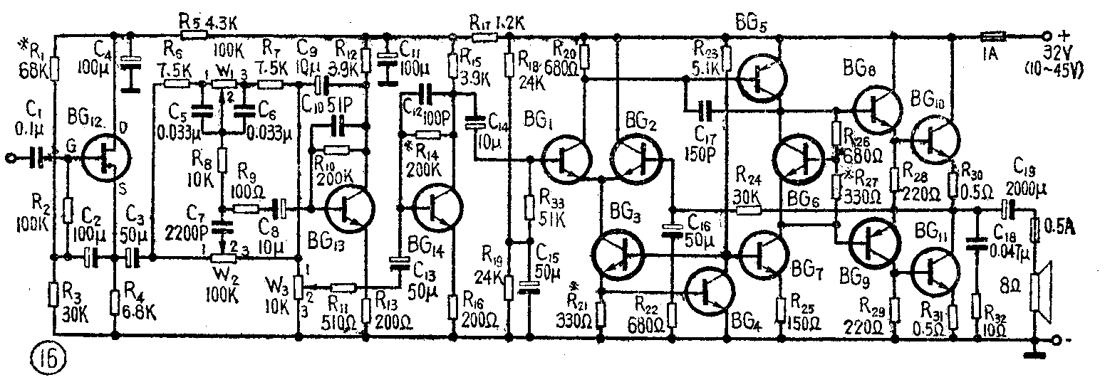
图15是全电路的印刷电路图。BG\(_{1}\)0、BG11采用硅管时GG相连;用锗管时ZZ相连,可将AA线右端割下,螺孔相应左移。括号内电阻是用锗管时的电阻编号。接OTL电路时,②③相连,-E\(_{c}\)端接地。接OCL电路时,①②相连,+Ec、-E\(_{c}\)为-、-电源输入端,Z(中)点接扬声器,R6接地端换接④。

编注:为了帮助读者试装好上面介绍的电路,现将带音调控制前级的另一完整扩音电路及其印刷电路介绍于后(见图16、图17)供大家参考。这种电路是由浩波同志提供的,其电路后面部分和上面介绍的电路基本一样,前面部分所用BG\(_{12}\)采用3DJ6型场效应管,BVceo要求20伏,静态电流调到1毫安;BG\(_{13}\)采用3DG6、或3DG\(_{8}\)、3DG12,β为150,BV\(_{ceo}\)>15伏,静电流1.5毫安;BG14采用3DG\(_{6}\)、8、12,β为100,BVceo>15伏,静电流为4毫安。这种电路的印刷电路板自制比较方便,用刀刻去不需要的铜箔即成。


