农村有线广播设备,在使用中有时会出现突然的故障,在检修时可能没有个别零件,或时间要求紧迫,不允许过长时间中断广播,因而不得不采取一些应急修理和应急使用方法,有些措施虽然不太合理,却有避免过长时间中断广播的实际意义。为此,我们把在实际工作中应用过的一些方法介绍给读者,供参考。
一、250瓦以上的扩音机,高压整流管采用单独的灯丝变压器,如果灯丝绕组与静电隔离层击穿(图1中a、b两点短路),将引起高压加不上。

应急修理的办法是:将静电隔离层与地之间暂时断开,高压就可以加上了。此时交流声和噪音并没有明显增加。
当灯丝变压器的灯丝绕组与硅钢片之间击穿时,同样可使高压加不上,可在变压器和铁底板之间垫上一层橡皮或其它耐高压绝缘材料,使变压器和底板绝缘,即可继续使用。应该引起注意的是,此时铁心上带高压,使用时要注意安全。
二、图1中的大高压整流扼流圈(ZL)断线,高压无法输出。
可在原线圈中抽出一个头,接好继续使用,不需要另绕。有时即使少几层,对滤波效果影响也不太显著。具体作法是:用万用表的一根测试棒,接触线圈最外层引出线,另一根测试棒连上一根大头针,从线包的侧面,由最底的一层开始(或从最外一层开始),逐层刺穿最外一圈导线的漆皮,如果这层导线与最外层的引出线已相通,则小心钩出这圈导线,作为新的引出线即可。
三、一些中小型扩音机功放级常用并联推挽,如150瓦扩音机功放级采用四只FU—7,40瓦扩音机有的采用四只6L6P。如果其中有一只损坏,剩下的那半边的单个管子将过载,功放级工作将不平衡并产生严重失真。
应急处理办法是:将该推挽臂的另一只管子也拔掉,剩下两个推挽管工作,此时150瓦扩音机变为75瓦扩音机,输出额定功率75瓦。使用时应该注意,各输出端子的阻抗应为原来该端子输出阻抗的两倍。例如150瓦扩音机250欧输出端,当拔掉两只管子后,该端输出阻抗增加为2×250欧=500欧,而该端的输出电压值并没有改变,其数值仍为U=\(\sqrt{PZ}\)=75×500=194伏。因为输出端阻抗变化了,所以必须对扩音机的负载重新配接,或者将喇叭降低电压使用。例如,原来所有喇叭是按150瓦配接的,拔掉两只管后,应将负载喇叭所接电压降低到原来的0.7倍左右,以保证功放管工作正常,且扩音机能输出75瓦功率。电压的调整可在扩音机输的端进行,必要时可用线路变压器进行电压变换。
另外应指出:150瓦扩音机大多采用固定栅偏压,拔掉FU—7后电路不必改动。但有些扩音机采用阴极自给偏压,拔掉管子后,应将阴极电阻改为原来的两倍,如原来用125欧,可改成250欧。
四、管座接触不良,摇动电子管时,时有输出,时没有输出。
迅速修理的办法是:查清接触不好的那个管脚,在上面挂一层锡,把管脚加粗,插入后马上会见效,此法特别适于不好修的花生管座。
五、电子管的应急互换代用。
严格说来扩音机使用的电子管都是选定的,但在紧急的情况下,高μ的双三极管6N2,和中μ的双三极管6N1可直接互换使用;遥截止五极管6K4(常作中放),可与锐截止管6J1直接代用;束射功率管6P6P和6L6P可互换代用;整流管5Z2P和5Z3P可互换代用;6SN7可与6SL7直接代用;6Ж8C可与6SK7直接代用。当然在代用中存在一些矛盾,如各管子灯丝电流不一样,耐压不一样,放大能力有差别等,但在紧要时刻是可采用的。我县某公社有一台40瓦宇宙牌扩音机,原功放级用四只6L6P,换上了四只6P6P整流管原用两只5Z3P,换上两只5Z2P,经过较长时间使用效果还不错。还有一台250瓦扩音机,次高压整流管原来用5Z3P,换上一只5Z2P,经半年之久使用,效果也很好。经改动管座后可互换代用的管子就更多了,读者可找有关书籍参考。
一些150瓦扩音机采用866汞气管整流,如果这只管子坏了又一时买不到,可用四只2CP26半导体二极管串联代用,每只管子再并联一只500千欧左右的均压电阻(如图2),图2a为线路图,图2b为安装图,只是要注意这种管子不能和汞气管混合使用。使用半导体二极管整流,不需预热,开了低压马上就可开高压,这是一个优点。

六、变压器的代用。
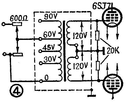
250瓦或275瓦扩音机的推动变压器损坏,可用五灯收音机电源变压器代用。原五灯变压器高压绕组接推动管屏极,220伏进电源端接805(FU—5)栅极(如图3),安装时要注意相位关系,否则会产生自激;TY—250瓦扩音机输入变压器损坏可用线路变压器代用,如图4。线路变压器的功率可在15瓦~30瓦间选择。TY型扩音机输入变压器初级是820圈,次级是3900圈,有中心抽头,电压比为1:4.7,用线路变压器代用时,应将初、次级反过来使用,升压比为1:4,基本与原来符合。如果还感到信号推动不足,可将初级接0~45伏抽头。


如果GY型机架信号输入变压器损坏,代用的办法就较多了。这种变压器是1:1的,用30瓦线路变压器初级120伏两个绕组作为初、次级使用就行了,如图5。该变压器安装最好加金属隔离壳,并将金属壳接地。

另外,用25瓦高音喇叭变压器,可代替收音机输出变压器。
七、前级增音机损坏时的应急处理办法:
①用电子管五灯收音机代用。五灯收音机一般能输出2~3伏,完全可以推动扩音机。250瓦以上的扩音机,输入灵敏度一般在6~10dB,即1.55伏~2.45伏。代用时不能将话筒直接插入收音机拾音插孔,需要先录音,然后将录音信号注入拾音器。
②用任一型号的小型扩音机,取出3~4伏的信号作为有线广播的前级使用。特别是农村中普遍使用的701型、葵花牌等晶体管三用唱机,它们的8欧或16欧输出端有2~4伏输出电压,接上假负载(应急时可用本机喇叭作假负载),直接作前级增音机用,非常方便。
八、有线广播站某节机器发生故障后,该节机器的负荷可与另一节好机器的负荷并联,用好的一节机器广播。这时应将输出电压降低使用。例如,250瓦扩音机,输出端额定电压为240伏,输出阻抗为230.5欧,当负载阻抗由原来匹配状态下降一半时(两节机器负荷阻抗并联),如果使机器仍输出250瓦功率,则输出端电压应下降为
U=\(\sqrt{PZ}\)=250·\(\frac{230.5}{2}\)
≈170伏。
实际使用时,只要将输出电压降低到原来的3/4,即由240伏降到180伏,就可以做为暂时配接运用了。
这样配接以后,线路上各用户变压器都不需改变,虽然用户喇叭声音小了一些,但可保证正常广播;如果有四台250瓦机器,其中坏了三台,可将四台机器的负荷都并接在好的一台机器上,此时应将输出电压降低一半,即由240伏降到120伏。
根据上述道理,应提出一个值得注意的问题,即在正常匹配时不得随意提高用户喇叭电压,因为全部喇叭电压提高一倍,扩音机所应输出的功率就要增加到原来的四倍,如果扩音机没有那么大容量,就会引起严重过载。
九、话筒损坏可用动圈喇叭接上变压器代用。其代用方法见图6,变压器采用6P1输出变压器,变压器低阻端接喇叭,高阻端接插头。如果用舌簧喇叭直接代用话筒也可以。

十、在应急修理中,如果元件不全,元件的数值范围可以放宽,例如,在图7所示的阻容交连放大级中,交连电容可在6000P~0.05μF之间选择;栅漏电阻R\(_{g}\)可在250KΩ~1MΩ范围内选取;屏极负载电阻RL可在50KΩ~250KΩ范围内选取;阴极电阻R\(_{K}\)可在1K~3KΩ范围内选取;阴极旁路电容CK可选用20μF~100μF的电解电容;退交连电容C\(_{1}\)可选用8μF~30μF的电解电容,但耐压要足够。

一般作话筒、拾音器音量控制的电位器,常用470KΩ和500KΩ两种,在应急修理中可采用250KΩ~1MΩ的电位器。如果暂时没有电位器,可用分线器串接电阻代用,图8就是250瓦扩音机上600欧电位器的代用方法,只是音量调节是非连续式的。

十一、前置增音机输出变压器初级断线的应急修理。
此类故障多发生在电子管式的前级增音机。可把增音机的输出级临时改成阻容交连放大级,通过金属隔离线直接输入主机某个输入放大管的栅极。对于250瓦扩音机可按图9连线,图中主机部分有“×”号的地方应断开。临时新加上的负载电阻R可在2KΩ~20KΩ之间选择,额定功率要足够。例如,如果前级用6P1一类束射四极管做输出管,R可用2KΩ10W左右的线绕电阻。总之,R上的直流电压降应为该级直流供给电压的30%左右。经过这样处理后,一般不会有明显的失真,但是要注意调整信号电压,对TY型机器而言,使其不要超过6SJ7的栅至栅额定电压(10~13伏)。

如果有线路变压器,可用它来代替前置级输出变压器,初、次级圈数比可按240伏比20伏到30伏来连线。
十二、扩音机高压变压器次级高压绕组的一半断线。
比较简单又可靠的处理办法,是将剩下的一半绕组改成桥式全波整流,这样做后还可以省掉灯丝变压器。连接线路见图10。图中整流元件可采用2DL型硅元件或“代866”晶体管二极管,也可以参照图2的办法自己制作。每只晶体元件的反向工作电压应在2500伏以上(指桥式全波整流),最大整流电流在300毫安以上。

十三、解决长话筒线问题。
在某些会场扩音中,有时需要长达20米至30米或更长的话筒线,这时若仍用高阻抗话筒扩音,音调就会太低沉并且极易产生啸叫,必须采用600欧左右的低阻话筒,但这种话筒输出电压较低,如果配用普通扩音机,输入信号就太小了。解决办法是在扩音机附近加一个升压变压器,如图11。变压器应该用铁盒隔离起来,初、次级圈数比在1:(3~6)范围内选择。可以利用某些采用9伏或12伏电源电压的小功率晶体管收音机或三用机的推动变压器,有时用能接成30伏、240伏的线路变压器也很方便,只是体积稍大些。

十四、会场录音的应急措施
在会场扩音中,有时由于某种原因(例如突然损坏了一个话筒),只剩一个话筒在工作,而要求同时进行扩音和录音,如果使用的是L601录音机,可把话筒插入录音机话筒插口进行录音,而用联络线从录音机0.5伏输出端取出信号,输入到扩音机拾音插孔进行扩音。只要适当调整两机的音量和音调,就可同时录音和扩音。
十五、会场扩音加接临时地线
会场中的高阻抗话筒的引线若较长时,容易产生啸叫,可用直径为2毫米左右、长几十厘米的铁线,在湿地上插一条临时地线,连接到机壳上,一般就可以消除啸叫声。用这种方法对降低明显的交流声也有效果。如果在室内或剧场等地扩音,可将临时地线接自来水管、下水道管或暖气管上。
最后还应重复说明,以上所述应急措施和正规使用方法比较起来,它总是不太合理的,有些措施由于使用起来不安全,更不能长期使用。因此,应尽快修复机器,使机器在原设计的正常状态下工作。(张家身)