简易台式2×400瓦无电源变压器扩音机,是在275瓦无电源变压器扩音机的基础上,经过改进试制成功的一种新型扩音机。它虽然输出功率增大了,但体积、重量、成本并不增加,因此很适合在农村推广。
这种扩音机是成套有线广播机的一个功率放大部分,由两个机组组成,每个机组的额定输出功率是400瓦,总输出功率为800瓦。两个机组有独立的电源开关和音频输出线路,可同时或单独使用。
由于在电路上采用了很深的负反馈,因此电路工作状态几乎与负载无关,是一种定压输出扩音机,适用于线路负载多变的农村和工矿企业。
整机长470毫米、宽64O毫米、高270毫米,重量为48公斤(与R150型150瓦电子管扩音机外形、重量相当)。全部元器件安装在单层钢质底板上,分成左、右两半部分,每一部分为一个机组,每一个机组又分成输出装置、放大装置和电源供给装置三部分。各个元件在底板上的位置见图1。在扩音机的面板上装有开关、指示灯以及监听、监测电表等,使用简易,便于维修。

电性能参数
额定输入电平:0分贝±2分贝
额定输出功率:每一机组为400瓦
输入阻抗:每一机组为600欧,两组并联为300欧。
非线性失真:不大于4%(400赫)
频率响应:80赫~10000赫不大于3分贝。
输出电压调整率:负载从满载至空载,400赫~4000赫输出电压变化不大于3分贝。
线路工作原理
1.末级功率放大装置是由两只FD-11电子管作乙类推挽功率放大组成。其工作状态是:阳极电压1600伏,栅极偏压-18伏,栅极激励电压200伏(有效值,栅至栅),零信号时阳极电流80毫安,满信号时阳极电流420毫安,激励功率8瓦,阳极负载阻抗8200欧。
2.激励级是用二只6P14作甲乙1类推挽功率放大,其工作状态是:阳极电压300伏,第二栅电压300伏,阴极自偏电阻120欧,阳极电流72毫安,第二栅电流8毫安,负载阻抗8000欧,输出功率10瓦。
3.电压放大和倒相是由一只线路输入变压器和一只6N2电子管组成自动平衡式倒相电路,使6P14栅至栅输入信号达到15伏(有效值)左右,保证2×6P14输出10瓦的功率去激励FD-11。
4.负反馈是由末级功率放大级向前级施加分压式负反馈,以改善电性能,又可以防止自激振荡。
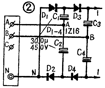
5.电源供给:如果仍采用本刊1976年第一、二期介绍的单相倍压整流电路来获得1600伏高压,则倍压次数增多,储能电容的容量增大,电容和二极管的用量太多,而其负载特性很差。所以我们采用了另一种简单的倍压电路,叫做“两相一地倍压整流电路”。因为相线与地线之间的220伏交流电压作半波整流时产生直流电压300伏(理论计算值应为\(\sqrt{2}\)×220=311伏),相与相之间的380伏交流电压作半波整流时产生500伏直流电压(理论计算值应是2×380=537伏),利用单相和二相作复合倍压整流,即第一次相与地之间作半波整流产生300伏,第2次相与相之间作倍压整流产生800伏(即300伏+500伏),则正向倍压的+800伏和负向倍压的-800伏迭加在一起,总共产生1600伏的高压,图2就是这种整流电路的原理图。图中N代表电源中线,A、B、C代表电源三根相线,A、N之间的电压为220伏(有效值),B、N之间也是220伏,两根相线A、B之间的电压为380伏(有效值)。当电源相线(即火线)对地之间的电压瞬时值为正时(正半周),A、N之间的电压使D\(_{2}\)导通,对C2充电至直流300伏左右, B、N之间的电压使D\(_{2}\)、D4导通,对C\(_{4}\)充电至300伏左右;当电源相线对中线之间的电压瞬时值为负时(负半周),A、N之间的电压使D1导通,对C\(_{1}\)充电至300伏左右,B、N之间的电压使D1、D\(_{3}\)导通,对C3充电至300伏左右。又因两根相线之间的电压为380伏,当A相对B相电压瞬时值为正时,A、B之间的电压将和C\(_{1}\)上已充好的300伏直流电压顺向串联,使D3导通,继续给C\(_{3}\)充电至500伏+300伏=800伏(500伏电压近似为380伏交流电压的最大值,理论计算为537伏);当A相对B相电压瞬时值为负时,则A、B之间的相电压和C2上的300伏直流电压顺向串联,使D\(_{4}\)导通,继续给C4充电至800伏。C\(_{3}\)、C4上的电压顺向串联,在1、1′两端就能得到1600伏直流高压了。图2电路因为仍需要容量较大、数量较多的储能电容,而且负载特性不够好,空载时输出1700伏,满载时则低于1600伏,达不到额定输出功率400瓦。为此,我们又对上述电路进行了改进,改进后的电原理图如图3。我们把这种电路叫做“双重二相一地倍压整流电路”,图2和图3比较,就类似将半波倍压电路改为全波倍压电路一样,前者电源交流电压每变化360°(一周期)电容充放电一次,后者120°(\(\frac{1}{3}\)周期)和240°(2;3周期)就轮流充放电一次,因此储能电容的容量可减小,整流管只用小电流的05Z16共8只,而且负载达450毫安时,输出电压仍不低于1600伏,完全满足本扩音机的要求。这一部分的完整电路图请见图4。



次高压300伏采用三相半波整流和大电容滤波,其波纹系数很小,大大减小了信号交流调幅度。
FD-11的栅极负偏压要求极为稳定,不能随栅流而变化,本电路采用二只2CW22E硅稳压二极管串联作稳压装置,取得了满意的效果。
各变压器的制作数据见图5。

使用和维修
1.开机时必须先开启低压,预热3分钟,然后开启高压,这时其相应的低压、高压指示灯应发亮。如有个别不亮,应立即关机,检查其相应的保险丝是否熔断,在排除机内故障,又没有其它异常现象时,可换上备用保险丝。如果指示灯损坏,虽不影响整机工作也应立即更换好的,以便帮助指示和识别扩音机的工作状态。
2.扩音机的输入音量控制最好放在中间位置,使有一定的控制余量。工作时要经常观察音频输出电压和2×FD-11阳极电流的关系,如果输出电压表的指针挥动很低或者还没有达到额定输出电压,而2×FD-11阳极电流表的指示却变动很大,甚至将过荷继电器启动,这是负荷太重或是输出线路有局部短路现象。相反,如果输出电压表指针挥动很高,而2×FD-11阳极电流表的指针却不变化,这是扩音机没有接通负载的现象。遇到这些现象都应该停机,然后调整负荷量或检查输送线路是否断线。
3.使用时可连续工作8小时,必要时可将机壳顶盖撑开,以助散热,但切忌将手伸入,以免碰触高压发生危险。(冯崇勋)