本文介绍的简易1.5伏收音机用一节一号电池,线路简单,便于制作。级间采用R、C耦合方式、省掉输入、输出变压器。有两级高频放大器,灵敏度较一般再生机高。
工作原理
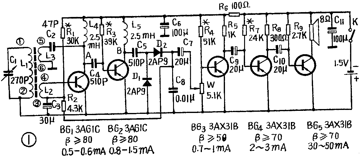
本机线路见图1。C\(_{1}\)、L1组成调谐回路,对外来信号进行选择,信号由L\(_{1}\)感应到L2,加到高放级BG\(_{1}\)的基极进行放大,在BG1的集电极电路得到放大了的高频信号。该高频信号中一路经电容C\(_{2}\)送到BG1的输入回路,称“再生”,以提高收音机的灵敏度和选择性。另一路经C\(_{4}\)耦合到第二高放级BG2的基极,对高频信号进行再一次放大。由于信号经两次高频放大,所以灵敏度较高。D\(_{1}\)、D2等组成倍压检波器。检波后的信号分两路走,一路经R\(_{2}\)到达BG1的基极,由于C\(_{3}\)的音频滤波作用,所以只有直流电流加到BG1的基极,使BG\(_{1}\)集电极电流降低,从而使放大倍数下降,达到自动增益控制的目的。另一路音频信号通过C7送至BG\(_{3}\)、BG4、BG\(_{5}\),进行三级音频放大后,便可带动喇叭工作。

本机一般不必外接天线,对于边远地区可在\(_{L}\)1的“1”端通过一个小电容接天线;对于近台地区,可将C4、R\(_{3}\)、BG2、L\(_{5}\)取消,A、B两点直接相连,接成四管机。
从线路可以看出,本机虽有五管,但在线路接法上都基本一样,同时取消了来复电路,便于初学者制作。
本机由于电源电压低(1.5伏),信号幅度小,因而不易自激,允许多加一级高频放大,故灵敏度较普通的再生机高。为了克服强台低压阻塞失真,本机有自动增益控制电路。同时,设置自动增益控制电路后还可以有效地克服再生自激问题。本机由于音频放大器的放大倍数高,容易产生自激,因此,电源退耦电路C\(_{6}\)、R6、C\(_{11}\)是必须加的。
元件与装配
本机布线见图2。我是在胶木板打上小孔后,用元器件的本身引线焊接而成的。制作者可根据已有的材料,选用印刷板更好,但元器件的排列一定注意,否则易引起自激。外壳可自行设计,但不宜过小,以防自激。磁棒是φ10×120中波磁棒,以7股丝包线绕制,绕制数据见图3。L\(_{4}\)、L5为高频扼流圈,2.5毫亨。骨架直径为φ6毫米、高12毫米(北京海淀电器厂生产)。若用其它型号的高扼圈,应选体积小的,安装时应让磁棒和L\(_{4}\)、L5三者彼此远离。BG\(_{1}\)、BG2均为3AG\(_{1}\),其它型号高频管也行,它们的β值应在80以上。检波二极管用锗管2AP9,不用硅管。BG3、BG\(_{4}\)、BG5可用3AX31B或其它型号,各管的β值见图1。用2寸半8欧喇叭。C\(_{3}\)、C6、C\(_{7}\)、C9、C\(_{1}\)0、C11都是小型电解电容,耐压3伏以上;C\(_{2}\)、C4、C\(_{5}\)为云母电容;C8为小型金属化纸介电容。电阻为1/8瓦小型碳膜电阻。在焊接时,磁性天线的多股线的线头要用砂纸擦后再镀锡。


调整方法
全机焊接后,检查无误就通电调试。首先调节末级偏流,测量时将电表串联于集电极上(注意不要串联在发射极上)。如电流I\(_{C}\)小,应将R9换小,否则应加大,直至达到要求的IC\(_{为}\)止。然后用相同的方法从末级至前级逐一调节。当调好BG4后,可用手持金属物碰其基极,这时应有声音。调好BG\(_{3}\)后碰其基极声音应更大一些。最后调好BG2、BG\(_{1}\),碰其基极都应有声音,但不如碰BG3声音大。这时收音机的工作点就初步调好了。
在线圈L\(_{1}\)的“1”处加一根2米的拖线,调节单连电容,这时应听到电台播音。再将再生线圈L3装上,轻轻调一下单连电容器,如这时声音比不装再生时大,说明再生方向对,否则应将其方向换一下。然后取消天线,将L\(_{3}\)尽量移近以加强再生,调至再生最强,但高、低台都不自激时为止。调试时,若收不到电台或声小,可能是所用管子的β小、扼流圈不合适、再生不够强或BG3~BG\(_{5}\)的偏流数值不对。若发生高频自激可能是L4、L\(_{5}\)离的太近,再生过强,应检查布线。若发生低频自激,可能是C6、C\(_{11}\)质量差容量不够引起的,这时可略增加R6的阻值并检查有关布线。(徐业林)