红波JK-140型40瓦扩音机是一种采用印刷电路的晶体管扩音机,由于它体积小、重量轻且可以交直流两用,所以在农村、工矿企业或一些流动性较大的单位用得较多。在修理这种扩音机过程中,我们发现它最常出现下面几种故障:
1.末级功率放大管3AD30C损坏;
2.电源部分的稳压调整管3AD35损坏;
3.滤波电解电容器击穿。
末级功率放大管3AD30C损坏,有两种常见情况。一是管子被击穿损坏。红波JK—140型40瓦晶体管扩音机采用定阻抗输出,使用时输出端不允许开路,往往由于输出端的喇叭线虚焊或产生断线现象,使得扩音机处于瞬间空载状态,输出电压增高,又由于3AD30C的反向击穿电压BV\(_{ceo}\)只有24伏,是比较低的,所以就容易被击穿损坏。为了避免这种故障,使用者应避免使扩音机空载工作。3AD30C另一个损坏的原因是管子由于承担功率太大而被烧坏。JK140型40瓦晶体管扩音机的额定输出功率为40瓦,最大时可输出50~60瓦,这个数值已非常接近末级功率放大管3AD30C的极限值。在使用过程中,当遇到一些瞬间冲击,如开关电源、转换收扩开关、被插话筒插头、输入信号过大等,或电源电压波动太大时,就会烧坏功放管。在使用交流电时,如发生了上述故障而又没有很快关机,接着还会继续烧坏稳压调整管3AD35和其它元件,造成更大的损失。
针对以上情况,我采取了以下几点措施,效果较好。
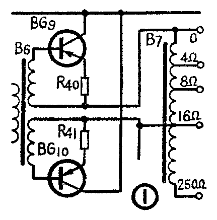
1.加大功放管发射极电路里的电阻阻值。图1是该机末级功率放大器的电路图。图中功放管发射极电路里的R\(_{4}\)0、R41是由电阻丝做成的,电阻丝的线径是0.4毫米,阻值为0.2欧,它既对末级功率放大管3AD30C的工作状态起一定稳定作用,也对3AD30C起一定保护作用。电阻丝阻值大些,稳定效果就较好,但在它上面的损耗功率也会加大,使输出功率相应下降。我们在修机过程中,将R\(_{4}\)0和R41分别由0.2欧增加到0.5欧左右,虽然此时机器输出功率小了一点,但实践证明对保护功放管3AD30C很有效。R\(_{4}\)0、R41可用低阻值线绕电阻或低阻值线绕电位器改制,将电阻丝先取长一些,用万用表量取5欧的一段,再取其十分之一即可。然后将电阻丝两端烫上锡(注意烫锡部分不要太长),绕成管径为2~3毫米的螺线管形,重新焊在原来焊R\(_{4}\)0、R41的接线架上即可。

另外,如果需要更换功放管3AD30C,应注意重新垫好聚脂薄膜,以免管子的集电极对地短路。薄膜上的糊状物是一种硅油,可以减小功放管3AD30C与散热板之间的间隙,以利于散热。
2.在推动级3AD6C的集电极与基极之间加接一个电容器C(见图2),其容量可在4700p~0.047μ之间选择,一般以0.01μ为合适。这个电容起负回授作用,对高频自激振荡和冲击信号有一定的吸收作用,既改善音质,又可避免自激的危害。

3.解决好散热问题,保证电源部分的稳压调整管3AD35正常工作。3AD35的集电极最大允许耗散功率在良好地散热条件下是50瓦,不加装散热板时仅2瓦,因此必须解决好散热问题。该机3AD35安装在一块铝板上,中间垫有聚脂薄膜,以免3AD35和其他部分相碰发生短路。这块铝板既是3AD35的散热板,又是扩音机的底盖。为了改善散热条件,可将3AD35直接装在底盖上,中间不垫聚脂薄膜。而为了使底盖和扩音机其它部分绝缘起来,可将底盖四个角上的螺孔稍扩大一些,在这块板的螺丝上套上一段8~10毫米长的绝缘套管,在螺帽与底盖之间,底盖与扩音机的底板之间均应分别垫好绝缘垫圈,这样就使底盖(即散热板)和扩音机其他部分绝缘开了。为了避免底盖受力后变形和其它部分相碰,应把它和扩音机底板之间的绝缘垫圈垫厚些(约5毫米),这样既不容易产生短路及利于散热。
4.接一个最简单的输出指示灯。该机原来没有监听喇叭,也没有功率输出指示,因此当旋转音量电位器,使输出功率过大时,往往容易烧坏功放管3AD30C。为此,我对该机原有的6.3伏0.15安的指示灯引线进行了改接,将指示灯的两条引线从电源变压器上拆下来,在其中一根引线上串联一个70欧的线绕电阻(3~10瓦),然后接在桥式整流输出的滤波电解电容两端(即扩音机中间靠近功率散热板的大电解电容),如图3所示,并把6.3伏0.15安的指示灯换成26伏0.15安的指示灯。27伏交流电压经桥式整流后,在大电解电容C\(_{41}\)两端能获得36伏电压,经70欧电阻降去10伏,指示灯两端电压为26伏。经过这样改接后的指示灯,其亮度会随扩音机输出音量大小的变化而变化,输出功率大时灯泡暗,输出功率小时灯泡较亮,这样,根据灯泡的暗、亮程度,就可以大致判断出扩音机输出功率的大小,不致于再发生因音量开的太大而烧毁功放管的故障。

如果一时找不到26伏0.15安的指示灯,可暂用原来的6.3伏0.15安指示灯,但所串接的降压电阻应能除去30伏左右的电压,其阻值为R=30伏0.15安=200欧,电阻的耗散功率为P=0.15安×30伏=4.5瓦,应选用200欧10瓦的电阻。用6.3伏0.15安灯泡的缺点是在降压电阻上产生的热量较多,不如用26伏的灯泡好。
5.易损坏的电解电容器有两处:一处是稳压板最上方稳压辅助电源的四个滤波电解电容;另一处是输入变压器旁边的降压滤波电容。这些电容器标称值都是100μ15V,损坏的原因多属于耐压不足被击穿,只要换上耐压为25伏的电容器就好了。(买永胜)