电视机同步分离部分的作用是从全电视信号中分离出行、场同步信号。
在混合式电视机中,例如采用40厘米电视机自动频率控制行扫描电路(见本刊1975年第5期),因为触发电子管行、场扫描电路所需的同步脉冲电压较高,所以同步分离级一般都采用电子管。为得到幅度较大和波形较好的同步脉冲电压,同步分离级采用二级限幅放大。由于这二级限幅放大器输出功率很小,可采用复合电子管。如果使用晶体管,就要选用耐压高和输出功率大的管子。通常也要二级限幅放大。
下面结合实际电路介绍同步分离级的组成和各元件的作用。
1.40厘米混合式电视机同步分离电路
图1是40厘米混合式电视机电子管同步分离电路。电子管6U1是七极、三极复合管。七极部分担任幅度分离,三极部分担任脉冲整形放大。七极部分的第一栅极接地,使其成为五极管。第三栅极为信号输入栅。第二、四栅为帘栅,由R\(_{4}\)、R5组成的分压器供给一很低的帘栅压。R\(_{6}\)是屏极负载电阻,取1兆欧,以降低屏压和减小屏流的饱和值。随着屏压和帘栅压的降低,管子的截止偏压也相应减小;屏流饱和值减小,则动态范围缩小,这样要求输入信号的幅度也可小些,从而提高了分离级的灵敏度和可靠性。C1、R\(_{3}\)组成分离管栅极箝位电路,使输入到栅极的同步脉冲顶端箝位于栅压的零电位处。因为全电视信号在视放级经耦合电容后会失去直流分量,造成电视亮信号和暗信号的同步脉冲顶端不在同一电平上,如图2所示,如直接加到分离管栅极将难以分离出正确的同步信号。加上C1、R\(_{3}\)后,当正向复合同步脉冲到来时,分离管的栅极电位比阴极高,因而产生栅流,C1迅速充电,建立一栅负偏压。C\(_{1}\)所充电压的大小取决于栅流大小,而栅流的大小又取决于复合同步脉冲的振幅,这样对应于亮、暗不同的电视信号,在C1上所得到电压也就有大(亮信号)有小(暗信号),从而自动调节了栅负压的大小,使复合同步脉冲的顶端箝位于栅压零电位处,如图3所示。当复合同步脉冲过后,C\(_{1}\)会经R3放电,如将C\(_{1}\)、R3的时间常数取得远大于行扫描周期,当第二个复合同步脉冲到来时,使C\(_{1}\)上的电压来不及发生大的变化,这样栅极上的偏压就会比较稳定。如果C1、R\(_{3}\)的时间常数取得太小,会导致栅负压大小,同步脉冲顶部易被削掉,如图4所示。但C1、R\(_{3}\)的时间常数也不能太大,否则当电视信号突然从亮信号转为暗信号时,C1来不及放电,栅负压仍很大,这时暗电视信号中的复合同步信号就不能打通分离管而被截止掉,造成失去同步脉冲的情况。因此,C\(_{1}\)、R3的时间常数要选取适当。实验表明:300微秒<C\(_{1}\)R3<15毫秒较为合适。考虑到尽量减小同步脉冲经过C\(_{1}\)产生的低频失真,C1一般取得大些,这样C\(_{1}\)R3的乘积也就接近15毫秒。C\(_{2}\)、R2组成抗干扰电路。因C\(_{1}\)、R3的时间常数选取较大,故当短暂干扰脉冲进入分离电路时,C\(_{1}\)充电缓慢,来不及建立相应的负偏压,对干扰脉冲限制不够;当强大干扰脉冲进入电路时,C1所充电压较高,干扰脉冲过后,C\(_{1}\)来不及放电使后面的同步脉冲被截止,从而造成失去一部分同步脉冲的现象。加上C2、R\(_{2}\)后,因其时间常数远小于C1、R\(_{3}\)的时间常数,故当短暂干扰脉冲到来时,C2能迅速充电,使栅负压迅速增加,干扰被抑制;当干扰过后,C\(_{2}\)又能迅速通过R2放电,使栅偏压恢复正常,保证分离级正常工作。一般选取C\(_{2}\)、R2的时间常数略大于扫描周期,如图1中的C\(_{2}\)取240pf,R2取470KΩ,τC2R2=113微秒。R\(_{1}\)是隔离电阻,用来减小分离级的输入电容对视放高频端增益的影响,R1愈大隔离作用愈好,但使同步脉冲前沿时间增加,降低同步触发的准确性。一般R\(_{1}\)选为8—10KΩ较为合适。




应该指出,如果上述C\(_{1}\)R3、C\(_{2}\)R2两电路元件的数值偏差较大,例如电阻、电容变值,电容漏电,电阻阻值不稳定等,将导致行同步局部不稳,行扫描线左右参差微动,行、场同步易破坏等。有时所用6U1电子管真空度不良,从阴极向屏极高速前进的电子就会撞击气体分子并使其电离,正离子落在栅极上使栅极带上正电,抵消部分或全部栅负压,分离特性变差,使图象不稳或边缘呈齿状等。一般当有正常的复合同步脉冲输入时,测量七极管信号输入栅极应有-8~-10V电压。如测得的电压过小或没有电压,甚至出现正电压(在C\(_{1}\)不漏电时),必须调换管子。
从七极管屏极取得的负同步脉冲,经C\(_{3}\)、R8耦合到三极管栅极。三极管除将同步脉冲放大到场、行扫描电路所需的幅度外,还将同步脉冲进一步整形,取得前沿更陡、更纯的同步脉冲。R\(_{8}\)的作用是使三极管栅极略带正偏压,产生较大的栅流,从而使限幅作用更好。R7是三极管的负载电阻,因它承受功率较大,可用线绕或金属膜电阻。
三极管输出的正向同步脉冲,一路至自动频率控制电路;一路经R\(_{9}\)、C4,R\(_{1}\)0、C3两节积分电路分出场同步信号,再经耦合电容C\(_{6}\)去触发场振荡管。
2.23厘米晶体管电视机同步分离电路

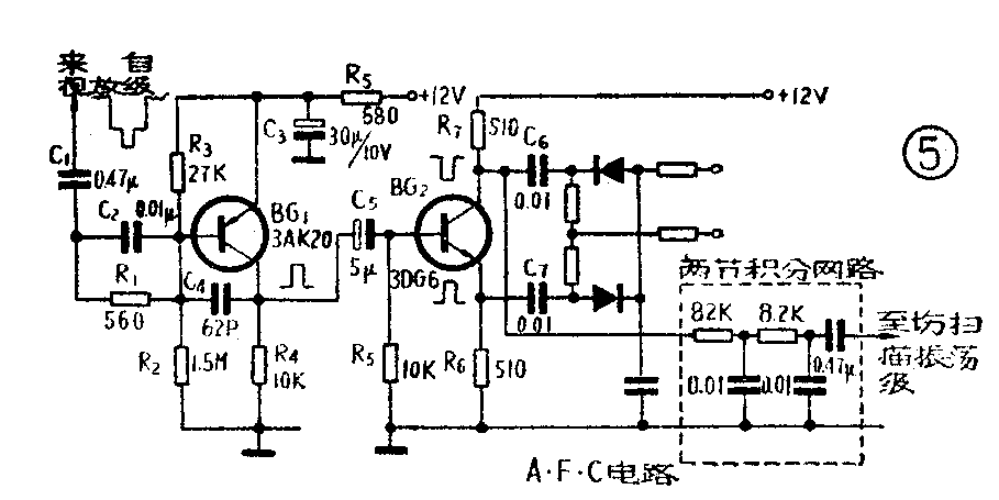
23厘米晶体管电视机同步分离电路如图5。BG\(_{1}\)组成幅度分离级。C1、R\(_{3}\)的作用是自建BG1基极偏压,与图1中C\(_{1}\)、R3的作用一样。不过由于晶体管的输入阻抗低,故C\(_{1}\)用得较大,R3用得较小,而时间常数差不多。R\(_{1}\)、C2为抗干扰电路。因为晶体管的起始工作电压较电子管低,饱和特性比较好,所以用晶体管作同步分离比电子管要灵敏、可靠。由于起始工作电压低,故R\(_{1}\)、C2的时间常数也取得较小,图5中时间常数为5.6微秒。R\(_{2}\)的接入使BG1基极有一点起始正偏压,以进一步提高分离灵敏度。R\(_{4}\)是BG1的负载电阻。从BG\(_{1}\)集电极得到正向同步脉冲,经C5加到自动频率控制电路晶体管BG\(_{2}\)的基极。自动频率控制电路除完成本身的作用外,对场同步信号进一步整形。BG2 的集电极输出的负向同步脉冲,经两节积分网络(虚线框内),滤除行同步脉冲,然后送到场描级。R\(_{5}\)、C3为分离级的电源滤波电路,用以防止电源纹波迭加到同步信号中去。如不加此电路或C\(_{3}\)容量较小,往往产生图象扭曲,波动等现象。如C3用100~200微法电容,对稳定图象比较有利。
应该指出,图1所示电子管同步分离级,输入的全电视信号一般只允许是负极性的,这是因为电子管是负栅运用器件,输入负极性全电视信号才能使其工作状态由截止转为导通,才能正确分离。如果输入正极性全电视信号,就分离不出同步脉冲。
用晶体管作同步分离级,因晶体管有PNP和NPN两种类型,所以对于一般共射正向分离电路来说,采用PNP型管时,应加正极性全电视信号;采用NPN型管时,应加负极性全电视信号。用锗管作幅度分离级时,所加输入全电视信号幅度应大于0.3Vpp;用硅管时,应大于0.7Vpp。晶体管预视放级一般可输出大于1Vpp的全电视信号,故同步分离级的输入信号取自视预放级时,完全可以满足要求。又因视预放级常为射极跟随器,故信号从发射极上引出,输出阻抗较低,易于推动同步分离级。同步分离级的输入信号也可取自视放末级,但由于未级脉冲波形较差,同时调节对比度影响输出脉冲幅度,因此在晶体管同步分离级中不常采用。图5电路的RC元件选择要求与40厘米混合式电视机同步分离电路的一样。晶体管BG\(_{1}\)要求:发射极与基极间的反向耐压BVebo≥3V,反向漏电流I\(_{cbo}\)<20μA、Iceo<200μA、β>50,集电结电容C\(_{C}\)、饱和压降Vces均要较小的高频管,一般3AK20~24、3AG71~72等均能满足要求。
安装同步分离级时,应注意离行输出级和电源变压器远些,以免行频谐波或电源纹波串入同步电路或由分离级输入回路串入视放级,造成同步不稳及光栅明暗不均。在分离级输入信号取自视预放级的电路中,这一点更要注意。当分离级输入引线较长时,应使用金属屏蔽线。(工人 王德湲)