这是北京无线电厂生产的二波段便携超外差式调幅广播收音机。接收频率范围:中波535~1605千赫;短波3.9~12兆赫。信噪比20分贝的灵敏度:中波约0.5毫伏/米;短波约0.4毫伏/米。信噪比6分贝的灵敏度:中波约0.2毫伏/米;短波约0.2毫伏/米。选择性约30分贝。机内扬声器直径80毫米,音圈阻抗8欧。电源6伏(2号电池四节)。不失真功率约270毫瓦(失真度小于10%)。最大输出功率约350毫瓦。
一、电路特点简介
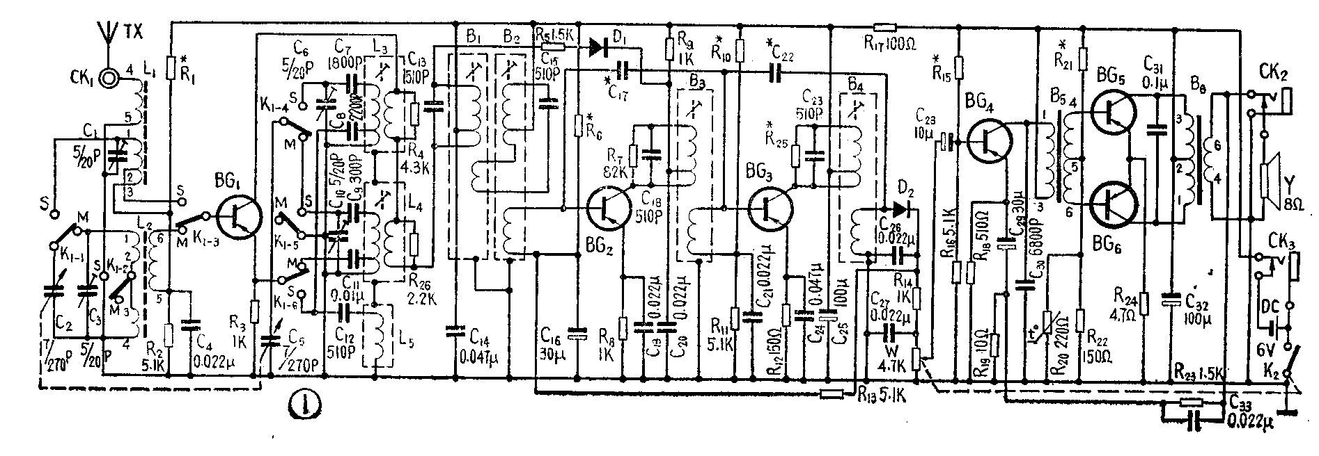
本机电路原理图见图1所示。印刷电路图见图2。中波采用MXO-400Y10×200磁性天线棒,线圈用φ0.07×7多股丝包线分二段绕制。短波采用NXO-60Y10×200磁性天线棒,线圈用φ0.6毫米镀银铜线绕制。短波输入回路采用自耦变压器方式,这种方式比较简单,便于生产和维修,其抽头为总圈数的1/10~2/10为妥,抽头高时低端灵敏度好,但高端的假象差一些。短波段工作时变频管BG\(_{1}\)的发射极接有C12和L\(_{5}\)组成的串联谐振回路,谐振在465千赫附近,对变频后的465千赫中频信号呈现很小的阻抗,从而减小变频级中频负反馈作用,提高了增益,起到了“短波提升”的作用。


R\(_{1}\)为BG1的上偏流电阻,阻值30~39千欧。BG\(_{1}\)无信号电流约0.6~0.8毫安,变频增益约25分贝。
本机短波采用“二次倍频变频”,即短波段接收频率为3.9~12兆赫,本机振荡频率为2.1825~6.2325兆赫。由于变频管的非线性作用,当两者信号输入变频级时,本机振荡的二次倍频(2×2.1825)~(2×6.2325)兆赫,即4.365~12.465兆赫和外来信号频率差频,产生465千赫中频信号,送到中放级。二次倍频的优点是调整容易,人体感应小。本机振荡电压在R\(_{3}\)上测量,中波约200~300毫伏,短波约200~300毫伏。R4为短波振荡回授圈并联电阻,作用是防止短波段高端振荡电压过强,加了R\(_{4}\)可使波段高、低端振荡电压比较均匀,灵敏度也均匀一些。变频后的中频信号经过电感耦合双调谐回路中频变压器B1\(_{2}\)送到第一级中放管BG2进行放大。采用双调谐回路中频变压器不仅选择性好,而且通频带也较宽。
BG\(_{2}\)和BG3为二级中频放大器,B\(_{3}\)4采用单调谐中频变压器。R\(_{7}\)和R25分别并在B\(_{3}\)4上,作用是降低中周Q值,使整机工作稳定,改善通带。C\(_{17}\)、C22为中和电容,其数值12~24微微法,根据BG\(_{2}\)、 BG3的C\(_{ob}\)大小而定。R6为BG\(_{2}\)上偏流电阻,其阻值约为27~39千欧。BG2无信号时电流约0.5~0.7毫安,本级增益约25分贝。R\(_{1}\)0为BG3上偏流电阻,阻值约33~43千欧,无信号时电流约1.5~2.2毫安,本级的增益约40分贝。BG\(_{3}\)输出的中频信号送到检波二极管D2进行检波。检波后的音频信号经过C\(_{28}\)耦合到BG4进行低频电压放大。另外,检波后的直流成分经R\(_{13}\)和C16滤波加到一中放BG\(_{2}\)的基极作自动增益控制。

本机的自动增益控制电路,除控制第一中放管的基极电流外,还采用“二次自动增益控制电路”。其作用是靠D\(_{1}\)、R5串联电路与第一中周并联,控制中周B\(_{1}\)的Q值来完成的。其工作过程参看图3。二极管D1和R\(_{5}\)串联电路,对交流来说是并联在B1的2~3两头上。A点和C点对交流来说是同电位,对直流来说它们是并联在R\(_{9}\)两端上。图3上A点(即B点)和D点对地的直流电压都约为-5.5伏。当收音机接收小信号时,BG2的集电极电流还相当大,R\(_{9}\)上有一个下正上负的直流电压降(约0.3~0.5伏),这个电压降,正端加在D1的负极,负端通过线圈2~3和R\(_{6}\)加到D1的正极,也就是给D\(_{1}\)加了一个反向偏置电压,此时二极管不导通,D1呈现很大的电阻,D\(_{1}\)和R5串联电路对B\(_{1}\)的Q值几乎没有什么影响,变频的增益没有什么变化。当接收强信号时,由于第一中放管BG2的电流被检波后通过R\(_{13}\)的自动增益控制直流电压控制得很小,Ib减小,相应地I\(_{c}\)也减小,因此R9上的电压降减小,D\(_{1}\)上的反向电压减低了,D1开始接近导通,呈现的电阻很低,使B\(_{1}\)的工作Q值随着降低,因而变频的增益也随着降低,这就起到了二次自动增益控制的作用。这样就能保证外来信号从5毫伏/米变化到100毫伏/米时,整机无阻塞现象,相应的输出变化在6分贝左右。
R\(_{15}\)为BG4的上偏流电阻,阻值约30~43千欧,无信号电流约1.5~2.2毫安。BG\(_{5}\)、BG6接成乙类推挽放大电路,无信号时电流约2.2~4毫安。在扬声器和推动级(BG\(_{4}\))发射极之间接入一个由C33、R\(_{23}\)组成的反馈网络,R19为一分压电阻,R\(_{19}\)阻值大反馈强,小则弱。本机低放部分的非线性失真度在5%以内。
二、结构和工艺特点
1.外型尺寸为240×121×45毫米\(^{3}\),整机重量约0.8公斤(不包括电池)。
2.本机外壳由前框、中框、后盖三部分组成,用螺钉固定,装拆方便。
3.度盘采用烫金工艺,外型美观大方。
4.二根磁棒装在一塑料支架上,比较靠近。二磁棒这样靠近,有牵制现象。为解决牵制,当波段开关拨在短波段时,中波输入回路初级线圈对地短路,同时将中波段的振荡回路对地短路(短路刀的接法参看电原理图)。
三、主要元件数据
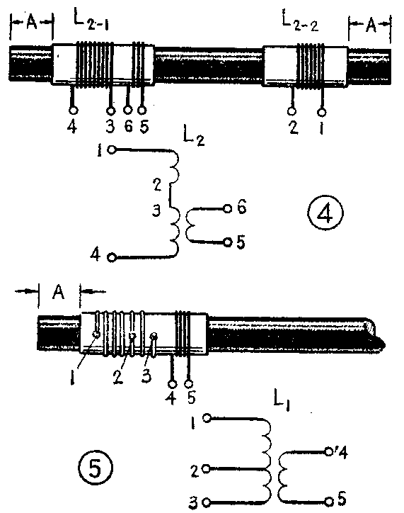
1.中波天线线圈L\(_{2}\)(图4):绕线规格如前述,圈数是:n1~2=35圈;n\(_{3~4}\)=40圈;n5~6=6圈。L\(_{2~1}\)和L2~2串接总电感≥330微亨。测试时A=10毫米,测试频率795千赫。

2.短波天线线圈L\(_{1}\)(图5):绕线规格见前。N1~3=11圈,电感量≥6.5微亨,测试时A=10毫米,测试频率7.95兆赫。N\(_{2~3}\)=2圈(抽头),n4~5=6圈。
3.振荡线圈:中波L\(_{4}\)用SZZ1(红),Q\(_{0}\)≥85;短波L3用SDZ\(_{4}\)(蓝),Q0≥85;均用北京海淀电器厂产品(与牡丹644型收音机通用)。
4.提升圈L\(_{5}\):用海淀厂产品SZP8(粉),Q\(_{0}\)=65~110(与644通用)。
5.中频变压器:第一~第四中周B\(_{1}\)4分别采用海淀厂产品SZP\(_{7}\)(绿)、SZP1(黄)、SZP\(_{52}\)(白)、SZP8(黑)。四个中周可分别与牡丹941型、8402型、543型、8402型收音机通用,其Q\(_{0}\)值均为80~110。
6.输入变压器B\(_{5}\)(图6):用φ0.08毫米高强度漆包线绕制。n1~3=2600圈,电感≥3.5亨利;n\(_{4~5}\)、n5~6=800圈,双线并绕。铁心用D\(_{43}\),0.35毫米厚硅钢片,截面积5×8。

7.输出变压器B\(_{6}\)(图7):用φ0.19毫米高强度漆包线双线并绕,N1~2、n\(_{2~3}\)=210圈,电感≥0.1亨:n4~6=100圈,用φ0.38毫米高强度漆包线绕制。铁心采用D\(_{43}\)、0.35毫米厚硅钢片,截面积为5×8。(饶诒光 于跃)
