随着我国电子工业的迅速发展,集成电路已广泛应用于各种电子设备和控制装置中。一个设备中往往要用几百甚至更多的集成电路,因此在使用前对每一个电路组件进行精心的测试、严格的筛选,是保证顺利调机和整机长期稳定可靠工作的重要环节。本文从使用的要求出发,以图1所示的TTL单与非门(简称组件)为例,说明各参数的测试方法,并对偏离正常值的原因,以及在使用中应注意的问题进行粗浅的讨论。最后介绍一台我们自制的手动TTL双与非门参数测试仪。

输入特性
输入交叉漏电流和输入短路电流是标志组件输入特性好坏的两个重要参数。
一、输入交叉漏电流I\(_{rjc}\)
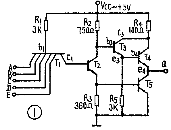
TTL电路中采用了多发射极晶体管组成与门,多发射极晶体管T\(_{1}\)的各个发射区都是N区,基区是P区,当组件工作在有的输入端接高电平,有的输入端接低电平时,如图2所示,e1A对应于e\(_{1B}\)、e1C、e\(_{1D}\)、e1E分别等效为一个NPN晶体管,称为寄生晶体管效应。这种晶体管也有电流“放大”作用,其电流放大系数称为多发射极晶体管的交叉电流放大系数β\(_{叉}\),输入交叉漏电流Irjc主要由β\(_{叉}\)所引起,其正常数值仅十几微安,如β叉偏大,I\(_{rjc}\)也相应增大。

另一方面,由于制作T\(_{1}\)管时工艺及材料等原因,造成组件的正向击穿电压降低,漏电流大,Irjc也剧增。图3列出了几种典型的正向输入击穿特性曲线,其中曲线A为理想的情况;曲线B虽击穿特性较硬,但击穿电压较低;曲线C表示击穿特性软,且击穿电压低,漏电流大。
在逻辑系统中,组件是前后连接使用的,前级作为后级的信号源,后级又是前级的负载。当前级组件输入为低电平“0”、输出为高电平“1”时(如图4所示),后级组件的I\(_{rjc}\)的总和对前级组件是一股向外拉的负载电流ILg,I\(_{Lg}\)=n·Irjc(n为后级组件数目)。若I\(_{Lg}\)超过几个毫安,就会使T3管进入饱和区,组件的输出阻抗变高,输出高电平明显下降,逻辑功能遭到破坏。

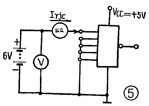
I\(_{rjc}\)的测试线路如图5所示。测试时各输入端依次通过微安表接+6V,其余输入端均接地。选用Irjc≤50μA的,达不到要求的输入端剪掉。

前级组件输出高电平为3.2V~4V,为什么要在输入端加6V测试呢?因为在实际使用中:(1)为了提高整机的抗干扰能力,需将组件悬空的输入端接V\(_{cc}\)上,整机的组件电源允许波动+10%,Vcc可能由5V上升到5.5V;(2)当环境温度上升时,I\(_{rjc}\)会增大,有的组件的正向输入击穿电压也略有下降。在上述两种情况下,象图3中具有正向输入击穿特性曲线B的这类组件的输入端将被击穿,Irjc剧增。因此,加6V电压就可以在测试I\(_{rjc}\)的同时完成对正向输入击穿电压的测试。
必须注意:漏电是造成组件早期失效的重要因素,漏电还随组件工作时间的增长而增大,因此希望I\(_{rjc}\)越小越好。
二、输入短路电流I\(_{rd}\)

TTL电路中某一输入端接地,而其他输入端开路时,由V\(_{cc}\)→R1→T\(_{1}\)管b、e结流入接地输入端的电流称为输入短路电流Ird,如图6所示。由图可见
I\(_{rd}\)=Vcc-V\(_{bes1}\)R1=5V-0.7V;3K≈1.4ma
此项测试可以检查R\(_{1}\)的阻值,若Ird偏大、说明R\(_{1}\)阻值偏低。测试线路如图7,测试方法为:将每个输入端依次经电流表接地。选用Ird≤1.5ma的组件。

在实际使用中,当前组组件输出为低电平时,后级的输入短路电流I\(_{rd}\)的总和,将成为前级T5管承受着的一股灌进来的负载电流I\(_{Ld}\),ILd=n·I\(_{rd}\),如图8所示。当组件输出低电平时,T4管截止,T\(_{5}\)管处于深度饱和状态。此时若ILd太大,将使T\(_{5}\)的饱和深度降低,导致输出低电平升高,抗干扰能力降低,破坏了电路正常的逻辑功能。有的组件Ird稍大于1.5ma,如果前极所带负载较少,n·I\(_{rd}\)不超过前级的ILd时,还是可以使用的。

在使用中还应注意:(1)R\(_{1}\)的阻值随环境温度的下降而减小,造成Ird增大;(2)电源电压V\(_{cc}\)的波动(变大)也会引起Ird增大。
输出特性
输出特性包括输出漏电流、输出高电平、输出低电平和扇出系数四项参数。为了测试方便,在测输出高、低电平两项参数时,对扇出系数和传输特性中的关门电平、开门电平三项参数也分别同时进行测试。
一、输出漏电流I\(_{cL}\)
测试线路如图9。测试方法为:将V\(_{cc}\)和输入端全部悬空,输出端接+5V。选用Ic≤20μa的组件。

从图1和图9中可看出,I\(_{cL}\)由5V的正极经电流表和输出端Q分两路流过组件内部:(1)Q→T4 e、b结→R\(_{5}\)→地;(2)Q→T5c、e→地。所以,测得的I\(_{cL}\)包括T4管发射结的漏电流和T\(_{5}\)管集、射间的漏电流。IcL偏大的组件在使用中T\(_{4}\)、T5管容易产生早期击穿失效。T\(_{4}\)管发射结漏电流大,还会使组件输出高电平抬高(接近5V)。这类组件输出阻抗高,负载能力差,往往一带上不大的负载,输出高电平就下降,在环境温度升高时,这种现象更为明显。
二、输出高电平V\(_{cg}\)
组件任一输入端接地时的输出电平即为V\(_{cg}\)。测试线路如图10,测试方法为用+0.8V依次接输入端,其余输入端均开路,要求2.7V≤Vcg≤3.2V,不合要求的输入端剪掉。输入端加0.8V测V\(_{cg}\)可以同时完成对关门电平Vg的测试。当输入端接0.8V,若测得V\(_{cg}\)≥2.7V,则说明该组件(1)关门电平Vg≥0.8V;(2)在使用中,当输入端为低电平(0.3V以下)时,其V\(_{cg}\)≥3.2V。

R\(_{L}\)是模拟负载。前面讲过,后级组件的输入交叉漏电流是前一级组件输出高电平时的负载电流ILg。若该组件扇出系数=15,每块组件的I\(_{rjc}\)=50μa,则ILg=50μa×15=750μa,为留有充分余地,取R\(_{L}\)=2.7K,在ILg约为1ma的情况下测V\(_{cg}\)。
组件输出高电平时,T\(_{2}\)、T5管为截止状态,因V\(_{cg}\)=Vb3-V\(_{be3}\)-Vbe4,如果测得V\(_{cg}\)偏低,往往是因为:(1)R2偏大或T\(_{2}\)管c、e间漏电流大,使Vb3↓→V\(_{cg}\)↓(2)R5偏小或T\(_{5}\)管c、e间漏电流大,使IR4↑→V\(_{c3}\)↓→T3管由临界饱和进入饱和状态,组件输出阻抗增大,V\(_{cg}\)下降。如测得Vcg偏高,可能是:T\(_{3}\)管b、e结或T4管b、e结或T\(_{4}\)管c、e间漏电大或穿通,这类组件的负载能力很差。
三、输出低电平V\(_{cd}\)
组件输入端全部接高电平时,输出端电压称为V\(_{cd}\)。测试线路如图11。测试方法为将输入端并联后接+1.8V,要求Vcd≤0.3V。

输入端加1.8V测V\(_{cd}\)可以同时完成对开门电平Vk的测试。当输入端接1.8V时,若V\(_{cd}\)≤0.3V,说明该组件:(1)开门电平Vk≤1.8V;(2)在使用中,输入为高电平3~4V时,V\(_{cd}\)≤0.3V。
输出端所接R\(_{L}\)也是模拟负载。组件输出低电平时的负载电流是后一级组件的输入短路电流,组件扇出系数不同,RL阻值也应不同:扇出系数=8,取R\(_{L}\)=360Ω; 扇出系数=15,取RL=200Ω。
关门电平、开门电平、输出高电平和输出低电平是决定组件抗干扰噪声容限的主要因素。

从组件的电压传输特性曲线图12可知:(1)输入电压由大向小变化,使输出电压刚刚达到高电平2.7V时的输入电压值称为关门电平V\(_{g}\),要求Vg≥0.8V;(2)输入电压由小向大变化,使输出电压刚刚达到低电平0.3V时的输入电压值称为开门电平V\(_{k}\),要求Vk≤1.8V,因此可以把V\(_{g}\)、Vk看作是保证组件输出相应状态的输入电压极限值。整机在工作时,由于从电网里串进来或由逻辑系统内部等原因,产生了各种复杂的干扰尖脉冲,对组件保持正常的逻辑电平有害。当这些干扰尖脉冲作用在组件输入端时,组件不至于改变正常的输出电平所能经得起的最大干扰电压(噪声)称为组件的抗干扰噪声容限。它包括高电平噪声容限和低电平噪声容阻。
组件输出高电平最小值与开门电平最大值之差,称为高电平噪声容限。数值约为3.2V-1.8=1.4V。其含义是:在组件输入高电平上若叠加了幅度超过1.4V的负干扰尖脉冲,在此瞬间使输入电压小于1.8V(V\(_{k}\)),输出电平可能由低变高。输出高电平偏低和开门电平偏高,都会使高电平噪声容限下降。
组件输出低电平最大值与关门电平最小值之差称为低电平噪声容限。数值约为0.8V-0.3V=0.5V。其含义是:在组件输入低电平上若叠加了幅度超过0.5V的正干扰尖脉冲,在此瞬间使输入电压大于0.8V(V\(_{g}\)),输出电平可能由高变低。输出低电平偏高和关门电平偏低,都会使低电平噪声容限下降。
组件的抗干扰噪声容限是影响整机能否稳定可靠工作的重要因素之一,而低电平噪声容限比高电平噪声容限低很多。为此,在测试输出高电平时可以把关门电平V\(_{g}\)由0.8V提高到1V,使低电平噪声容限由0.5V增至0.7V。实践证明,绝大部分组件在Vg=1V时,输出高电平都在2.7V以上。
在使用中应特别注意防止组件电源电压V\(_{cc}\)跌落和机柜内部温升过高。当Vcc下降时,会影响输出高电平和关门电平下降。环境温度升高也会使关门电平下降,使整机的抗干扰能力降低。
功率损耗特性
功率损耗特性包括静态功耗(空载通导功耗、空载截止功耗)和瞬态功耗三项参数。只要测出功耗电流,将其值乘以电源电压即为功耗。
一、空载通导功耗电流I\(_{kt}\)
组件输入端全部为高电平,输出为低电平时,流经整个组件的总电流称为I\(_{kt}\)。测试线路如图13。测试方法:输入端及输出端均悬空。选用Ikt≤7.5ma的组件。双与非门要求I\(_{kt}\)≤15ma。

输入端悬空相当于接高电平,此时T\(_{2}\)、T3、T\(_{5}\)管通导,T4管截止。
I\(_{kt}\)=IR1+I\(_{R2}\)+IR5
=\(\frac{V}{_{cc}}\)-Vbc1-V\(_{be2}\)-Vbe5R\(_{1}\)+Vcc-V\(_{ces2}\)-Vbe5;R\(_{2}\)+Vbe5+V\(_{ces2}\)-Vbe3R\(_{5}\)
=\(\frac{(5-0.7-0.7-0.7)V}{3K}\)+(5-0.3-0.7)V;0.75K+\(\frac{(0.7+0.3-0.7)V}{3K}\)
=1ma+5.3ma+0.1ma=6.4ma
由上式可看出I\(_{kt}\)主要是流经R1和R\(_{2}\)的电流。Ikt偏大的原因主要是(1)R\(_{1}\)或R2阻值偏小;(2)T\(_{4}\)管c、e间漏电流大。
二、空载截止功耗电流I\(_{kj}\)
组件输入为低电平、输出为高电平时,流经整个组件的总电流称为I\(_{kj}\)。测试线路如图14。测试方法:全部输入端短路后接地,输出端悬空,要求Ikj≤3.5ma,双与非门的I\(_{kj}\)要求≤7ma。

输入为低电平时,T\(_{1}\)管饱和,T3、T\(_{4}\)管通导,T2、T\(_{5}\)管截止。故
I\(_{kj}\)=IR1+I\(_{R5}\)
=\(\frac{V}{_{cc}}\)-Vbe1R\(_{1}\)+Vb3-V\(_{be3}\);R5
=\(\frac{5V-0.7V}{3K}\)+5V-0.7;3K≈2.9ma
I\(_{kj}\)偏大的原因:(1)R1或R\(_{5}\)阻值偏小;(2)T5管c、e间漏电流大。
三、输出短路电流I\(_{cd}\)(瞬态功耗电流)
组件在高低电平转换过程中,T\(_{4}\)、T5管在一瞬间同时处于导通状态,这时流过R\(_{4}\)、T4、T\(_{5}\)管的电流很大,它表示组件在工作中的瞬态功耗电流,其数值主要和R4的阻值有关。可以用当组件输出高电平时,将输出端经电流表接地的方法测试I\(_{cd}\)。测试线路如图15,要求Icd≤45ma。

功耗偏大会使组件在工作时温度升高,造成组件性能不稳定甚至被烧坏,同时也增加了电源的负担。组件工作在低频时,功耗接近于静态平均功耗。当工作频率较高时,瞬态功耗会引起平均功耗增大,这是应当注意的。
自制TTL双与非门参数测试仪

为了在使用前对组件进行检测,我们自制了TTL双与非门参数测试仪,图16是线路图,图中K\(_{1}\)为10×11(10刀11位)波段开关,用了9位,K2为4×l1波段开关,用了10位。组件管脚用多线插头座与测试仪相接,组件地线通过插头座与仪器地线相接。左边一列指示灯装在面板上,由K\(_{1}\)-1控制,表示所测的参数类别。右边一列指示灯也装在面板上,由K2-1控制,表示被测的组件输入端或输出端。F\(_{1}\)~F10是十个负载为继电器的反相器,单元线路如图17。由K\(_{1}\)-9控制十个反相器的Vc端是否接+12V;由K\(_{2}\)-4控制反相器的输入端(3DK4的基极)接地或悬空。当V\(_{c}\)接+12V,反相器输入端若悬空时,3DK4饱和、J通电、常开触点闭合;若接地时,3DK\(_{4}\)截止,J断电,相应的触点断开。在触点闭合时,由K1-10控制被短接的组件输入端接地、悬空、或接1.8V。在触点断开时,由K\(_{1}\)-3和K2-3控制组件某一输入端接所需电位或连续方波信号。K\(_{1}\)-4和K1-5控制电流表是否接入被测线路中,和是否并联上不同的分流电阻以获得四档满刻度值:100μa、5ma、25ma(50ma)、100ma。由于电流表内阻不同,分流电阻的阻值在制作时根据上述四档满刻度值要求经过实验来选定。K\(_{5}\)扳在位置1,测一般与非门;扳在位置2,测与非门驱动器。

下面以测输入交叉漏电流为例,来说明使用方法。把K\(_{1}\)转到第二档位置,(1)ZD2亮,表示测试项目为测输入交叉漏电流I\(_{ric}\);(2)+6V(由电阻从+12V上分压取得)经K1-4接电流表正极(此时为100μa档),电流表负极经K\(_{1}\)-5与K1-3、K\(_{2-3}\)相接;(3)J11通电,其常闭触点断开、常开触点闭合,使输入电压表正极接+6V,K\(_{1}\)-7使电压表负极与地之间串联R8V,电表满刻度为8V档(R\(_{8V}\)的阻值经实验选定),并指示被测输入端电压为6V;(4)组件Vcc端经K\(_{1}\)-6和K6接+5V;(5)由于K\(_{1}\)-9经K7接+12V、K\(_{1}\)-10接地,故组件的十个输入端被短路并接地。
再转动K\(_{2}\)到第一档位置,(1)ZD11亮,表示测输入端A\(_{1}\);(2)K2-4使F\(_{1}\)输入端接地,J1断电,其触点断开,使输入端A\(_{1}\)与地断开,同时经K2-3、K\(_{1-3}\)、K1-5接电流表负极,电流表指示A\(_{1}\)端的Irjc值,实现了图5的测试线路。
对其它参数的测试,读者可参考前面的基本参数测试线路自行分析。
最后对本测试仪的制作和使用作几点说明:
(1)因测试组件动态开关速度较复杂,我们用f=2Mc的方波接到组件输入端,从示波器上看输出端波形的上升边沿和下降边沿是否较陡直的方法,粗略测其开关速度。在加2Mc的方波条件下选出的组件,用在工作速度较低的数控装置中是足有余地的。把测波形放在第一项,是因为从波形的好坏和有无就能知道组件某个输入端或输出端是否坏了,以确定对该输入端或整个组件是否有必要进行其他的参数测试,提高了测试效率。图18是用两块单与非门和电阻、电容组成的方波振荡器,输出方波频率为2Mc。装配时应注意,振荡器输出端至组件输入端的连线要尽量短,否则加到组件输入端的波形会变坏。

(2)V\(_{g}\)(1V)和Vk(1.8V)电压,由5V分压后经射极跟随器输出取得,当负载电流变化时,输出电压较稳定。
(3)W\(_{1}\)、W2、W\(_{3}\)、W4四只电位器装在面板上,便于研究组件特性时调整用。当测试大批组件时,可调到需要数值后固定不动。
(4)为延长K\(_{2}\)的使用寿命,加了K3 、K\(_{4}\)两个微动开关,在测试IcL、V\(_{cd}\)、Vk、I\(_{Ld}\)、Icd等参数时,可将K\(_{2}\)扳在空档,按一下K3、K\(_{4}\)即可。(刘鼎恩)