GY—2×275瓦扩音机是农村有线广播站用得较多的一种机器。这种机器在电源电压不稳的情况下,高压电源变压器的绕组常被击穿烧坏。我们根据“悬浮电路”的原理,采用电容串桥电路直接整流,省掉了高压电源变压器,取得了较满意的效果。经过改动后的机器,高压延时开启时间由20分钟减少到1分钟。经过一段时间使用证明,在电源电压为200伏~230伏(有时到240伏)时,机器及整流电路部分均工作正常。现将几个改装措施介绍如下:
一、“电位参考点”的处理
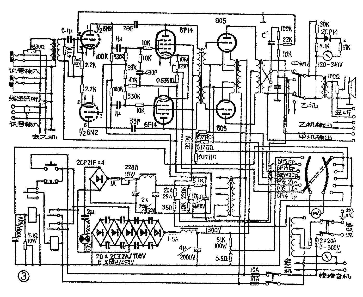
为了达到“悬浮”的要求,将该机分成三个电位参考点。第一个是高压1300伏回路的参考点;第二个是次高压300伏回路的参考点;第三个是零电位参考点,因为这一个点接机壳(即接大地),所以又叫安全参考点。在改装时,只要将三个电位参考点各自绝缘起来,使交流电源不接机壳,就可采用悬浮电路了。
高压1300伏回路,是指由高压整流器的B\(_{+}\)输出端→805功放管屏极→805灯丝变压器中心抽头→三只0.1271欧分流电阻及测量表头→过荷继电器及分流电阻→整流器B-组成的回路。在原机中,高压回路的参考点均接机壳,而在悬浮电路中是不能接地的,因此在改装时,凡高压回路的接机壳各点均应与机壳断开,用绝缘线(胶线)将各断开点连起来接至整流器的B\(_{-}\)(见图3),B-就是高压参考点了。应该注意,此时高压回路的任何一点,对机壳(地)都显示有1300伏高压,如图1中回路(3)。
次高压回路是指由次高压整流器B\(_{+}\),通过各相应的元件6N2、6P14等,至次高压整流器B-的整个回路。改装时,也要将该回路各接机壳点断开,用绝缘导线连起来接至次高压整流器B\(_{-}\)一端(见图3),B-端就成为该回路的次高压参考点。此时,次高压回路任何一点对机壳(地)均显示有300伏电压,见图1中的回路(2)。


原机输入和输出回路接机壳各点不用动,机壳就是输入和输出回路的参考点。因为机壳接地,所以使用时机壳不会带电,这样就保证了使用时的安全,见图1中的回路(1)和(4)。
为了防止次高压通过反馈网路加到输出回路去,在电路中加入了C′和C″两个电容器,C′、C″可选用金属化纸介电容或纸介电容器,容量在0.1~1μF范围选择,耐压在450伏以上。
二、电容串桥整流电路分析
图2是本机采用的五桥串桥高压整流电路,它用20只高压半导体整流二极管和8只电容器组成。这个电路的优点是对整流元件的耐压数值要求较低。

下面以图2为例,分析一下它的整流原理。
若从AA′两端输入220伏交流电源电压,从FF′两端就能得到将近1400伏直流电压(实际上由于整流元件有电压降,输出直流高压会比1400伏低一些)。例如,在电源电压的第一个半周内,若A点为正、A′点为负,则二极管D\(_{1}\)、D2导通,给C\(_{4}\)充电至300伏左右;D2、D\(_{4}\)导通,给C1充电至300伏左右。在电源电压的第二个半周内。A点为负、A′点为正,则D\(_{5}\)、D6导通,对C\(_{3}\)充电至300伏在右;D7、D\(_{8}\)导通,对C2充电至300伏左右。另一方面,此时电源电压E与电容器C\(_{4}\)上的300伏电压顺向串联,使C′点对A点的电压为600伏。C′点为正、A点为负,则二极管D13、D\(_{14}\)导通,对C3、\(_{C}\)7充电至600伏,因C3、C\(_{7}\)电容量相等,所以C3、C\(_{7}\)上分得的电压都是300伏;又因此时电源电压E与C2上的300伏电压顺向串联,使B点对A′点的电压为600伏,且B点为负,A′点为正,所以D\(_{15}\)、D16导通,对C\(_{2}\)、C6充电至600伏,因C\(_{2}\)、C6容量相等,所以C\(_{2}\)、C6上的电压也都是300伏。在电源电压的第三个半周内,A点为正、A′点为负,一方面电源电压E与C\(_{3}\)上的300伏电压顺向串联,与C4上的300伏电压反向串联,在CC′两端得到300伏电压,C端为正、C′端为负,于是D\(_{9}\)、D10导通对C\(_{8}\)充电至300伏;另一方面,此时电源电压E也与C1上的300伏电压顺向串联,与C\(_{2}\)上的300伏电压反向申联,在BB′两端得到300伏电压,B点为正、B′点为负,所以D11、D\(_{12}\)导通,对C5充电至300伏。这样,从回路A′→电源E→A→C\(_{3}\)→C点→C7→E→D\(_{17}\)→F′→R→F→D18→D′点→C\(_{6}\)→B′点→C2→A′点来看,电源电压E是和C\(_{3}\)、C7、C\(_{6}\)、C2上的电压顺向串联的。又因C\(_{3}\)、C7、C\(_{6}\)、C2上的电压都是300伏,总共1200伏,再加上电源电压半个周期内的平均值为0.9E=0.9×220伏≈200伏,在F′F两端之间就能得到1200伏+200伏=1400伏的电压。同理,在电源电压的第四个半周内,从F′F两端也能输出1400伏电压。实际上,由于整流元件有内阻,输出直流高压会低一些,我们用MF5—Ⅰ型表实测为1350伏。
图2中,电源电压除了从AA′两端接入的方法以外,还可以从BB′两端、CC′两端、DD′两端或EE′两端接入,那么这几种接法哪一种好?实践证明还是从AA′两端接入较好,这样可使输出直流高压较高(达1350伏),而且机器在零信号和满载时,输出直流高压变化范围较小(1350~1200伏)。
三、改装中的几个问题
(一)元件选用:该整流器可以供CY—2×275瓦扩音机中的甲机、乙机合用,这时只要将甲机、乙机按图3电路改装好,并接在整流器上即可。甲、乙机均有自己的高压和次高压滤波系统,虽然共用一个电源也不会有任何干扰。这样可节省一半的元件。
甲、乙机共用一个整流器时,高压整流二极管可用2CZ系列3A/350V以上的二极管,次高压整流元件可用1A/350V以上的二极管。8只电容器均用100μ450V的电解电容。如果甲、乙机的整流器不共用,则高压整流元件可用2CZ系列2A/350V以上的二极管,8只电容器用50μ450V以上的电解电容。
实践证明,电解电容的容量加大一些,整流器的输出直流电压会高一些,而且机器在零信号或满载时,直流高压波动范围小。
(二)测试:线路改接好以后,可用万用表R×10000档测量各电位参考点之间的绝缘性能。高压回路和次高压回路的任何一点对机壳都不能有电阻读数,高压与次高压回路之间也应绝缘良好。在测试中常发现的问题是应该与机壳断开的各点忘记断开,例如,高压泄放电阻和滤波电容的接机壳点,测量选择的接机壳点等。
测量高压输出时,先把负表笔接在整流器的高压输出负端,开启高压,用正表笔去接整流器高压的正端,这时便能测出直流高压了。(我们测量时采用的是MF5—1型万用表,拨在6000V-档)。
测量次高压时,万用表拨在600V-或500V-档,负表笔接次高压输出负端,正表笔接次高压低频扼流圈的输出端(或6P14屏极),调整电阻220Ω15W的阻值,使表针指示电压为270伏即可。
(三)高压指示小电珠电源采用电容降压线路供电(如图3),电容器容量的计算公式是C=14I(微法),我们用6V150mA的小电珠,降压电容为2μ·600V的电容器。因为指示灯是经过降压电容直接接电源的,所以必须用安全指示灯座,或把原来的指示灯座用绝缘板固定在机壳上,确保与机壳绝缘,这一点容易忽视,应特别引起注意。与过荷继电器并联的100μ15V电容应换成100μ/50~100V的电容。
(四)“总电源开关”、甲机和乙机的“低压开关”必须用原机的双刀开关,以保证关机后的安全。
(五)整个整流器安装在一块大小适宜的耐高压绝缘板上,去掉原高压电源变压器,用20~30毫米的带螺丝的磁柱把整流器板固定在原来固定高压电源变压器的四个孔上,并使该板与机壳和其它机件之间有20毫米的距离,以免发生高压跳火。焊接整流器的元件及接线时,尽量不使用焊油,以免造成漏电。如果使用焊油焊接,当元件接好后一定要用工业用酒精刷洗干净。整流器上各元件都带有220伏以上的高压,测试、调整和维修时要特别注意人身安全。
(六)原机“终前监听”插孔的接线全部拆掉,不再使用此插孔。(陕西省渭南县广播站 王智民)