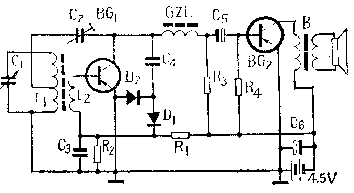
在装置来复再生式半导体收音机时,经常碰到高频管BG\(_{1}\)集电极电流调不到要求数值(1-2毫安)的现象,下面以两管机为例来分析原因。

一、在来复再生式半导体收音机中,由于加上了再生电路,如果布线不合理或再生调得太强,就会产生很强的高频振荡,使集电极电流从静止工作点降下来。在这种情况下即使减小上偏流电阻集电极电流也调不上。由此可知,要调整BG\(_{1}\)管集电极电流时,应先断开再生电路,待集电极电流调到要求值,然后再加上再生电路。
二、高频旁路电容C\(_{3}\)击穿,检波负载电阻R9对地短路,使高频管基极电压为零,造成无集电极电流。
三、线圈L\(_{2}\)断线,将出现类似故障。
四、电池电压过低,而集电极电路的音频负载电阻R\(_{3}\)阻值过大,集电极电流受其限制不能调到要求值。
五、二极管D\(_{1}\)、D2都短路或其中有一只短路,而另一只二极管的正向电阻又小于BG\(_{1}\)管e-b间的正向电阻,此时BG1管的基极电流被二极管旁路,致使BG\(_{1}\)集电极电流调不上去。
排除了上述种种原因后,集电极电流还调不上去,那就肯定是三极管内部损坏或本身质量差所致,可换一只高频管试试,遇到高频管集电极电流调不上,应查明原因,不应将偏流电阻调得太小,以免损坏晶体管。(杨逸民)