二、末级功放
FU—5(805)电子管是一种高放大因数的功率管,效率较高。为了提高FU—5电子管的输出功率,可采用提高屏压(1800~1900伏)和加栅负压的办法,使末级输出功率从250瓦提高到450瓦以上。
由于提高了屏压,FU-5管屏至屏的负载阻抗相应提高到10KΩ左右,这样,可使输出变压器在输出电压240伏时的初次级电压比为10:1左右。经试验,发现原TY-250瓦输出变压器(302型)的圈数比为10.5:1,加上原输出变压器的功率富裕量较大,因此可以直接用原输出变压器。在屏压为1800伏左右时,从原次级120伏的端子上可得到240伏的输出电压。如需重绕,具体数据见图9。
三、栅极负偏压的处理
为了提高输出功率,减小功放管的无功损耗,电路中增加了栅极负偏压电路。原TY-250瓦扩音机,是零偏压乙类推挽功放电路,FU-5×2管静态屏流在140毫安以上,单管静态屏耗为100瓦左右。现在由于加入了负偏压(-29伏),使FU—5的静态屏流下降为60毫安~80毫安,单管静态屏耗下降到70瓦左右。由于加了负偏压,降低了工作点,使功放管屏耗大为减小,提高了屏极输出效率,即使在满载时,屏极也不发红。
应当注意的是,栅极负偏压的选择要适当,负偏压太大,容易产生小信号失真,同时也会造成前级推动功率不足;反之,栅负压太小,则会造成FU—5管静态屏流增大,使屏耗增加。一般要求FU-5电子管的静态屏耗不大于120瓦。经我们多次试验,栅负压选择在-25~-32伏之间较合适。
栅负压的电路见图6。图中,栅负压是由二只2CZ11B管全波整流滤波后,再经二只2CW22I串联的硅稳压管稳压,使其稳定在-29伏,不受电源电压波动的影响。

四、负反馈的处理
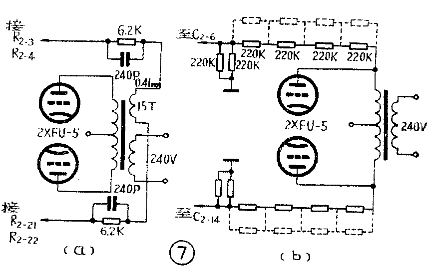
为了降低非线性失真系数,获得良好的电压调整率(定压式),使输出电压在空载和满载时的变化不大于3分贝。在原TY—250瓦输出变压器线包上用0.41毫米高强度漆包线穿绕15圈,每边各经12W6.2K电阻和240P云母电容并联后分别接到6J8P电子管阴极反馈电阻上,见图7a。如果输出变压器无法穿统负反馈绕组,则可利用原负反馈电阻板,将反馈电阻加大一倍,见图7b。原机负反馈电阻从FU—5屏板每边各经10只220K电阻(实际上是每二只220K电阻并联成110K)反馈到6J8P阴极反馈电阻上。现将每边各剪去四只(如图7b,将虚线部分的四只220K电阻剪去),使反馈电阻适当,达到失真小,输出电压稳定。

另外,为了抑制高频寄生振荡,改善整机频率响应,将原6P6P屏极至6J8P屏极间的反馈电容加大到100P。
五、激励级的处理
由于FU-5屏极负载阻抗提高,相应地也提高了栅极的输入阻抗,另外由于加了栅负压,使得功放管栅至栅的推动电压也要提高,从原来的167伏提高到200伏(有效值)。实践证明,原TY-250瓦的末前级2×6P6P的推动功率富裕量较大,是可以满足要求的。即使在推动变压器不改绕的情况下,仍能满意地工作。如能改绕推动变压器,则可保证推动电压有足够的富裕量,这样当电源电压稍有下跌或6P6P电子管稍有微弱衰老时,仍能保持有足够的推动电压。
六、高压泄放电阻及测量
由于提高了FU—5的屏压,使原来的高压测量量程(0~1500伏)不够。现将高压泄放电阻改用100K100W线绕电阻,就使FU-5屏压测量量程扩大了一倍(O~3000伏),测量时只要将电表表面读数加倍即可。加大了泄放电阻,也同时降低了直流高压的无功损耗,从而减轻了高压整流电路的负担。
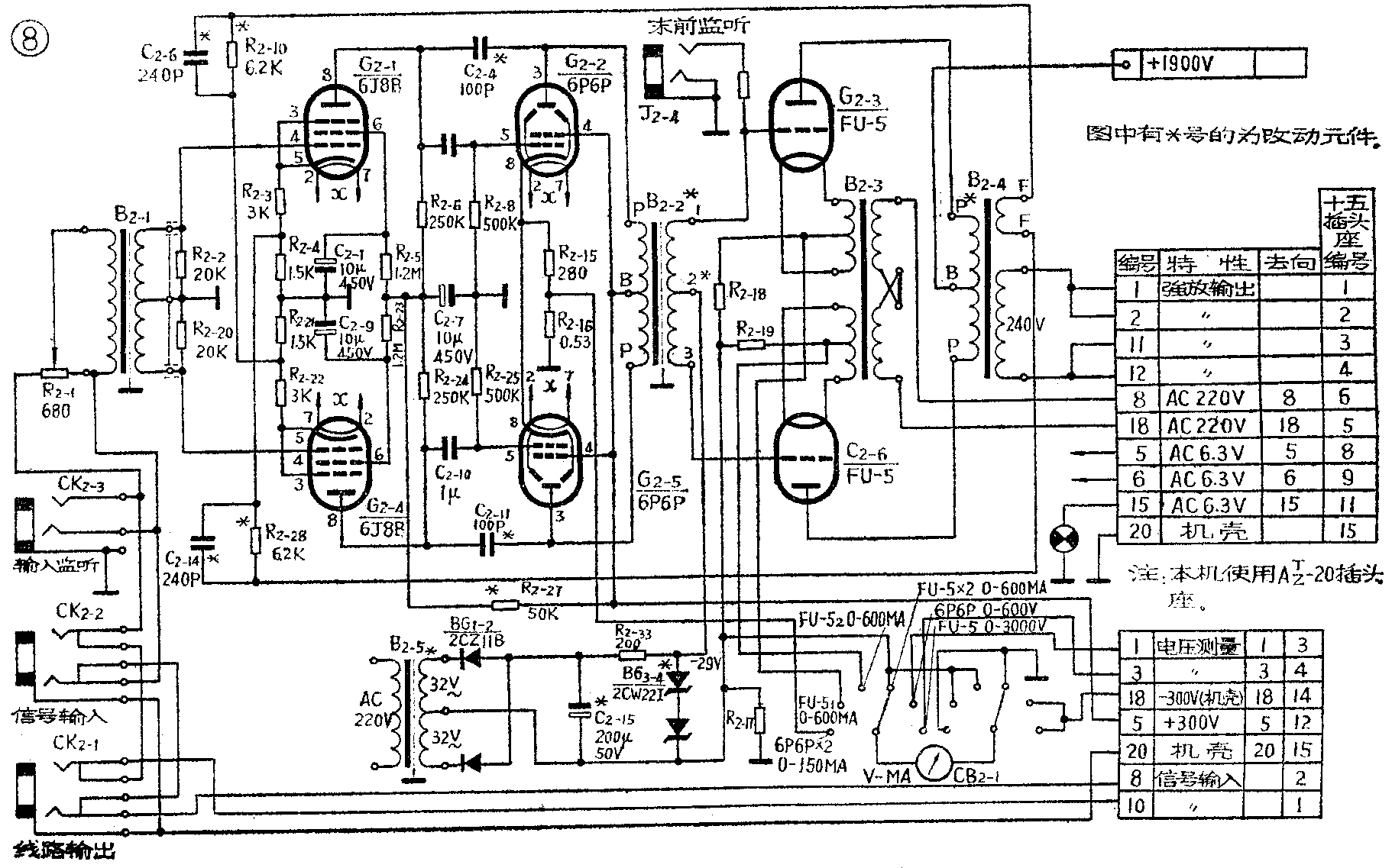
改装后强放层的电路如图8。在改革过程中,发现有部分机器高频特性较差,于是我们在二只6J8P电子管的阴极到地之间各并联一只6800P的电容器,以改善高频响应。

改装及调试方法
改制时基本保持了原有零件的位置。拆去低频扼流圈后在其位置上加装一只4μF2KV高压电容器。栅极负偏压整流二极管和稳压管合装在一块3×4O×100毫米的铝板上(注意绝缘),以利于散热。栅负压整流组件连同电源变压器安装在推动变压器后面。如高压整流采用2DL—1A5KV硅堆时,可将高压硅堆安装在玻璃纤维胶木板上,固定于高压电源变压器前的挡板上。
调试时,应按下列顺序进行:
1.开启低压电源,这时6P6P的屏压应为300伏,屏流应为75毫安,推动变压器次级中心抽头对地电压应为-29伏。
2.接上输出负载电阻200W128Ω,或用220V200W以上的电灯泡代替负载。关小音量输入电位器,开大监听音量电位器,测量开关应扳在FU-5×2 0~600毫安位置。接通高压,如发现FU—5屏流过大,监听喇叭有啸叫声,应立即关掉高压,将负反馈线头对调一下,也可以对调推动变压器次级的两个接头。这时再接通高压,测量FU-5的屏压应在1800~2000伏左右,FU-5×2的屏流应在60~80毫安范围内。
3.送入2.5伏400赫音频信号,开大音量输入电位器,使输出端128欧负载上得到240伏电压,输出功率为
P\(_{出}\)=\(\frac{E}{^{2}}\)R=2402;128=450瓦
这时FU—5×2的屏流应不大于340毫安。在测试输出功率时,FU-5的屏极不应发红。如有发红,应检查是否有寄生振荡或其它接线错误。
如有条件,可进一步测试扩音机的其它各项指标,如失真度、频率响应、输出电压调整率等。在正常情况下,各项电气性能应基本接近原机的指标。
对于GY—250瓦扩音机或类似TY-250瓦的扩音机,我们也进行过同样的改革,收到了基本相同的效果(改革时要注意输出变压器的匹配问题,以及其它零件之间的绝缘等)。
变压器绕制数据
1.输出变压器绕制数据如图9。铁心可用原输出变压器的铁心,或用拆下来的扼流圈铁心加厚到规定值。线包的绕法如图10,这样分布电容小,高频特性好。也可以采用图11的绕法,这样做绝缘比较容易处理,绕制比较简单,但这样的作法是高频特性不如前一种绕法好。



因为屏压提高了,对输出变压器的绝缘要求也相应提高,绕制时要特别注意绕组之间的绝缘、绕组和铁心之间的绝缘以及内部接线头的绝缘,高压线包引出线用直径为1.5毫米和3毫米的双层黄蜡套管套好。
3.栅负压电源变压器绕制数据如图13。(续完)(上海市金山县人民广播站)

