1.有一个次级电压为250伏、电流为130毫安的电源变压器因故烧坏,想用两个电压为250伏、电流为65毫安的电源变压器并联代用行吗?
2.有时用手碰触架在室外的天线(天线绝缘良好),会被电麻一下,为什么?
上期“想想看”答案

1.电子管6A2是七极变频管,6K4是遥截式五极管,它们的管脚接线如下图。从图可以看出,6K4的第2脚与第7脚都是连接在管内的屏蔽罩上,所以2脚与7脚是连通的,而6A2的2脚与7脚却不是连通的。根据这一特点,用万用表的欧姆档去分别测试两管的第2脚与第7脚是否连通,就能很快判别出6K4与6A2。(林在荣)

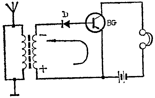
2.第1个线路不能正常工作,第2个线路能正常工作。困为PNP型晶体三极管在起放大作用时需要在发射结上加一个正向偏压,即发射极为正、基极为负。在这两个单管机线路中,晶体管的发射结上的偏压是利用接在基极电路中的二极管D对外来信号进行整流后取得的。在图2线路中,经二极管整流的外来信号电流方向如图所示,整流后的偏压方向对发射结来说是正向偏压,所以晶体管能正常工作,对外来电台信号起放大作用,耳机中能听到电台广播声。而在图1线路中由于二极管接法,使三极管的发射结得不到正常的正向偏压,所以这个单管机不能正常工作。这就提醒我们,在装置这种单管机时,要特别注意二极管的接法。(沈长生)