调谐指示管是一种特殊的复合管,交流收音机里常用它来指示调谐回路是否准确调谐到要收听电台的频率。在录音机里常用这种管子来指示录音和放音信号的大小。目前,我国大量应用的调谐指示管的型号是6E2。下面我们对6E2管的结构、工作原理、参数、应用等方面作些简单的介绍。
一、结构
6E2调谐指示管是由一个三极管部分和一个指示管部分组成的一种特殊复合管。图①是它的外形图,图②是结构示意图。6E2管中的三极管部分和指示管部分公用一个旁热式氧化物阴极。调谐指示管中三极管部分位于公用阴极的一侧,它与普通三极管相仿,由于是与指示管部分合用一个阴极,因此三极管的栅极采用半栅(见图③(b)),而阳极采用短形状。



指示管部分位于共用阴极的另一侧,由阴极、指示管栅极、控制极、加速腔和荧光屏等组成。指示管栅极也是半栅结构,它与阴极在管内直接连接,因此与阴极是同电位的。指示管栅极的作用是为了限制从阴极流向荧光屏的电流,并使荧光屏发光亮度均匀。
控制极是一根细金属丝弯成图②中所示的形状构成,它的作用与普通三极管的棚极相仿。
6E2管的荧光屏是把发绿光的荧光粉涂在玻璃壳内表面上的一个矩形条上形成的。为避免在荧光屏上累积负电荷,在涂荧光屏之前先在整个玻壳内涂复一层导电的四氯化锡。由于四氯化锡涂层有足够的透明度,所以仍可从管外看到荧光指示。6E2管荧光屏的这种结构,使它可以根据收音机或录音机面板上调谐管窗口形状而任意放置(垂直、水平或任一角度),这是6E2管的优点之一。
在荧光屏与控制极之间有一个具有矩形槽的金属壳叫做加速腔(见图②),加速腔的顶上装有一片与玻壳内表面相接触的金属弹簧片(见图④),而玻壳内表面涂的导电的四氯化锡涂层又是与荧光屏相通的,这样加速腔通过金属弹簧片、四氯化锡涂层与荧光屏相连。加速腔与荧光屏的管脚相连,荧光屏所需要的电压是通过加速腔加上去的。另外加速腔的矩形槽还起到使电子在矩形的范围内打在荧光屏上而不发散的作用。

二、工作原理
6E2调谐指示管的管脚连接图见图⑤。图⑥是 6E2管的工作原理图。三极管部分的栅极接有栅极电阻R\(_{g}\),它最大值不得超过3兆欧。图⑥中Vg是输入电压,它经过R\(_{g}\)加在阴极③与栅极①之间,Vg电压的负端接栅极,因此也就是栅极负偏压。三极管部分的阳极接有负载电阻R\(_{a}\),它的阻值是100千欧。阳极⑨通过负载电阻Ra与荧光屏②、⑥、⑧脚连接,荧光屏上要求加250伏电压。


指示管部分的栅极是在管内与阴极直接连接的,在6E2正常工作时控制极⑦应与阳极⑨在管外连接。下面我们来谈一下当栅极负偏压V\(_{g}\)变化时,荧光屏上矩形光面是如何变化的。



由图②所示,阴极发射的电子在飞向荧光屏的过程中要经过控制极。当控制极的电位发生变化时,它周围的电场发生变化,电子的运动方向也就改变。当控制极的电位低于加速腔电位时,电子飞到控制极附近,受到电场的排斥,就偏转分成两个电子束,打到荧光屏两端,形成两个亮区,而中间是暗区(见图⑦(a))。控制极的电位越低,电子束向相反的两个方向偏转得越厉害,从而使荧光屏上的两个矩形光斑较小而暗区却很大,通常称作荧光屏开启。当控制极电位接近加速腔的电位时,电子束不再偏转,均匀地打到荧光屏上,使矩形光斑最大,除中间被控制极挡住的很窄一条不发光外其余都亮了,通常称作荧光屏闭合(见图⑦(b))。
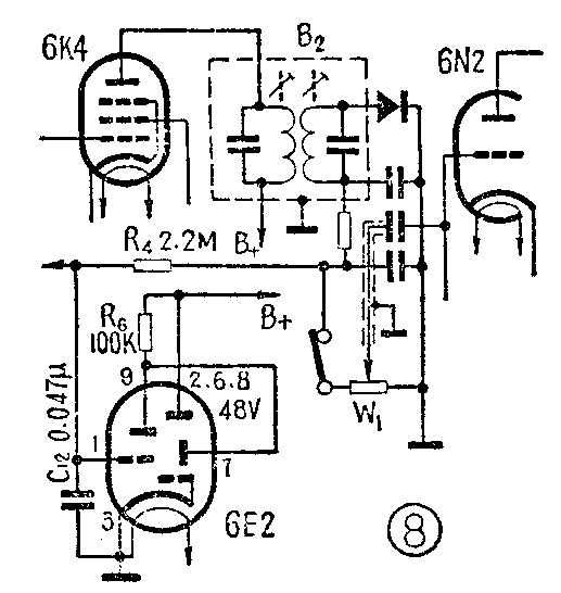
下面以目前生产的交流收音机中常应用的6E2调谐指示管为例,说明它的工作原理。图⑧是红灯711交流六管收音机的部分电路图。由图所示,6E2管的三极管部分的栅极电压V\(_{g}\)是从收音机的检波电路输出端取得的直流负电压,它的大小随中频输入信号的强弱而变化。当收音机调谐准确时,检波后输出的这个负电压增大,6E2管的栅极所加负压Vg也增大。由于栅极电压负得厉害,阳极电流变小,阳极电流在R\(_{6}\)上的压降减小,阳极电压升高,控制极电压也上升接近于加速腔的电位,这时亮区很大,暗区变成一条线;相反失谐时,检波电压很小,6E2管的栅极负电压Vg也小,控制极电压下降,荧光屏中间出现很大暗区。当附近有强力电台时,亮区可能发生重叠,荧光屏中间出现特别亮的一段(见图⑦(c))。
三、参数与使用注意事项
6E2调谐指示管与6E5、6E1调谐指示管相比有许多优点。除了在荧光屏结构方面的优点外,6E2管的灵敏度比较高,荧光屏发出的绿光色调柔和、悦目,并且亮度不易衰退,另外还有偏转角度大,指示范围宽等优点,因此6E2管除了在收音机、录音机上使用外,有时也用于仪器中作为指示器。
为了读者使用时方便,现把6E2调谐指示管的基本参数列于表一,把使用极限数据列于表二。我们在使用6E2调谐指示管时应注意各参数不应超过允许使用极限值,否则会丧失工作能力和缩短使用寿命。另外此管不要用在串联的灯丝电路中,并且管子的安放位置要远离磁场。

表二
最大灯丝电压 6.9优
最小灯丝电压 5.7伏
最大荧光屏电压 250伏
最小荧光屏电压 200伏
最大阳极电源电压 250伏
有时我们会遇到6E1调谐指示管坏了需用6E2管来代替的情况,这时我们必须了解6E1与6E2管在管脚接线上有什么不同。图⑤、图⑨分别为它们的接线图,下面介绍代换方法:1、把原6E1管线路中的负载电阻R\(_{a}\)换成100千欧。2、找到原6E1管的管座,看一下③、⑧、⑨脚上哪一个脚上连着250伏电源线,如是⑧脚,就不用改动;如连在③或⑨脚上,把此线改接到⑧脚上。3、把原管座②脚上的线改接到③脚上,4、用一条短线将⑦脚和⑨脚连接。其余①、④、⑤脚的接线不用更改。经过上述的改动后,就可将6E2代换6E1管了。(沈佩信)