目前使用于电池式半导体收音机的低频电路基本上有二种,一种是用普通输入变压器和输出变压器的电路;另一种是无输入、输出变压器互补推挽电路(通常所谓“0TL”电路)。下面简单地介绍一种介于这二种低频电路之间的过渡电路,它适用于较低电源电压的情况下,能获得较高的效率、较小的失真和较大的功率。
一、原理简述
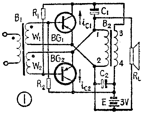
这里以春雷3H5型半导体收音机产品采用的这种电路为例来分析,见图1。BG\(_{1}\)和BG2是同极性的两只晶体管,和一般的有输入变压器而无输出变压器的电路相似,变压器B\(_{1}\)用作倒相耦合,它的次级有两个独立的线圈W1和W\(_{2}\),分别接在两只晶体管的基极和发射极之间。线圈W1的同名端(图中有圆点记号的一端,即同是起端或同是末端)接到BG\(_{1}\)的基极:线圈W2的同名端则接到BG\(_{2}\)的发射极。所以两个次级线圈的相位相反。若两管工作于乙类状态,则无信号时两管的集电极电流为零,处于截止状态(实际上为了避免变越失真,两管在无信号时不是完全截止,有一定的静态工作电流,是工作在甲乙类)。假定输入信号电压前半周时,BG1管的基极为负,发射极为正,处于导通状态,则BG\(_{2}\)管的基极为正,发射极为负,处于截止状态。BG1管的集电极电流i\(_{c1}\)随信号而变化,ic1流过C\(_{1}\)和扬声器负载RL,在R\(_{L}\)上面得到相应的前半周信号。当输入信号后半周时,则BG1管截止,BG\(_{2}\)管导通,集电极电流ic2流过负载R\(_{L}\)上。恰好两个半周正弦波拼起来合成一个完整的正弦波,得到一个放大了的完整的信号输出。上述这种形式的并联推挽功放电路,我们简称为“过渡电路”。

二、电路特点和达到的质量指标
1.与一般无输入、输出变压器电路相比,这种电路具有以下几个特点:
(1)由于每管集电极电压都差不多等于电源电压,不象一般无输入、输出变压器电路,只有电源电压的一半。所以功放管在同样条件下工作时,电源电压可以低一半,或者用同样的电源电压时,输出功率可以高达四倍。
(2)在一般无输出变压器电路(图2)中,BG\(_{1}\)的原始偏压是由本管集、射极间实受电压UC1经过R\(_{1}\)和R′1分压而得到。当BG\(_{1}\)因输入信号使基极更负而导通时,其集电极电流上升(此时BG2的电流则下降以至截止),BG\(_{1}\)内阻减小(BG2内阻增大),U\(_{C1}\)下降(UC2上升)。于是,BG\(_{1}\)由本管集、射极间实受电压分压所得的原始偏置电压必然减小。这就必然使BG1基极瞬时实得的电压比预期的要小(基极实得电压=原始偏压+瞬时信号电压),因此BG\(_{1}\)的集电极电流iC就不可能上升达到预期应有数值,而只能达到实际能达数值(见图3)。对BG\(_{1}\)是这样,对BG2也是这样。这就是输出波形比应有波形(即如果忠实地放大了的波形)要低一些。这不仅意味着输出功率的减小,还在实际上相当于引入了异相奇次谐波,即增加了失真,也减小了最大不失真功率。


在本电路中,由于采用了交叉偏置,BG\(_{1}\)的偏置电压是从C2两端经R\(_{2}\)、W1分压得到;BG\(_{2}\)的偏置电压是从C1两端经R\(_{1}\)、W2分压得到。而C\(_{1}\)、C2两端的相对电压,在一般音频工作时是不随输入信号电压而变的,故其原始偏置也不会随输入信号而变。因而就不会产生随之而来的失真增加、不失真功率减小的缺点。
2.与一般变压器输出电路相比,本电路的B\(_{2}\)只作功放管的直流通路,不作阻抗变换,不起输出变压器的作用,从这个意义上讲,它实际上是一只双线并绕的互感扼流圈,因而不需要接喇叭音圈的次级。它的两个线图实际上相当于一般输出变压器的初级的两半个线圈,不过没有把每管的各半线圈直接接成串联,而是通过电解电容从交流意义上接成并联罢了。这样就有以下几点好处:
(1)没有次级,变压器铁心窗口空了,就可将两个线圈(相当于变压器的“初级”)的导线用粗些,这样就减小了直流电阻,一般可减到负载R\(_{L}\)的十分之一以下,从而减小了直流压降。另外,圈数也可绕多些,这就增加了“初级”电感,减小了音频损耗,改善了低频响应,减小了低频相移。
(2)没有次级,当然也不会有一般输出变压器次级所带来的功率损耗和附加相移,特别是高音频端频响的变坏和相移(由直流电阻、漏感和分布电容等造成)。
(3)由于两线圈的直流电阻远小于负载R\(_{L}\),而对交流信号来说,两线圈的交流阻抗又远大于与之并联的负载RL,故流过两个线圈的主要是功放管电流的直流成分,而交流成分主要流经负载扬声器和电解电容器,因而可进一步减小两线圈的直流电压降。如以正弦信号为例:集电极电流i\(_{c}\)中的平均直流成分只有ic的峰值的1/π,按此计算,在直流电阻相同的条件下,本电路输出线圈上的压降,与一般的全部i\(_{c}\)都通过初级线圈的有输出变压器电路相比,只有后者的1/3以下(实际上由于本电路的线圈中仍有少量交流成分通过,因而其上的压降比理想值要稍大些)。
(4)由于(1)和(2)项原因使高、低音频频响和相移都显著改善,不仅本身就改善了音质,而且使得采用较深的负反馈成为可能;一般变压器耦合输出电路在有两个低频前置级时,负反馈较难加深,否则很可能因相移过大而自激。本电路能加到18~22分贝的负反馈而不自激(改进后的电路能增加到23~25分贝),从而进一步改善了音质。
(5)效率显著提高:无论在正弦功率或最大不失真功率条件下进行比较,本电路在较低电压时的效率比任何一种电路都有显著的提高。
3.结论:
从上述对比中可知,这种电路与无输出变压器电路或普通输出变压器电路相比,其优点是失真小;可以得到的不失真功率大;电源效率高;频响比一般变压器电路要好得多,与一般用输入变压器的无输出变压器电路相当。其缺点是比一般无输出变压器电路多了一只电解电容器,并且要略为多泄放一点静态偏置电流,但也微不足道;其次是比用输入变压器的无输出变压器电路多了一只“输出变压器”,但它实际并不是真的输出变压器,而是双线并绕的互感扼流图,制造十分方便,成本较低,生产效率较高,而所增加的一只电解电容器,在达到同样性能指标的要求下,比无输出变压器电路的输出电容器容量可用得小些,因而成本也稍低。
4.应用这种电路的3H5低频部分能达到的指标为:额定输出功率50毫瓦;实测不失真输出功率170毫瓦(失真10%时);实测最大输出功率250毫瓦;实测电压频率特性250~1000赫为1分贝(250赫上升1分贝),1000~4000赫为1.6分贝(4000赫下降1.6分贝);实测失真系数1000赫时失真1%,250~3500赫失真<1.6%;实测电源效率70%(失真10%时)。
三、改进措施
这种电路对较低电压情况下工作的、要求不十分高的小型收音机等来讲是实用的。但由于受到体积和成本的限制,偏置电路没有加稳压,因而环境温度变化较大和电流电压显著下降时,会使工作点有所变化。对要求较高的机器来讲,可在交叉偏置电路中加二只稳压管,这样不但使偏置电压更加稳定,而且还可以起到非线性补偿作用,进一步减小失真,使电路更加完善。(上海无线电三厂)