前面我们谈到,检修半导体收音机一般有两种方法,一种是电流测量法,一种是电压测量法。电流测量法简单明了,易于掌握,但是不方便,例如需要动烙铁焊开电路等,而使用电压测量法,则可避免这些缺点。测量各点电压来判断电路工作是否正常,是修理工作中一个非常有效的方法,尤其是在袖珍型和印刷线路密集的晶体管收音机中,电压测量法更显示出它的优点。
当然,对于初学修理的人来说,使用这种方法是会遇到一些困难的,因为各种电路的零件数值不同,因而,各种收音机的即使是同一点的电压数值也可能是不同的,需要我们运用一些基本的无线电原理进行简单的计算,以确定某点应有的电压值。
上一篇我们简单地谈了一下如何运用电压测量法检修晶体管收音机,这里再详细谈一下这个问题。
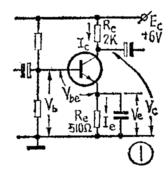
由于收音机的各晶体管集电极静态工作电流都规定有一数值,因此用欧姆定律便可计算出各极应有的电压。
例如图1中,假定该管集电极静态电流I\(_{c}\)在正常情况下要求为1毫安。发射极电流Ie≈I\(_{c}\),因此利用欧姆定律,可以算出发射极电压为

V\(_{e}\)=Ie×R\(_{e}\)
=1×10\(^{-}\)3×510
=0.51伏;
由于正常工作状态下,晶体管的发射结的结电压是一定的,锗管为0.1~0.3伏,硅管为0.5~0.7伏,故基极电压为
V\(_{b}\)=Ve+V\(_{be}\)
=0.51+0.6=1.11伏;
集电极电压为:
V\(_{c}\)=电源电压-集电极负载电阻上的压降=Ec-I\(_{c}\)×Rc=6-1×10\(^{-}\)3×2×10=4伏。
因此,我们可以通过实际测量各极电压,并与上述规定电压比较,就能确定收音机这部分电路是否有故障。当然,由于电路里其他元件的影响,所用万用表的内阻不一致,实际测出的电压和计算值并不完全一致,但不应相差过多。
下面举一个实际例子来说明这些方法的具体运用。
在图2所示电路中,收音机正常工作时,集电极电流I\(_{c}\)应为0.6毫安左右。因此,各极电压应为:

发射极电压V\(_{e}\)=Ie×R\(_{e}\)=0.6×10\(^{-3}\)×1×103=0.6伏;基极电压Vb=V\(_{e}\)+Vbe=0.6+0.6=1.2伏;
集电极电压应等于电源电压,这是由于在这个电路中,集电极负载是中频变压器,它的直流电阻很小,它上面的电压降很微小可忽略不计。
可是,在实测各极电压时,V\(_{e}\)竟高达4.2伏,而Vb达到4.8伏。故障在哪里呢?
这时发射结的结电压为
V\(_{be}\)=Vb=V\(_{e}\)=4.8-4.2=0.6伏,
所以可以认为晶体管基本上是没有问题。根据晶体管工作原理可以知道,发射极电压高是由于集电极电流过大引起的,而集电极电流又是受基极电流控制的。因此问题可能发生在基极偏置电路。经检查,R\(_{1}\)没有问题,因为当把此电阻逐步加大时,发现发射极电压在逐步下降,即集电极电流在下降,说明基极电流还是具有控制集电极电流的能力的。故障是发生在下偏置电阻上。我们知道,下偏流电阻对基极电流有分流作用,当它断开、虚焊或其他原因使阻值变大时,失去分流作用,使基极电流增大,从而使集电极电流上升。
最后查明,故障是图2中C点断线。

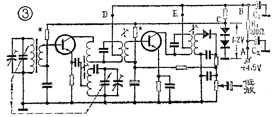
图3是具有稳压电路的半导体收音机的部分电路。D\(_{1}\)、D2为两只普通硅二极管。由于硅二极管结电压为0.6伏左右,两个二极管相串联,C点电压应为1.2伏。现在实测C点电压只有0.5伏,经检查两只二极管并无问题。那么问题在什么地方呢?下一步我们再检查一下电源电压是否正常。测量结果,A点电压为4.5伏,B点电压为1伏。我们知道,流过R\(_{1}\)的电流应为变频和中放两级电流之和,最大不超过2毫安,它在电阻R1上产生的压降应为2×10\(^{-3}\)×100=0.2伏,则B点电压应为4.5-0.2=4.3伏。现在实测B点电压只有1伏,即产生在R上的压降为3.5伏。这样流过它的电流为3.5/100=35毫安。显然变频和中放两级有短路或严重漏电故障。
检查电解电容器C\(_{1}\)没有问题,我们再先后断开D、E两点。当断开E点时,B点电压即恢复正常。这就说明中放级发生故障了。分析这一级短路故障,有可能是晶体管损坏,或是第二级中频变压器初、次级间绝缘损坏,电源电压通过中频变压器与地短路。最后查明是这个中频变压器初、次级短路。

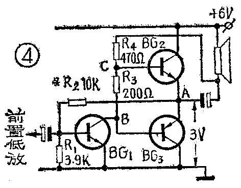
图4为一互补推挽电路。这是近年来越来越广泛采用的一种新型电路。对于这种电路的检修方法,有些同志感到比较困难。我们认为只要抓住这种电路各点电压变化的规律,检修起来并不困难。
我们首先检查一下A点对地电压。在电路工作正常时,A点电压应为电源电压的一半,在这个电路中应为3伏。如果这个电压为0,则可能是BG\(_{2}\)管断路,或是BG3管击穿短路。如果A点电压等于电源电压,则可能是BG\(_{2}\)管短路,或BG3管断路。检查一下这两个管子便可找出故障所在。如A点电压不是零伏也不是6伏,而是大于或小于3伏,则应进一步检查激励级BG\(_{1}\)的工作情况。
先检查BG\(_{1}\)管的偏置电路是否良好,即看电阻R2是否断路或阻值变化,试调整这个电阻使A点电压为3伏。如果电阻是好的,而调整它时A点电压无变化,则进一步检查BG\(_{1}\)管是否能正常工作。这可检查B点电压,即BG1管的集电极电压V\(_{C1}\)是否正常。这个电压应等于电源电压减去R3、R\(_{4}\)和喇叭上的压降,其中喇叭上的压降可忽略不计。即
V\(_{c1}\)=6-(Ic1×R\(_{3}\)+Ic1×R\(_{4}\))=6-(4×10\(^{-3}\)×200+4×10-3×470)=6-2.7=3.3伏。
若实测的V\(_{c1}\)与上述计算值相差太远,则应检查晶体管BG1本身和它的集电极负载电阻R\(_{3}\)、R4和喇叭是否有损坏或变值。
以上,我们介绍了一些怎样检查无声故障的方法。这里,我们再讲几点检修工作中应注意的事项。
1.当我们检查一只晶体管时,要特别注意,不要轻易由线路板上焊下晶体管,因为既不方便,弄得不好还会造成晶体管永久性的损坏。可以用R×100电阻档在线路粗略地测量晶体管内两个PN结的正反向电阻,来判断管子是否损坏。一般管子基极—发射极、基极—集电极之间的正向电阻约在几百欧姆,反向电阻在几千欧姆;发射极—集电极间电阻也应大于几千欧姆。但由于晶体管是接在电路上测量,与晶体管相连的电路元件会对所测晶体管的阻值有很大影响。这就需要平时多观察,多总结经验,逐步摸索出一个规律。如果测量的阻值与一般正常值相差过大,就可能是晶体管损坏。在有了充分把握说明晶体管损坏后再取下晶体管复查证实。
2.一些收音机由于灰尘积聚过多,在天气潮湿的情况下,尤其是在南方,灰尘成了泥浆状,这将使印刷线路板的绝缘度降低。还有一些同志在修机时,用的焊油过多,这些焊油聚积在一起也可能造成绝缘不良。线路板绝缘度降低,会引起一些很怪的毛病。在检修收音机时遇到上述情况,可使用酒精或汽油先将线路板清洗一遍,再进行进一步的检修。不过使用汽油要特别注意,因为塑料制件怕汽油,不要被汽油所损坏。
3.在检修一台自行修理过的收音机时,要先了解有关原来修理的情况,注意观察排除一些人为造成的故障,如接线焊错,焊锡将线路短路等等。(北京市朝阳区无线电修理部工人编审组)