在电影放映扩音机中,一般采用光电管将声音由光量变化转换为电讯号。但是光电管内阻高、体积大、而且工作时须加一直流高电压(约90伏),此高电压又需随光电管在使用中不断老化而予以调节。
硅光电池具有体积小、工作稳定、不需要工作电压的优点,在电影放映扩音机中用它来代替光电管,对电影胶片还音具有良好的听觉效果,而且电特性也较好。
下面以“解放103型携带式放映扩音机”为例,介绍将光电管改为硅光电池的电路。

图1所示为光电管和硅光电池的实物对比。从图中可看出光电管体积很大,它的内阻高,因此对连接导线的线间电容有严格的要求。对于具有低阻抗的硅光电池,其连接线可用普通导线。

图2为“解放103型扩音机”线路图。图中虚线框内即为光电管输入前置部分。为使扩音机输入电路与光电管阻抗匹配,采用了高阻抗输入电路。W\(_{1}\)和W2为调节光电管工作直流电压的电位器;S\(_{1}\)和S2为光电管的三孔插座;C\(_{3}\)为交连电容,电声讯号由该电容输入至V1a(\(\frac{1}{2}\)6N2)的栅极。现改用型号为2CR21硅光电池以代替原来的光电管。通常光电管内阻为几兆欧姆,而硅光电池只有几百欧姆,因此我们在输入电路中加入一由晶体三极管3DG6A组成的匹配电路如图3虚线框内部分所示,使该电路输入阻抗降低。图3中电位器W的作用是使两台放映机在放电影过程中交换画面时,使出讯号获得平衡。此电位器在放固定频率校验声带时加以细心调节,待调平衡后,不宜经常变动。R\(_{2}\)为负载;C1为讯号交连电容;R\(_{3}\)、R4组成偏流电路,R\(_{4}\)以调整到使该管在静态时集电极电流为0.8毫安为最佳; R6、R\(_{7}\)组成该管电源供给,R6兼讯号输出负载。图3中标有“x”、“y”的线头,相应接到图2中标有“x”、“y”的地方。
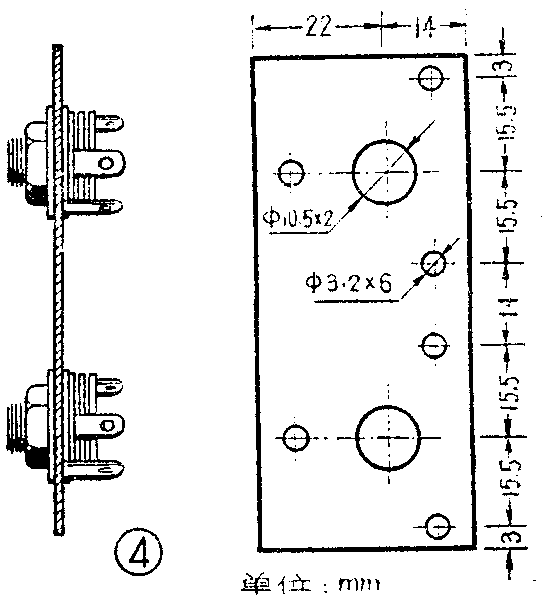
在改装过程中,必须将原光电管导线拆去,换上普通二芯线和话筒插口。原有光电管三脚插座应拆去,换上如图4所示的香蕉插座板。图中标有尺寸,以便自已动手制作。


图3虚线框中电路可装置在一小块印刷板上。为便于制作,图5所示为1.1印刷电路图。图5印刷板固定在扩音机前置屏蔽盒内,如图6所示。



这样既方便又可避免电磁感应。图7为装置印刷板的固定角铁架,具体尺寸如图所示。

光电管和硅光电池的更换很简便,如图8所示。将光电管从隔离罩中取出,用绝缘材料(胶木、塑料、有机玻璃)做成圆棒插入原光电管所占的位置并将螺丝拧紧即可。图8(b)中虚线所示为硅光电池位置,可用普通502胶水粘上。为使硅光电池两根引线不致因移动而断开,可将引线根部一起粘在圆棒壁上。只要使硅光电池置于如图8(a)所示的光刃输入圆孔中心,就能获得良好的发声效果。(史爱宝 杨炯枢)