无线遥测自动气象站能自动测报,1.大气压力,2.大气温度,3.大气相对湿度,4.二分钟平均风速,5.瞬时最大风速,6.风向,7.累计降雨量,8.发报时有无降雨等八个气象要素。每昼夜测报四次,也可根据需要增减测报次数。整个测报过程完全自动化,它由高精度电子钟和一系列逻辑程序进行控制。整机采用银锌蓄电池作为能源,每三个月充电一次。无线遥测自动气象站可以装置在一般气象台站使用,还可以装置在水库、水电站,以及难以建立人工气象台站的山区、沙漠、海岛等地区,及时收集气象资料,为农业服务,为国民经济各部门和国防建设服务。
组成部分
无线遥测自动气象站主要由传感器、控制箱、发射机、检查箱、电池等组成(图1)。传感器是用来测量气压、温度、湿度、风速、雨量等气象要素,并把它们转变成电信号的部分。控制箱包括记录器、存贮器、编码器、自动程序控制等部分,主要用来控制开关机、记录测量数据、并按程序把测得的八个气象要素数据编成电码送到发射机发送出去。控制箱、发射机和电池安装在1.5米深的地下,传感器和发射天线等架设在地面上,相互间用电缆连接(外形参看本刊1976年1、2期封底照片),检查箱仅供安装、调试和维护时使用。

各气象要素的测量
1.气压测量:气压测量部件见图2,测量原理见图3。测量气压的传感器是一个随大气压力变化而产生轴向位移的金属膜真空盒B。真空盒B产生的轴向位移用测微丝杆A来测量。当气压改变时,触点C′与固定点O之间的距离就改变,一定的距离代表着一定的气压,测微丝杆只要测出C′与O之间的距离,就可测得气压值。当气压升高时,触点CC′断开,通过自动控制电路使电机M正向转动,带动测微丝杆A向触点C′接近,直到CC′接通。当CC′接通时,自动控制电路又使电机M反向转动,并带动测微丝杆A离开触点C′。一旦CC′断开,自动控制电路又使其接通,电机来回正反转动,处于动态平衡。这样测微丝杆A就测得C′O的距离,该距离就代表当时的气压值。


电机转动时,同时还带动一组十进制记录器码轮转动,码轮转动的角度与触点C′和固定点O之间的距离成比例,不同的平衡点就有不同的转动角度。码轮共有三个,分别代表十位、个位、小数位。每个码轮上各有十个电码块,分别代表码号0~9,每个码轮上还接有一个滑动触点,当滑动触点和某个电码块接通时,就通过滑动触点将电码送出去。
2.温度和湿度测量:温度测量原理如图4所示,温度传感器R\(_{t}\)采用线性好的铜热敏电阻(图5),其阻值随温度的变化而变化。用铜热敏电阻Rt与三个固定阻值的电阻R\(_{1}\)、R2、R\(_{3}\)组成电桥,当Rt随温度的变化而改变阻值时,电桥就失去平衡,产生一个输出信号,经放大、整流后去控制压控振荡器。压控振荡器的频率,随着电桥输出信号电压的改变而变动,并经门控电路控制,送到记录器中记录。


门控电路是由电子钟控制的,电子钟按规定时间给门控电路送来开门信号和关门信号,只有在门控电路开门到关门这段时间内,压控振荡器的振荡频率,才能经门控电路由记录器记录下来,不同的频率经换算就能代表不同的温度,从而达到测温的目的。
湿度传感元件是采用氯化锂湿敏电阻(图6),其阻值随湿度的变化而改变,测湿原理与测温原理相同。

3.风向测量:风向传感器采用箭杆式风向计,它是由风向标、方位盘、电接触簧片和导电环组成,如图7所示。方位盘上装有相互绝缘的内、外两个导电环,内环又分成相互绝缘的八个等分方位块,分别接到相应的风向记录器上。电接触簧片装在风向标座上,有三个触点,一个触点在外导电环上滑动,两个触点在内导电环上滑动。当风向标随风向变化而转动时,带动电接触簧片同步转动,在一定的方向上,簧片就将内导电环上的某一个或相邻两个方位块接通,因此八个方位块就能测报16个方位。测报时,从程控器送一个探测信号到外导电环,经电接触簧片、方位块送到风向记录器中,就能把对应于方位块的位置记录下来。根据记录器的位置,由编码器通过门电路送出一个代表该方位的电码,在程控器指令下,送到总键控电路发送出去。

4.发报时有无降雨的测定:发报时有无降雨的测定原理如图8所示,它是通过雨滴感应器和有无降雨鉴别电路来实现的。雨滴感应器是A、B两片镀金铜片,固定在翻斗式雨量计漏斗下端口,A、B间的间距很小,其中A接有固定电压-E,B接到有无降雨鉴别电路。当有雨滴通过A、B铜片间隙时,利用雨水能导电的特性,使A、B导通,因而使与非门1的一个输入端的电位为“-E”,当机器正点开机后,总开关机给与非门1的另一输入端送来一个负电位,使与非门1的两个输入端都为负电位,与非门1立即输出一个脉冲信号,由记录器记录下来,并通过与门1输出代表有雨信号的电码。而加到与门2的信号,由于经过了反相器,所以和加到与门1的信号相位相反,与门2关闭。当没有雨滴通过A、B两金属片时,A、B断开,与门1关闭、与门2打开,输出代表无雨的电码。待发报结束后,总开关机由于关机而停止供电,使其复零。

5.累计降雨量测量:累计降雨量是指二次发报时间间隔内的总降雨量。累计降雨量的测量和记录原理如图9所示。传感器是翻斗式雨量计,它由雨量筒、翻斗和二根并列的不锈钢触针组成。其中一根触针A接有固定电压-E,另一根触针B接到累计雨量控制电路。它也是利用雨水能导电的性能,将降雨量转换成电脉冲。只要翻斗翻转一次,就产生一个脉冲信号,所以依次记录翻斗翻转次数,就可测得累计降雨量。

为了节约使用电源,记录器在通常情况下处于关闭状态,只有当降雨量达到0.1毫米时,翻斗翻转一次,A、B导通一次而产生一个脉冲信号,经放大后分二路输出,一路送到控制电路打开记录器电源,另一路送到整形电路经整形后输出计数脉冲信号。当小数位记录器记到10时,控制电路打开个位记录器电源并记录,然后逐个打开十位、百位记录器电源并记录。待发报结束后,总开关机输出复零信号,使累计降雨量控制器和记录器复零。

6.二分钟平均风速测量:二分钟平均风速是指在正点开机后二分钟内的平均风速。风速测量由风速传感器、输入电路、记录控制电路和记录器等组成(见图10)。
风速传感器由风杯和交流发电机组成(图11)。风杯随风转动时,由交流发电机产生交流信号,风杯转动越快,交流信号频率越高,频率的高低就代表风速的大小。

当正点开机后,风速控制器对风速输入电路和记录器供电。传感器产生的交流信号频率,经输入电路变换成以风速1米/秒为单位的脉冲信号,送至记录器记录。经过二分钟测量,风速控制器切断风速输入电路的输出信号,使它不能再进入记录器,因此记录器记录的数目就是二分钟平均风速。
7.瞬时最大风速测量:瞬时最大风速是指在二次发报时间间隔内的最大风速,这个风速实质上是在7.5秒时间内的平均风速。瞬时最大风速测量由风速传感器、控制器、记录器、存贮器和比较器等组成(图12)。风速传感器所产生的交流信号,经输入电路变换成脉冲信号,送到记录器记录。记录器记录的数据和存贮器存贮的数据在比较器中比较,当比较器中有比较信号输出时,推动控制器,控制存贮器将记录数据存贮起来。记录器每7.5秒复零一次,存贮器不复零,在存贮器里存贮着记录器输入的最大一个风速数据。例如在某个7.5秒时间里,记录器记录数据大于存贮器中存贮数据时,比较器就输出比较信号,存贮器就将这个数据存贮起来;如果在另一个7.5秒时间里,记录器记录数据小于存贮器中存贮数据时,比较器无信号输出,因此这个小的记录数据就不再存贮。所以存贮器中所存贮的数据就是最大瞬时风速。

八个气象要素中的“累计降雨量”和“瞬时最大风速”测量部分,在非开机时间内是一直都在进行测量的。在雨量传感器探测到0.1毫米的降雨量时,累计雨量控制器就开始工作,打开雨量记录器电源,并进行记录;风速传感器则不断地送出风速信号,经输入电路变换成电脉冲,由风速存贮控制电路控制,通过比较器,存贮瞬时最大风速数据。
整机工作原理

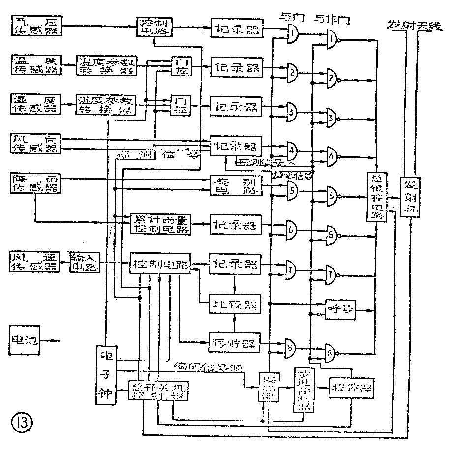
上面已经讲了八个气象要素的测量记录方法,现在再来讲一讲无线遥测气象站整机工作过程:图13是它的方框图,电子钟按规定的时间给总开关机控制器发出开机信号,整机立即开机,接通有关部分的电源,编码器和程控器首先使呼号电码进入总键控电路,发射机就发出呼号电码,每一个自动气象站有自己的呼号,拍发呼号电码,就是表示某一自动气象站开始测报气象资料了。在连发二分钟呼号的同时,测量各气象要素并记录完毕,各记录器把所记录的数据送到与门电路的一个输入端,编码器把编码信号源中预定的电码也相应地送到各与门电路的另一输入端,通过各与门电路把记录数据所对应的电码送到与非门电路。编码器还输出同步脉冲信号,经步进控制器,驱动程控器步进工作,程控器按规定的顺序,依次给各与非门电路送去指令信号,于是各与非门电路就依次将八个气象要素的测量数据电码送到总键控电路,编成统一规格的报文,由发射机发送出去。各数据发完三遍后,程控器给总开关机控制器送来关机信号,总开关机控制器立即切断各有关部分的电源,同时给风、雨记录器和存贮器发出复零信号并关机,一次测报即告完成。到8分钟时电子钟再发出一个辅助关机信号给总开关机控制器,以保证整机能准确关机。(江苏省无线电研究所气象站研制组)