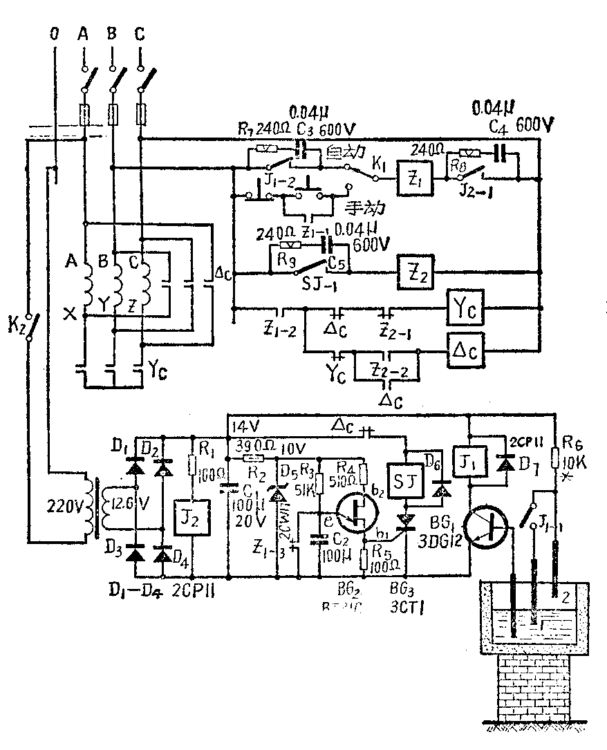
在农村中有些水井很深、有些水塔容量很大,因此水泵电机的容量都在10千瓦以上,这时电动机常常采用降压起动方式。星形—三角形(Y—△)起动方式是降压起动方式的一种,起动时电动机绕组接成星形,起动时间5秒,起动完毕后改为三角形连接正常运转。我们试制了如图所示这种水位控制系统,现介绍如下。
将开关K\(_{1}\)置于自动位置,合上开关K2,继电器J\(_{2}\)即动作,J2-1吸合。当水塔水位低于位置1时,晶体管BG\(_{1}\)因没有基极电流处于截止状态,继电器J1中没有电流,因此J\(_{1}\)的常闭触点J1-2合上。在接触器控制回路内,中间继电器Z\(_{1}\)线圈中即有电流通过,于是接触器Yc吸合,电动机绕组的三个尾端X、Y、Z被连在一起使电机接成星形起动。Z\(_{1}\)的常闭触点Z1-3断开,使C\(_{2}\)开始充电,经过5秒钟后(应根据电机起动要求决定,延迟时间可以根据需要调整R3或C\(_{2}\))。电容C2的电压达到单结管BG\(_{2}\)的峰点电压时,BG2导通,于是可控硅BG\(_{3}\) 也立即导通。此时继电器SJ的常开触点SJ-1即闭合,并使中间继电器Z\(_{2}\)接通电源。Z2的常闭触点Z\(_{2-1}\)断开,使星形接法的接触器Yc 断电;Z\(_{2}\)的常开触点Z2-2闭合使三角形接法的接融器Δc通电吸合,于是电动机转为三角形接法处于正常运转状态。
当水塔水位到达位置2时,BC\(_{1}\)立即导通,继电器J1吸合,它的常闭触点J\(_{1}\)-2打开,使Z1断电,三角形接法接触器Δc线圈也断电,电动机停转。J\(_{1}\)的常开触点J1-1闭合,使BG\(_{1}\)继续保持导通,J2-1断开,因此水位低于位置2时电动机不会起动,只有当水位低于位置1时再重复上述的动作。
本线路具有单相保护功能,在任意一相保险丝熔断时能自动切断电源。当A相保险丝熔断时,电子部分直流电源断电,继电器J\(_{2}\)不动作,Z1线圈断电,电机停转。当B、C相保险丝熔断时,接触器控制回路断电,电机停转。但在接线时要注意,电子部分电源接在A、O线上(或A、B线上),接触器回路接在B、C线上。

图中R\(_{7}\)、R8、R\(_{9}\)和C3、C\(_{4}\)、C5组成灭弧电路,保护小型继电器触点。Y\(_{c}\)、Δc用CJ10—20型接触器。Z\(_{1}\)、Z2用JZ\(_{7—44}\)型继电器。J1、J\(_{2}\)、SJ用JQX—4型继电器。(滕云鹤等)