本刊在1974年11期介绍了一种可控硅充电机短路自动保护的方法,文中指出,充电时如果蓄电池极性接反了,烧毁可控硅的可能性仍然存在。现在我们又作了改进,使可控硅充电机完全排除了由于蓄电池反接和机端短路造成的事故。改进措施是:当蓄电池接或机端短路时,使单结晶体管触发器不能振荡,从而使充电机停止工作。

图1是一种方案的电原理图。电源变压器B\(_{1}\)将220伏交流电源变为所需电压,经D1、D\(_{2}\)全波整流,使脉动直流电压加到可控硅的阳极(A点)。同时,此脉动直流经R1、DZ\(_{1}\)组成的削波电路形成梯形波,作为单结晶体管触发器的基极侧同步电源。单结晶体管触发器发射极回路(W、R3、C充放电回路)的电源接自可控硅的阴极侧,即充电机输出端。当充电机输出端空载或短接时,充电机输出端没有电压,电容C无法正常充电,单结晶体管触发器不能振荡,可控硅SCR只能处于关断状态。因此,这种可控硅充电机在机端短路情况下是不工作的,避免了短路烧毁问题。
当充电机输出端接上被充蓄电池,并且极性正确时,由被充蓄电池提供单结晶体管发射极侧电源,经R\(_{4}\)、W、R3向电容C充电,当单结晶体管发射极电压大于峰值电压时,电容C通过单结晶体管的发射极和第一基极放电。放电结束后又恢复充电……,如此反复,单结晶体管触发器不断地输出触发脉冲到可控硅的控制极,使可控硅正常导通,向被充蓄电池充电。但如果被充蓄电池的电压低于4.5伏左右时,电容充电速度减慢,严重时单结晶体管触发器会触发不动可控硅,以至无法充电。当蓄电池反接时,电容C反向充电,单结晶体管触发器不能起振,可控硅得不到触发脉冲,不会导通,所以不会损坏充电机或蓄电池。
当蓄电池反接时,蓄电池可通过DZ\(_{2}\)、R4构成小电流放电回路,由于DZ\(_{2}\)系正向导通,压降极小(0.7伏左右),不致造成过大的负电压加到单结晶体管第一基极与发射极之间,从而保障了单结晶体管自身的安全。当充电机只充一种规格的蓄电池时,R4可用小型继电器或指示灯代替,作为蓄电池反接报警。
采用图1电路所给参数的充电机,可充6伏蓄电池1~2节,充电电流0~10安连续可调。若将电源变压器次级每个绕组电压提高到30伏左右,并将R\(_{1}\)、R4换用1千欧、2瓦线绕电阻,DZ\(_{1}\)和DZ2换用2CW21D,则充电机可充6伏蓄电池1~4节。脉冲变压器采用小型高频铁粉破坏,初、次级均用φ0.25左右漆包线各绕50匝左右。
这种方案的优点是电路简单,用来对12伏以上蓄电池充电效果较好。缺点是(1)不能对2伏、4伏蓄电池充电,(2)为了能对6伏蓄电池充电,必须采用触发特性较灵敏的可控硅。由于DZ\(_{2}\)(2CW15)的稳定电压为7~8.5伏,在充6伏蓄电池时,充电电流会有限的逐渐增大,因此需要注意维护调节。

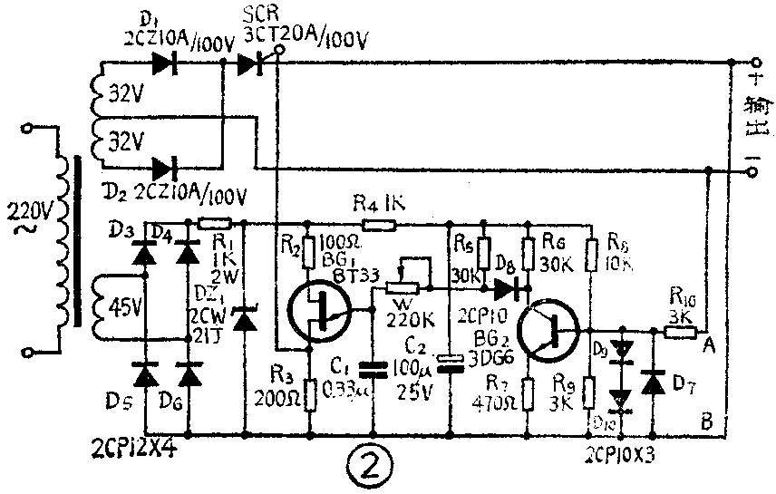
图2是另一种方案的电路图,这种充电机可充6伏蓄电池1~4节,还可对单只2伏蓄电池或1.5伏干电池进行充电,对可控硅的触发特性无特殊要求。
在这个电路中使用了一只三极管BG\(_{2}\),当充电机机端接上被充蓄电池,且接法正确时,我们设法使BG2截止,这样,D\(_{8}\)将反偏关断,使BG2这一部分和单结晶体管回路隔离开来,单结晶体管触发器正常工作,充电机也正常工作。当充电机机端悬空、短路或蓄电池反接时,我们设法使BG\(_{2}\)饱和,这时R5、D\(_{8}\)和W的连接点电压很低,低于单结晶体管峰值电压,单结晶体管触发器不振荡,可控硅就不会导通。因此本方案的关键就在于适当选择R5~R\(_{1}\)0的阻值(由于所用晶体管的放大倍数不同,应根据实验,可适当调整),在充电机机端悬空、短路或蓄电池反接时,保证三极管BG2处于饱和状态;而当被充蓄电池接法正确时保证BG\(_{2}\)处于截止状态。
当充电机机端短接时,相当于A、B两端连在一起,R\(_{1}\)0相当于与R9并联,适当选用R\(_{9}\)、R10并调节R\(_{9}\),使BG2有足够高的基极偏压,同时由于采用了较大的集电极负载电阻R\(_{5}\)和R6,使电源电压基本上降落在集电极负载电阻上,而BG\(_{2}\)的Vce极小,使BG\(_{2}\) 工作在饱和状态。充电机机端是空时,即A、B两端不连在一起,也不接电池时,BG2的基极电压改由R\(_{8}\)、R9分压决定,这时BG\(_{2}\)的基极偏压比上述情况更高些,更有利于BG2的饱和。为了不使BG\(_{2}\)的基极偏压过高,在R9上并联了用D\(_{9}\)、D10两个二极管串接成的保护电路,将BG\(_{2}\)的基极偏压限制在1.5伏左右。
当蓄电池反接时,相当于A点接电池正极、B点接电池负极,晶体管BG\(_{2}\)等于又增加了一个基极电流来源,使BG2饱和更深。这时,D\(_{9}\)、D10也起保护BG\(_{2}\)的作用。当被充蓄电池正确地接到充电机输出端时,相当于A点接电池负极、B点接电池正极。被充蓄电池通过R9、R\(_{1}\)0分压,使BG2基极得到一个负偏压(为了不使过负的电压加到BG\(_{2}\)的e、b结,加用了保护二极管D7),BG\(_{2}\)将被迫处于截止状态。BG2集电极电压升高,D\(_{8}\)反偏,将BG2回路和单结晶体管触发电路隔离开来,单结晶体管触发器正常工作,送出触发脉冲到可控硅控制极,充电机正常工作。
图2中,R\(_{8}\)一般在8.2~20千欧范围,R5、R\(_{6}\)在20~47千欧范围内选用。R10可在2~4.7千欧范围内选用。阻值大一些有利于BG\(_{2}\)的饱和。R10的耗散功率按P=E\(^{2}\)/R\(_{1}\)0估算(E为被充蓄电池电势),并应留有适当余量。如图2的充电机对6伏蓄电池4节充电时,R10选用3千欧、标称功率为1瓦或2瓦的电阻。(徐金田)