为了满足广大工农兵的需要,我厂研制了这种收音机。本机灵敏度高、选择性好,低放部分采用了复合互补推挽功放,输出功率大、音质好。最大输出功率可达8瓦左右,不失真功率(即失真度为10%时的功率)约为6~7瓦。机内采用φ165毫米8欧扬声器,声音清晰宏亮,还可外接扬声器。
采用220伏交流市电供电,按每天使用三小时计,功耗约为10瓦,每月耗电仅需1度。
一、主要性能
1.接收频率范围:中波不窄于535~1605千赫;短波\(_{1}\)不窄于3.9~8.5兆赫;短波2不窄于8.5~18兆赫。
2.灵敏度:中波不低于1毫伏/米,短波不低于100微伏(信号噪声比为20分贝时)。
3.选择性:偏调±10千赫时衰减不小于26分贝。
4.输出功率:不小于5瓦。
5.拾音器灵敏度:不大于200毫伏。
二、线路特点
1.短波输入回路采用电感电容耦合形式:
本机天线回路的谐振频率f\(_{A}\)设计为低于接收波段最低端频率fmin,f\(_{A}\)<fmin,即波长大于最低端频率的波长,λ\(_{A}\)>λmax,习惯上称这样的天线为“长天线”;反之则称为“短天线”。长天线接收的特点是波段低端的传输系数大,高端的传输系数小,这样可改善波段低端的灵敏度。本机短波\(_{1}\)的fA取3.5兆赫,短波\(_{2}\)的fA取8.2兆赫。

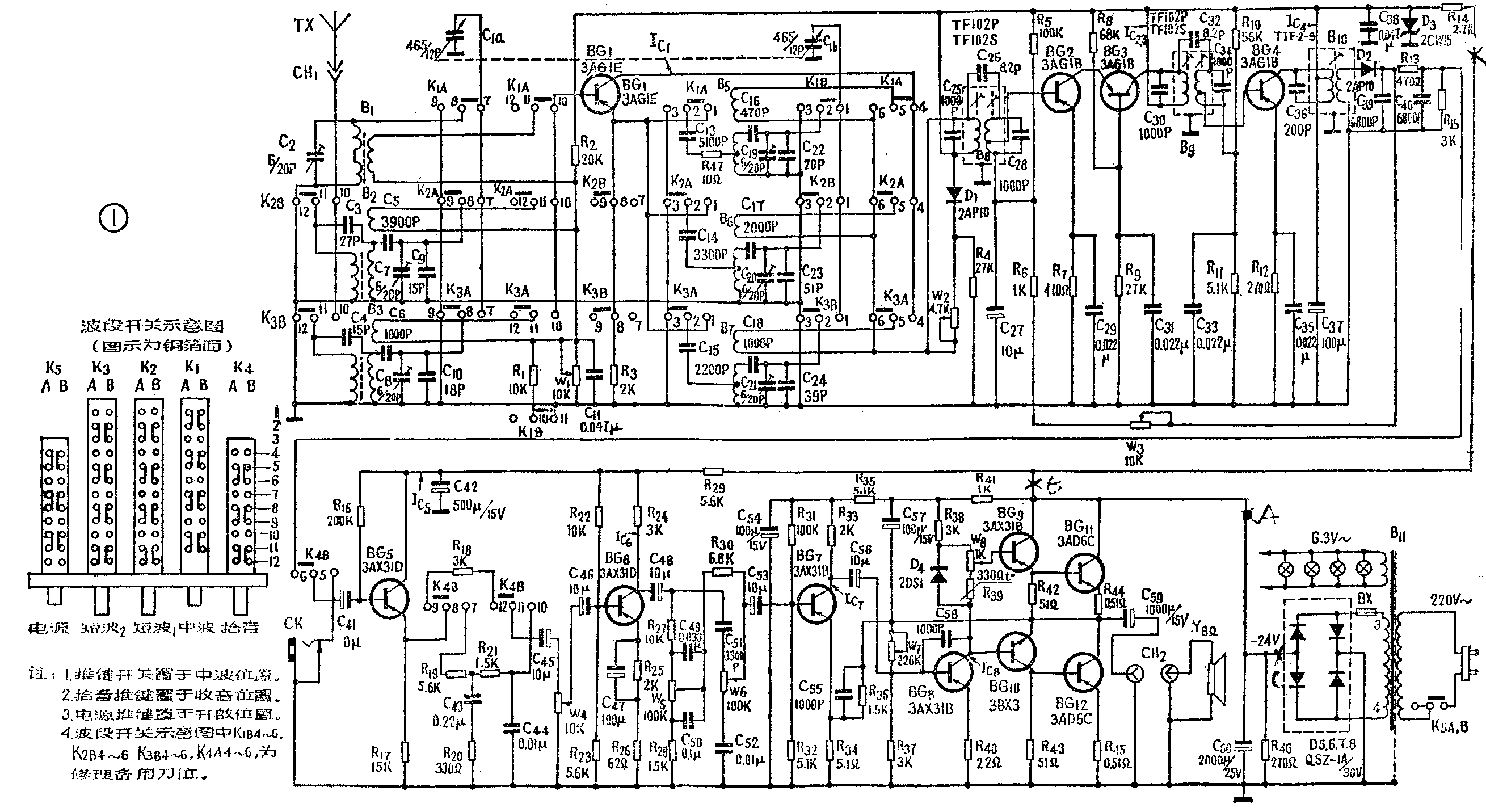
电感耦合时,波段低端的传输系数比波段高端要高(见图4),为了补偿波段高端的传输系数,短波输入回路采用电感电容复合耦合形式(见图5),电容耦合作用是能使波段高端电压传输系数高,这样,整个波段内灵敏度就比较均匀,既能照顾到波段内灵敏度的均匀性,又能满足象频指标的要求。


2.自动增益控制:本机除了采用一般的一次自动增益控制电路外,为了避免在接收大于100毫伏/米的强信号时出现高频阻塞现象,还设有二次自动增益控制电路,见图6。电路中D\(_{1}\)、W2并联在变频负载中周TF102P两端,利用二极管在不同的高频电压馈给时,其流过二极管的电流也不同(其变化规律按二极管的非线性伏安特性变化)。因此并联在回路两端的二极管D\(_{1}\)相当于一个可变电阻,使回路工作Q值产生变化。电阻R4和W\(_{2}\)构成对二极管D1的分压关系,使D\(_{1}\)两端有0.35~0.5伏的反向偏压。在弱信号接收时,变频负载回路两端高频电压幅值较小,因此流过D1的电流很小,D\(_{1}\)动态电阻很大,回路两端相当于并联一个很大的电阻,对回路工作Q值影响甚微。当强信号接收时,回路两端高频电压升高,流过D1的电流也变大,D\(_{1}\)的动态电阻变小,相当于回路两端并上一个小电阻,使回路工作Q值变劣,等效谐振阻抗变小,使传输系数变小,起到了二次自动增益控制作用。本机D1设计在场强大于20毫伏/米时开始起作用。
这种自动增益控制电路的优点是:线路简单,控制方便。缺点是由于二极管伏安特性曲线的非线性,它与信号场强变化之间的不协调,使自动增益控制曲线饱和区不够平直,会出现l~2分贝阻塞下降现象。补救方法是适当选择D\(_{1}\)二极管的反向偏压来改善(图7)。


3.串接中频放大电路:为了使检波器在一般信号场强就处于大信号检波状态(检波输入电压大于300毫伏),此时检波器的效率高,失真小,所以我们尽量提高中频部分的增益。一中放我们采用“共发一共基”串接中频放大电路,见图8。它是由两只晶体管串联组成。信号从共发射极接法的BG\(_{2}\)管基极输入,放大后直接耦合到共基极接法的BG3管的发射极。经BG\(_{3}\)管放大后在其集电极的负载ZL3上取得放大了的信号。Z\(_{L3}\)负载阻抗由谐振回路的等效谐振阻抗决定,约有几十千欧,阻抗较高。由于BG3基极接地,集电极与基极之间的过渡电容C\(_{cb}\)也接地了,起到了隔离电极作用,使BG3的输出不大会影响到BG\(_{3}\)的输入端,而BG2的负载阻抗就是BG\(_{3}\)的输入阻抗。由于共基极接法的特点是输入阻抗很小,一般只有几十欧,因此反映到BG2输入端的反馈阻抗也就大大减小。一般Z\(_{L2}\)比ZL3要小2~3个数量级。因此在晶体管参数相同的条件下,“共发—共基”串接电路由过渡电容而引起的反馈作用比一般单管共发射极电路小2~3个数量级,所以可以不使用中和电路而稳定性也可大大提高。另外,BG\(_{3}\)管是共基极连接,其输出阻抗比共发射极接法要高,因此对输出端中频调谐回路的品质因素影响不大,所以BG3的集电极可直接接于中周TF102P上,不需要抽头,使中周制造方便。该电路的特点是稳定性和增益均比单管共发射极中频放大电路高。
4.低频电路:
(1)低频主放大器:采用无输入、输出变压器的复合互补推挽功放电路,其优点是:频率响应较好,能做到20赫~20千赫;失真度小,因为省去了变压器,由变压器产生相移而造成的自激因素消除,故可采用深度负反馈使失真度减小,本机低频放大电路失真度均小于1.5%;效率高;输出功率大,本机约8.5瓦。
(2)音调控制电路:本机采用衰减式音调控制电路,其优点是受控频率范围大,不受前后级电路的放大倍数的影响;缺点是会带来一些失真,其控制作用如下。

在图9中,当W\(_{5}\)位于“上”位置时,C49被短路,低音频阻力小,容易通过,音频信号经C\(_{48}\)、R27、R\(_{3}\)0送到BG7管基极,由于C\(_{5}\)0、R28的分路作用,对高音频旁路显著,因此低音频相对地提升了。当W\(_{5}\)位于“下”位置时,C50被短路,音频信号通过C\(_{48}\)、R27、C\(_{49}\)、R30送至BG\(_{7}\)基极。由于C48与C\(_{49}\)串联,且C49对低音频容抗较大,低音频难于通过,受到衰减;而高音频通过C\(_{49}\)后,由于C50被短路,高音频通过R\(_{28}\)而旁路,基本上与前一样地也受到衰减。
高音调控制电位器W\(_{6}\)的作用:当W6位于“上”时,音频信号通过C\(_{48}\)与C51串联电容送至BG\(_{7}\)管基极。由于C51对低音频呈现容抗比高音频为大,因此高音频顺利通过,低音频受到抑制,且由于W\(_{6}\)与C52串联呈现阻抗很大,对高音频旁路作用小,高音频顺利地送到BG\(_{7}\)管基极。高音频受到了提升。当W6位于“下”位置时,低音频仍由于C\(_{51}\)呈现阻抗大而受阻;而高音频通过C51达到W\(_{6}\)时也受阻,且被C32旁路作用增大,故也受到衰减。另外,流过R\(_{3}\)0后的高音频由于C52的存在而旁路。因此,W\(_{6}\)位于“下”位置时,高音频受到了衰减。(上海无线电三厂)


