微调电容器也叫半可变电容器。它的种类很多,收音机中常用的微调电容器见图①③⑤⑦所示。微调电容器的容量能在一个较小的范围内变化(几个pF~几十pF),容量变化范围用分数来表示,例如7/30pF,它的分子部分表示最小容量,分母部分表示最大容量。微调电容器的符号见图①(a)。
下面我们谈谈这些微调电容器的结构、性能以及在电路中的作用。

瓷介微调电容器:瓷介微调电容器的外形见图①(b),另一种体积稍小些见图①(c)。这种电容器是由两块被银瓷片构成,其中下面一块瓷片是定片,上面那块瓷片是动片。动片可随转轴旋转。因为两块瓷片上被银的面积都不到半圆,所以转轴旋转时可以改变容量。
瓷介微调电容器的优点是可以反复多次调整。这类电容器的规格也分很多种,如7/30pF、5/20pF。再生式收音机用来控制再生量或接在输入调谐回路里的微调电容器多用7/30pF,见图②中C\(_{3}\)、C4。晶体管外差式收音机的输入调谐回路里多用5/20pF。瓷介微调电容在接入电路时,定片常常与可变电容器的定片相接,动片常常接“地”。接反了调整时人体感应会影响回路统调。另外还要注意用改锥调整容量时不要用力过猛,以免损坏瓷片。在容量调好后在上下瓷片的交接处用色漆点封。

管形线绕微调电容器:又称拉线微调电容器,它的外形见图③。这种微调电容器是以瓷管为基体,内壁被银作为定片,外面用细铜线密绕作为动片,细铜线拉开,容量就减小。细铜线拉开过后就不能再重新绕上去使用,因为重绕后不够紧密,会造成容量不稳定。由于存在这种缺点,拉线微调电容常用于工厂生产的超外差收音机的振荡回路里,调整频率范围时一次调好。在没有调试仪器情况下,或没有经验的初学者不便采用这种微调电容器。

筒形微调电容器:它的外形见图④。这种微调电容器结构复杂,精密度高。常用于高级晶体管收音机、通讯机及电子仪器设备中作频率微调,它的容量变化范围5/33pF,使用寿命约50次。调整时用手或专用工具旋转上帽与底座之间的距离来改变它的电容量。这种微调电容器和上述的拉线微调电容器调整时要与手接触,所以在接入电路时应特别注意动片接“地”。

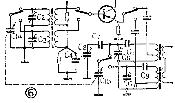
薄膜介质微调电容器:这种微调电容器以聚脂薄膜或塑料薄膜作介质,用弹性较好的磁铜作极片,通过调整前片和定片的接触面积来改变其电容量的大小。目前市售的有单微调、双微调和四微调等多种。双微调电容器的外形见图⑤(a),它可同时用于外差式收音机的输入调谐回路或振荡调谐回路作为补偿电容,如图⑥中C\(_{2}\)、C3和C\(_{6}\)、C10。四微调电容器的外形见图⑤(b),它适用于具有中、短波的收音机中使用、如凯歌4B12型收音机中就使用这种微调电容器。它常常安装在可变电容器正上方,用四个定片焊片和两个接地焊片固定。为了防止机震,还常用塑料粘合剂把微调电容器同双连粘合在一起。



带密封双连的微调电容器外形见图⑦,它只能用于单波段的收音机。两只微调电容器的定片从内部直接与两组可变电容器的定片相并联。动片公用一个接“地”焊片。
用薄膜作介质的微调电容器,耐磨性远不如瓷介微调电容器。在产品目录里规定使用旋转寿命只有30次。

短波微调电容器:它的外形见图⑧。这种微调电容器象电位器一样可以安装旋钮,常常并联在调幅收音机的短波段振荡回路里,如图⑥中C\(_{8}\)用来扩展频率,其容量变化为2.2pF左右。这种微调电容器的使用寿命较长,最低为500次,最高可达10000次。它在接入电路时也应注意分清动片、定片,并且往往在电路中还串联一只5pF左右的固定电容器,如图⑥中C7。以防短路。


云母微调电容器:其外形见图⑨。这种微调电容器的结构形式和薄膜微调电容器相仿。而用云母作介质的绝缘性能要比薄膜高的多,体积和容量也比薄膜微调大,常用于电子管收音机里作补偿电容,如图⑩中C\(_{2}\)、C4。也有并联于中频变压器的初、次级线圈两端,作为调整中频频率用,见图⑩中C\(_{7}\)、C8。这些微调电容的容量多为7/30pF。(工人 王文生)