为了减小录音信号的非线性失真,提高录音质量,在磁带录音机中普遍采用了超音频偏磁法。然而,超音频偏磁法为什么能减小录音信号的非线性失真,超音频偏磁工作的物理过程是什么,在实际工作中怎样调整偏磁的大小等等,是使用录音机的同志比较关心的一些问题。为了和同志们共同讨论,下面谈谈我的一些看法。
从磁性材料的特性谈起
磁性材料在磁带录音机中占有很重要的位置。磁性材料基本有两种:硬磁性材料和软磁性材料。硬磁性材料在外加磁场的作用下不易被磁化,但一旦被磁化,即使将外加磁场去掉,它仍会留有一定剩磁。录音磁带上的磁粉,就属于这类材料;软磁性材料容易被磁化,但磁场一消失,立即就失去磁性,例如,录音机磁头的铁心等。
图1为一磁滞曲线,它描述了一般硬磁材料的性质。由图1可见,当外加磁场强度H从零开始逐渐增加时,铁磁材料中的磁感应强度B开始增加很缓慢;但过①点后,B与H的变化基本成线性关系,且增加很快;到了②点以后又增加缓慢;到了H=H\(_{1}\)的时候,B甚至不再随H的增加而增加,达到饱和;当H从H1减小到零时,B并不跟着回到零,而是仍留有一定的剩磁;如果要使这个剩磁降到零,则必须加一定的反向磁场,例如图1中要加到H\(_{2}\)才行;若磁场强度再从H2增至H\(_{3}\),又从H3减小到零再增加到H\(_{1}\),BH曲线就是cdea的轨迹。若H再度减少到零,那么BH曲线又和原来一样是ab段。

很多铁磁物质都具有剩磁现象,且剩磁大小和磁场强度H有关,它可以用剩磁曲线来描述。剩磁曲线(即B\(_{r}\)—H曲线)可以利用正常的磁化曲线(B—H曲线)来绘制。例如,在图2中,当磁场强度为H1时,在B—H曲线上为1点,当磁场强度H消失后剩磁为B\(_{rl}\),然后在Br1点引水平线与自H\(_{1}\)向上画的垂线交于1′点。如此依次可得1′、2′、3′、4′、5′、6′及7′各点,将这些点连起来就成为剩磁曲线了。剩磁曲线在解释磁带录音的工作过程时很有用。

音频信号是怎样“记录”在磁带上的?
假设有一个按正弦规律变化的音频电流流过录音头的线圈,在磁头的缝隙间,就能获得一个按音频信号的规律而变化的磁场。但当磁带等速通过录音头缝隙时,因为磁头缝隙很小,磁带运行速度又较快,我们把磁带视为由许许多多个小微段组成,对于每一个小微段来说,它通过磁头缝隙的时间Δt很短,远远小于流过磁头的音频信号的周期,这样每一个小微段,在通过磁头缝隙的极短的Δt时间内,可以认为录音头线圈中的信号电流是不变的。
根据上面的分析,我们设磁带的AB微段在t=t\(_{1}\)时进入录音磁场,此时录音头线圈中的正弦信号电流的大小如图3a中的A,磁缝间的磁场分布见图3b中的A曲线。当磁带的AB微段等速通过这个磁场时,根据图4那样的剩磁曲线,就在其上面留下剩磁BrA。若磁带的BC微段在t=t\(_{2}\)时刻进入录音磁场,此时录音头线圈中的电流大小如图3a中B所表示的数值,磁缝间的磁场分布就是图3b中的B曲线,则磁带BC微段离开录音磁场后在其上面就会留下剩磁BrB(见图4)。这样,由于磁缝间的磁场按照信号电流的变化规律而变化,磁带通过录音磁场时,就能将音频信号相应地记录下来。


为什么要加超音频偏磁?
因为剩磁B\(_{r}\)和外加磁场强度H之间并不都是成线性关系。如图4所示,当H从零开始逐渐增大时,Br开始增加很慢,但到了③点以后,B\(_{r}\)开始增加较快,且Br与H成线性关系。到了④点以后,B\(_{r}\)又增加很慢,甚至不再随H的增加而增加。这样,如果音频信号工作于剩磁曲线的起始区的非线性段或饱和区的非线性段,那么磁带上的录音信号势必产生严重的非线性失真(如图5所示)。

怎样避免这种非线性失真呢?显然,如果音频信号不工作在剩磁曲线的起始段和饱和段就好了。在分析电子管放大特性时我们知道。电子管的屏流和栅极电压的动态特性也不完全是直线性,为了使信号工作在线性放大区,不产生非线性失真,通常在栅极上除加有信号电压外,还要加一个合适的负偏压。在磁带录音机中也相仿,在磁头上加音频电压的同时,还另加上一个超音频振荡电压,借以改变音频信号在剩磁曲线上的工作点,使其工作在直线部分,这种办法就是目前磁带录音机广泛采用的超音频偏磁法。
图6画出了音频信号、超音频信号以及它们混合以后的波形。图7是混合波在剩磁曲线上的工作情况,音频信号的变化始终迭加在超音频电压之上,即超音频信号幅度的包迹,按音频信号幅度的变化而变化。这样一来,虽然超音频信号的波形会产生畸变(如图7中的放大图),但它的包迹却避开了剩磁曲线的起始弯曲部分(图7中的P\(_{1}\)~P2段),使音频信号的变化始终在直线部分,就大大减小了非线性失真。


超音频偏磁电压产生的磁场,作用在磁带上的物理过程和音频信号不一样,因此,也不能再用剩磁曲线来解释,这是因为超音频信号的频率比音频高很多,它对磁带每个微段通过磁缝时而言,已不能再近似为恒定磁场,而是一个交变磁场,这个交变磁场在磁头缝隙间的分布如图8所示。当磁带通过磁缝时,超音频交变磁场强度是逐渐增强,然后降到零,等于将超音频剩磁自动退磁。

关于超音频偏磁在理论方面的解释有许多种,尚未取得完全统一,本文所叙述的只是一种较简单的解释方法,供参考。
怎样调整偏磁电压?
偏磁电压选择多大,要根据很多因素来决定。从减小非线性失真方面来考虑,为了使信号工作在剩磁曲线的直线段,偏磁电压太大或太小都不行,太小了会使信号工作区落入曲线的起始部分的非线性段,太大了又会工作在饱和区的非线性段;从增大输出电压的要求上,也是希望信号工作在剩磁曲线的直线性段,因为直线段的斜率大,能获得较大的输出。图9中画出了失真度与偏磁电压的关系曲线以及输出电压与偏磁电压的关系曲线,实际工作中,常常是根据这些要求来确定偏磁电压。

还应指出,偏磁电压的大小除了对失真和输出有影响外,对录音机的频率响应和杂音电平也有影响。一般地说,偏磁电压太高,高频响应会下降,这是因为偏磁电流也会产生一些微弱的去磁效应,由于不同频率留在磁带上的剩磁在高频段本来就比较弱,所以这种效应在偏磁加大时更为明显。不同的音频信号对偏磁大小的要求是不同的,由图10可见,偏磁小时高频输出大,低频输出小,表现在录音效果上是高音刺耳,中低音域不丰满;偏磁太大时,因有自消磁效应的缘故,高音部分一边录一边又被大的偏磁抹去,因此高频段受到很大削弱,重放音时声音粗闷,很不清脆。

偏磁电压对杂音的影响,一般说来是偏磁加大,杂音减小;偏磁减小,杂音增大。在一些特定条件下,如果要照顾一下高频段,可适当减小偏磁,但这时杂音会增加一些。
偏磁选取多大,还和录音机所使用的磁带型号有关。
一般出厂的录音机,偏磁电压都已调到较好的状态,且一般都指明用什么型号的磁带。但是由于录音机经常使用,易受震动,使得机内用来调整偏磁电压的半可变电容器容量发生变化,导致超音频偏磁电压也发生变化,所以在实际工作中又常遇到调整偏磁电压的问题。
目前我国生产的磁带录音机都趋向“三头制”,即录、放、抹三个音头是各自独立的。这种机器调整偏磁电压比较方便。在录音机的放大器各项指标都合乎要求的情况下,可用常用的磁带来调整偏磁。先把录音机录音放大器都留下6分贝左右的富余量,即把电位器开到比正中位置稍大一点即可。然后,同音频信号振荡器在录音放大器输入端送500赫或800赫的信号,大小比额定值稍小一点,在放音放大器输出端用真空管电压表测量输出电压。当录音机处于录音状态时,逐渐加大偏磁电压,可以看到输出电压也逐渐增大。当偏磁电压大到某一点后,输出电压开始下降。继续增大偏磁电压,使输出电压下降1分贝。此时的偏磁电压即是最佳值。如果还要照顾到杂音和频响,尤其是对某些没有频率响应调整旋钮的简单录音机,还可以根据实际要求,将偏磁点调到稍稍偏离最佳偏磁点,以对个别指标有所补益。偏磁调好了,经试录满意,可用有探头的真空管电压表测量录音头两端电压,这个电压即是比较满意的偏磁电压。
对于录放共用一个磁头的机器调整偏磁比较麻烦,例如L601型录音机,它必须用不同的偏磁,在同一条磁带上分别录制一小段音频信号,然后在放音时测出输出电压,并绘出曲线。绘制的偏磁和输出电压之间的曲线一定要覆盖住最大输出的范围,如图11。从曲线中可以选出最佳偏磁,然后再把录音机的偏磁电压调到这个数值上来。如果录音机较正常,而且已经知道它的偏磁范围,则只要在这个范围附近试改变数次偏磁就能找到最佳点。但对于不知特性的磁头和录音机,就要仔细寻找最佳偏磁范围。

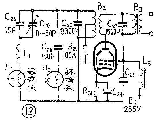
L601录音机的超音频振荡电路如图12所示,振荡器产生的超音频电流一部分经C\(_{26}\)供给抹音头H2,对磁带进行消磁。另一部分超音频电流经C\(_{16}\)、C28、L\(_{1}\)供给录音头H1,C\(_{16}\)是一只半可变电容器,容量大约在10~50P之间。调节C16就可获得不同的偏磁电压。

调整时,把录音机面板拆开,即可看到在输出变压器B\(_{3}\)旁边有一只圆形半可变电容器,即C16,可用一只长柄螺丝刀去调整。这种录音机的偏磁电压(即录音头两端的电压)为120伏左右,使用上海牌磁带。如果是语言录音,可以放宽对磁带的要求。
调整时不一定要用电子管交流电压表测量偏磁大小,最简单的办法是在偏磁微调电容器上用笔划出若干等分,然后把动片上的某一点逐一的对准这些刻度,分别录音。用万用表的交流挡在录音时,粗略地测量一下本次试录的大致偏磁电平。在放音时用万用表交流电压档测量喇叭两端的输出电压,选出最佳值,把微调电容旋到此位置(或调到万用表交流电压档该次录音时的偏磁电平)即可。
超音频振荡频率取多大为好?一般说来取高一些好,这样可以消除录音时产生的差拍声干扰,但频率太高了录音头会发热,所以一般选择在最高录音信号频率的5~8倍即可。另一方面,振荡频率对所需偏磁电压的大小有很大影响,对同一磁头来说,频率越高,则所需偏磁电压越大。这是因为磁头是个电感性元件,其阻抗随频率而变化,当频率提高或降低时,要想得到最佳偏磁电流,则必须改变偏磁电压。(山东人民广播电台 刘昌科)