磁敏二极管是继霍尔元件和磁敏电阻之后发展起来的一种新型磁电转换元件。霍尔元件是根据霍尔效应原理制成的磁电转换元件,霍尔效应的原理如图1a所示,当在霍尔元件上通过电流,并在垂直于电流的方向加上磁场,则在垂直于电流和磁场的两侧产生霍尔电势。这种元件的特点是它的输出电压与磁场的方向和强度成正比,但是灵敏度很低(约1.5毫伏/毫安·千高斯),所以需要加一个稳定的放大电路才可以使用。磁敏电阻是利用磁阻效应制成的(图1b),磁敏电阻的阻值随磁场的变化而改变,磁敏电阻的电阻—磁场强度特性曲线如图1c,从图可看出,电阻值的变化与磁场方向无关,所以它不能判别磁场的正负方向,而且在弱磁场下R\(_{H}\)/R0(R\(_{H}\)—磁场为H时的电阻值;R0—磁场为零时的电阻值)与磁场强度的平方成正比,磁灵敏度低。磁敏二极管比霍尔元件和磁敏电阻具有体积小、磁灵敏度高(1000毫伏/毫安·千高斯)等优点,可广泛应用于磁场的检测、磁力探伤、测量转速、测量位移、测量电流、以及无触点开关、无电刷直流电机等自动化装置中。

基本结构及工作原理

图2a是磁敏二极管的结构示意图,它是P+-i-N+型结构二极管,是在高纯度锗半导体的两端用合金法做成高掺杂的P型和N型区域,i区是高纯度锗区,在i区的一个侧面上,用喷砂、研磨或扩散杂质等方法制成高复合区r(即复合速度大的区域)。图2b是磁敏二极管的符号,注意箭头所指表示P+区。磁敏二极管暂定型号为2ACM。
从图3可见,当在器件两端加上正向电压(P端接正极,N端接负极),磁敏二极管中有两种载流子,即从P区注入i区的空穴和从N区注入i区的电子。在没有加磁场的情况下,大部分空穴和电子分别流入N区和P区而产生电流,仅有很小部分电子和空穴在i区复合掉。在正向磁场H+的作用下,载流子均偏向于复合区r,因为在r区电子和空穴的复合速度很快,载流子的复合率比没加磁场H+时要大得多,i区的载流子密度减小,电阻增大。当磁敏二极管的两端有外加电压时,在器件内部由三部分进行分压,即Pi结、i区和Ni结,如i区电阻增大,降在i区的电压就要增加,使加在Pi结和Ni结的电压减小,进而使注入i区的载流子浓度减小,其结果是逐渐使i区的电阻进一步增大,一直达到某一稳定状态。反之,如加反向磁场H-,则载流子偏离复合区r,复合率减小,i区的载流子密度增加,压降减小,Pi和Ni结电压增加,进一步促使载流子向i区注入,直到使器件的电阻减小到某一稳定状态为止。

从以上可看到,这种器件是电子和空穴双注入效应和复合效应结合而成,在磁场作用下,两效应是相乘的,也就是说对磁场是很灵敏的,在较弱的磁场下可以获得较大的输出电压。磁敏二极管随着磁场方向的变化可产生正、负输出电压的变化,同时对应于预先规定的磁场方向可以得到与磁场大小成比例的电压变化。
主要特性

图4是磁敏二极管在不同磁场强度时的电压—电流特性曲线,H=0表示不加磁场、H+表示加正向磁场、H-表示加反向磁场时电压和电流的关系。可以看到,通过磁敏二极管的电流越大.则在同一磁场强度下输出电压(即磁灵敏度)越大。而当二极管上所加电压一定时,在正向磁场作用下,二极管的电阻增加、电流减小,在反向磁场作用下,电阻减小,电流增大。图5是磁场—输出电压特性曲线。图6是磁敏二极管的温度特性曲线,随着温度的升高,工作电压下降,灵敏度也下降,这是由于锗对温度比较敏感的原因造成的,可用互补接法(图7b)、桥式接法(图7c)、差动接法(图7d)和用热敏电阻(图7e)来进行适当的温度补偿。



加磁场时,应使磁力线尽量平行于复合区(即垂直于磁敏管正凸面),以求磁灵敏度最大。如采用互补接法、桥式接法或差动接法时,可将两个磁敏管背靠背或面对面重叠,所加磁场方向与单管相同,见图8。

磁敏二极管的应用
1.测量磁场:由于磁敏二极管的磁灵敏度高,而且磁感应强度在1000高斯以下时输出特性呈线性,所以特别适应于弱磁场的测量,并且能测出磁场的大小和方向。可制成线路简单的小量程高斯计、漏磁测量仪,还可以做成自动磁力探伤仪。采用高导磁材料(坡莫合金、铁淦氧体等)做成集束线圈,测量精度可提高数百倍,适用于检测地磁分布和变化等情况。

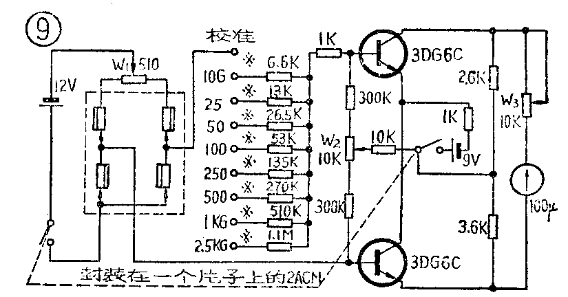
图9是我厂试制的一种简易高斯计,量程10~2500高斯。由两个3DG6C组成差分放大电路,由四个2ACM按桥式接法组成磁敏桥作为探头,探头通过导线与机身插接。没加磁场前(H=0),磁敏桥平衡无输出。加磁场H+时,磁敏桥有输出电压加在差分对管基极上,集电极电位发生变化,有电流通过电表,使表针指示所测磁场强度(高斯)值。当加磁场H-时,由于磁场方向与加H+时相反,表针向“0”位置反向偏转。
使用前,应首先将旋钮旋至校准档,调W\(_{2}\)使表针对准“0”位置,而后旋至选测档位,调W1使表针对准“0”位置,此时H=0,磁敏桥平衡,无输出,然后再加被测磁场进行测量。
2.检测电流:通电导体的周围存在着磁场,其磁场的强弱正比于导线中的电流,将磁敏二极管放在导线周围的磁场中,它的输出电压与导线中流过的电流成正比,据此可做成无接触电流表,这种电流表用来测量高压输电线的电流时不需要断开线路或接触线路。还可用来保护电动机,当通过电动机绕组的电流超过规定值时,电流计立即检测到并可自动切断电源,防止绕组烧坏。用这种办法还可代替电流互感器,其优点是省电和安全。
3.无触点开关:把磁敏二极管和小磁铁,一个装在运动体上另一个固定不动,如图10a,当它们运动到一定位置时,磁敏二极管输出一个信号电压给开关电路,控制设备动作。图10b是我厂试制的一种无触点开关电路,加磁场前,磁敏桥平衡无输出;当加磁场后,磁敏桥输出电压加在3AX31C基极上,使集电极电位降低,R\(_{1}\)两端电压升高,可控硅3DT2K导通,继电器J线圈有电流通过,其常开接点J-1、J\(_{-}\)2吸合,指示灯点亮,电路接通。

4.测量位移:当器件放在磁场中,磁场强度、方向变化时,其输出电压也发生变化,据此可对位移进行测量。也可与弹性元件连用,将压力、流量等参数转换成机械位移。它的优点是:无触点、能直接将位移信号转换成电信号、惯性小、便于遥控和自动控制。可做成无触点位置检测器(例如测量铁板长度)、微音器、录音机磁头、重量计等。
5.测量转数:把磁敏二极管和磁铁相对位置固定不动,中间留有空气隙,用另一导磁体作为旋转运动体,当它通过空气隙时,磁路闭合,器件输出一个信号。用这种方法可以做成转速表、风速表,测量转速可达1~5000转/分钟。

6.此外还可以用磁敏二极管作无触点电位器,它的主要优点是噪声小。图11是两种无触点电位器的示意图,其原理是当磁极N或S与2ACM间距变化时,磁场强度变化,因而阻值也变化。磁敏二极管和其它器件结合还可制成无电刷直流电机等。(哈尔滨市通江晶体管厂)