一部完好的扩音机,在正常播音时,喇叭发出的声音应该比较清晰悦耳,如果声音发尖或发闷,或者沙哑不清、噼噼啦啦很难听,就说明扩音机产生了失真。
在农村有线广播中,如果用户小喇叭里发出的声音产生了失真,并不能肯定就是广播站的扩音机出了故障,还可能是由于信号源部分、传输网路或用户设备所引起的,比如:转播上级站节目时信号电压太强;信号源本身失真;传输网路严重不匹配;用户小喇叭本身失真;等等。因此,当用户喇叭的声音出现失真时,应首先判断是不是扩音机的故障。即将扩音机的输出端和外线路断开,接上假负荷电阻(注意应和扩音机的输出阻抗相匹配,且容许功率大于扩音机的输出功率),没有监听喇叭的应接上监听喇叭,然后用一部完好的电唱机,将拾音信号送入扩音机的拾音插孔,旋动音量旋钮,这时如果监听喇叭发出的声音不再失真了,可判定故障产生在机器外部。反之则是机器内部的故障。
扩音机失真的现象有许多种,其中有共同点(如声音沙哑、噼噼啦啦难听),也有各自的特殊点(如失真时同时有声音小,或者同时有交流声、啸叫声、屏极发红等现象)。这些外部失真的特殊表现,反映着扩音机内部矛盾的特殊性,即内部故障点的不同,毛主席指出:“对于物质的每一种运动形式,必须注意它和其他各种运动形式的共同点。但是,尤其重要的,成为我们认识事物的基础的东西,则是必须注意它的特殊点,就是说,注意它和其他运动形式的质的区别。”有修机经验的同志,正是根据失真时的一些特殊表现,通过分析和判断,很快找到故障点。下面我们就总结了扩音机常见的几个失真现象,并根据这些现象,分别讲讲检修方法。
故障现象1:扩音机声音失真,声音小,有一只强放管屏极发红。

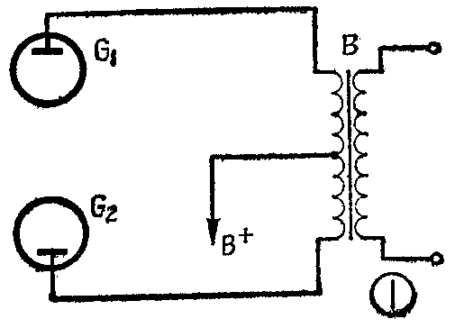
扩音机的强放级工作在推挽状态(如图1),如果只有一只强放管屏极发红,另一只不发红,说明强放级工作失去平衡,必然会使输出波形变坏,引起失真,因此可判断出这种故障产生在强放级。可按如下步骤继续检查:
1.旋动扩音机机架上的测量选择开关,测量强放级的屏压和屏流。如果两只强放管的屏压一样,静态屏流不一样,则是屏流小的一只强放管衰老,使两只管子的放大能力不对称,引起输出波形失真。换上两只效率一样的新管子即可。
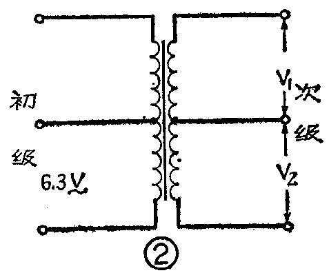
2.如果测得两只强放管的屏压、静态屏流都一样,但动态屏流不一样,则可能是强放管的输入变压器次级一个边有短路现象。可把输入变压器所有接头都断开,如图2所示,在初级两个接头之间接入6.3伏的交流电压,然后测量次级线圈的中心抽头与两边的交流电压,看是否一样。如果测得电压V\(_{1}\)和V2不一样,则电压低的一组有短路故障。
3.测得强放管的屏压、静止屏流一样,但一边有动态屏流,一边无动态屏流。其原因可能是:
①强放管栅极管座与栅极管脚接触不良,使得有一只强放管没有交流输入信号,失去平衡造成失真。测量时会发现,栅极管座接片上有交流信号电压,但管脚上无交流电压。可用钳子紧固卡簧或换管座。
②强放管内部栅极与管脚之间断路。现象是这只电子管不工作,换上效率一样的新管工作就正常了。
③输入变压器次级有一边断路。发生此故障时,强放管一边无激励信号电压,只剩一边强放管在工作,声音不但失真还会声音小。可按图2的办法测量,如果次级一边有电压,另一边无电压,无电压的一组即是断路。也可用欧姆表测试次级的两组线圈,如果一边通,一边不通,不通的一边即是线圈断路。

4.两只强放管屏压和屏流都不一样。其原因可能是输出变压器初级线圈有匝间短路现象。图1中的B是输出变压器,它的初级中心抽头接B\(_{+}\),再通过初级上下两组线圈分别供给两只强放管直流高压。在正常情况下,初级上下两边的线圈应对称,如果有一边发生匝间短路,观察其动态屏流的大小就能发现,动态屏流加大的一边即是有匝间短路。也可用图2的办法,在变压器次级接上交流低电压,测量初级两边电压,电压低的一边即是存在匝间短路。
5.强放管一边无屏流。其原因可能是:
①强放管的屏帽松动,造成接触不良。如果屏帽很松动,应换新屏帽。
②强放管屏极连接线断路。这种故障多发生在屏极引线与屏帽的焊接处,重新焊牢即可。如系管子内部断路,应换新管子。
③有些扩音机强放级屏极电路中还串有防振电阻,如果有一只防振电阻断路,就会使强放级一边加不上屏压,失去平衡造成失真。可用欧姆表分别测量两只电阻通不通,不通者即是断路,应换新电阻。
6.强放管一边无屏压。可能是输出变压器初级线圈有一边断路。可关掉电源,测量初级中心抽头与两边的直流电阻,不通的一边即是断路。
故障现象2:扩音机声音失真(但声音并不低落),强放管全部屏极发红。其原因是由于功放级的屏压偏高或栅偏压偏小,破坏了强放级的工作状态,从而引起失真。可按如下步骤检查:
1.旋动测量选择开关,测量功放级的直流屏压。如果屏压偏高,则可能是:
①大高压滤波电路中的泄放电阻断路。如图3所示,如果泄放电阻R断路,不仅输出直流高压会增高,而且由于大高压电源内阻加大,使输出直流电压随负荷变化而变化,这样扩音机就要失真了。可关掉电源,焊掉电阻的一头,测量该电阻的电阻值,如果不通,应换新电阻。

②扼流圈部分匝间短路。图3中的L是大高压整流电路的扼流圈,在一般情况下它两端的交流电压降达七、八百伏,如果扼流圈内部匝间短路,就会使在它上面的交流电压降减小,而使整流后的直流输出电压增高,同时还会影响滤波效果,扩音机就要产生失真了。检查方法是,测量扼流圈两端的交流压降并与正常值相比较,如低于正常值,就说明有匝间短路现象。如果不知道扼流圈的正常压降,可拆下扼流圈,根据扼流圈的大小,串入一个20~40瓦的灯泡,接在220伏交流电源上,如果正常时灯泡较暗,那么短路时灯泡会很亮。发现此种故障时,应换新扼流圈或重绕。
2.如果经过测量,强放管屏压、屏流均正常,则其故障可能是:
①输入变压器初、次级之间有轻微漏电。我们知道,输入变压器初级接有直流电压,次级接强放级栅极。如果初、次级之间绝缘不好,漏电,初级上的正电压就会加到强放管栅极。此漏电电压即使很微小也会破坏强放级的工作状态,引起失真。可把输入变压器次级三个接头全部拆开,然后开启电源(但前级不要输入信号),用万用表直流电压最低档,测量输入变压器次级任何一头与地之间的直流电压,此时表针即使有很小的指示,变压器也不能再用。
②有些扩音机有负偏压,如果偏压没有加上,会使功放管屏极发红,造成失真。如果系偏压滤波电容失效或容量减小,要分清是输入电容还是输出电容,输入电容对输出电压影响较大,所以如果输入电容失效或容量减小,会使偏压降低,引起失真;输出电容对输出电压的影响不如输入电容大,但由于输出电容既是偏压滤波电容又是输入信号对地的交流通路,所以如果它失效或容量降低太多,不但会造成失真还会产生交流声。(河南省广播事业局技术组 群言) (未完待续)