在工厂矿山的自动化和远距离控制系统中,广泛采用讯响器作为事故警报。电工在安装和维修线路时,也常常使用讯响器作为找线的工具。公共汽车、无轨电车上还用它作为联络信号。但是,普通讯响器音量较小,在噪声环境下,常感到音量不足。本文介绍几种用晶体管做的讯响器,它具有声调高低(即频率)和声音大小(即功率)可调的特点,工作可靠,性能稳定。
单调讯响器
晶体管讯响器就是一个音频振荡器。也就是说凡是输出功率足够的音频振荡器接在相匹配的喇叭上,都可以做成一个讯响器。

图1是一个用简单的低频放大器做成的讯响器线路。这是一个两级的放大器。正反馈电压自输出变压器次级加到BG\(_{1}\)的发射极上。改变R1、R\(_{5}\)或C2都会使振荡频率改变。按图1所标数值选用R\(_{1}\)、R5且C\(_{2}\)为10微法时,振荡频率为800赫左右。
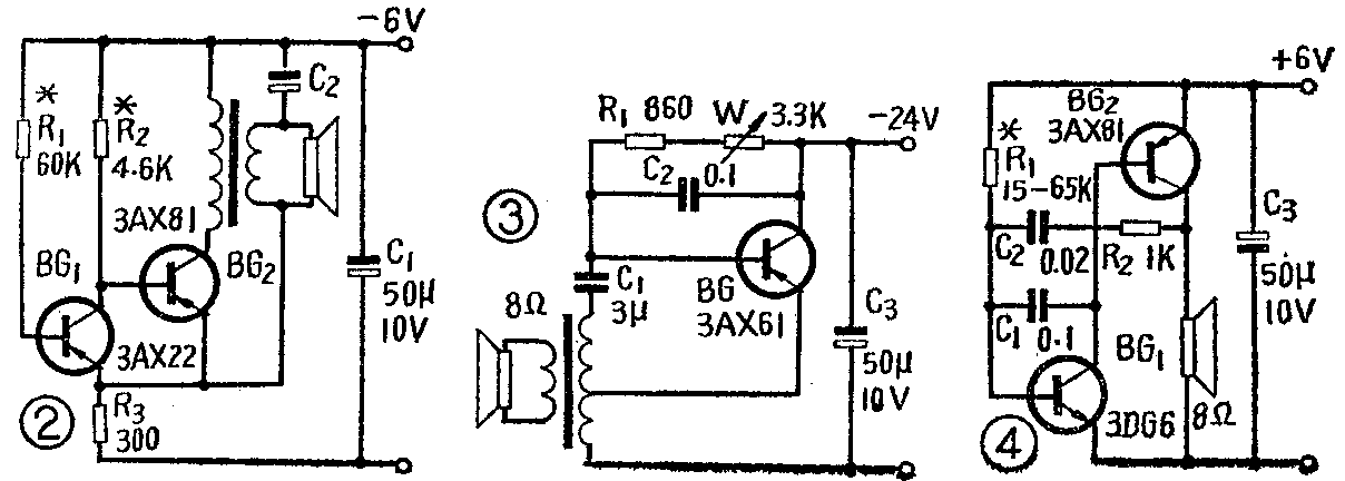
图2是图1的简化线路。C\(_{2}\)选用10微法时,振荡频率约900赫,耗电不到110毫安,输出功率约90毫瓦。
以上两个线路里的变压器就是晶体管收音机用的输出变压器。对元、器件要求不高,很容易起振。如果不起振,可换接变压器次级引线即可。

图3是三点式振荡器,也是用晶体管收音机的输出变压器做成,零件也很少。改变W可以改变振荡频率。W在380欧姆时振荡频率约800赫。C\(_{2}\)不用也可以,这时耗电150毫安,输出功率约300毫瓦;接上C2后,脉冲加宽,耗电160毫安,输出功率增至400毫瓦。
图4是用互补电路做成的讯响器。比起上面的电路,它又节省了一个变压器,使体积重量都减小了。这个电路的工作原理很简单。两只晶体管接成直接耦合的放大器。BG\(_{2}\)放大的讯号经C2、R\(_{2}\)正反馈到BG1基极形成振荡。改变R\(_{1}\)的阻值,可以改变频率,同时也改变输出功率。R1大则频率低、功率小。当R\(_{1}\)选用15千欧时,频率1000赫,耗电100毫安,输出功率200毫瓦。R2可以不用,这时输出功率较小。
这个电路元、器件选择要求不高。BG\(_{1}\)集电极电流5毫安左右,用任何NPN硅管都可以。试用过3DG6、3DG405;3DK2、3DK4;3DX都可以。BG2用3AX22、3AX31、3AX34、3AX81、3AX61、3AX63均可,但因工作电流较大,100毫安左右,用3AX81或3AX61较好。β>20就可以。
调整起来也很容易,只要元件良好,接线无误,接通电源就可以起振。把R\(_{1}\)暂时用5千欧电阻串82千欧可变电阻代替,调节这个可变电阻可以改变声调。一般调在800—1000赫较好。因为这时声调明显,效率也较高。转动可变电阻时,耗电电流也跟着变。可以串上毫安表,调到声音较响而耗电又不太大为止。然后测出可变电阻与5千欧电阻串接后的总值,换上阻值相同的固定电阻。
在结构上,由于元件很少,喇叭磁铁周围的空间就足够有余。可以把线路板掏大孔卡在喇叭磁铁上。

在实际使用中,有时几个事故警告信号共用一个讯响器(但另有各自的事故信号灯)。这时,为了区分警告信号的范围,往往需用不同声调的讯响器。采用晶体管讯响器就能够很容易地实现一个讯响器分别发出两(或三)个声调的要求。这只要将不同的R\(_{1}\)值分别接在不同类的警告电路中就行了。图5中J11……系第一类警告,其中任一接点闭合都会发出频率为f\(_{1}\)的警告信号;J21……系第二类警告,其中任一接点闭合都会发出频率为f\(_{2}\)的警告信号。可以从声调的高低来迅速判别故障范围,有利于及时排除故障。
变调讯响器
有时,由于周围有机器的噪声,时间长了就使得操作人员听觉疲劳,不易发觉警告信号。为了引起人们的注意,希望警告信号不是单一的声调,而是能断续发出或产生频率由低到高、再由高到低的变调声音。这种要求利用晶体管讯响器也很容易解决。

图6、7、8都是变调讯响器的线路。图6的右半部就是图4的振荡器,左半部则是一个用单结晶体管做成的超低频振荡器。用它的定时电容器C\(_{1}\)上的锯齿波电压耦合到BG2,来周期性地改变BG\(_{2}\)的偏置,以调制讯响器的频率,达到变调的目的。改变图6中的R2,就能改变声调变化的快慢。当R\(_{2}\)=20千欧时,声调变化约3次/秒;R2=120千欧时,则减慢到1.5次/秒。这个电路的缺点是由于电容器充电时间的影响,接通电源后要1—2秒钟才开始变调。


图7是用多谐振荡器来变调。P点可以接M点或N点,当P点接在M点上时,喇叭里发出断续的“嘟·嘟·”声,每秒约1.5次,耗电共60毫安;P点接在N点上时,喇叭发出“嘀呜——嘀呜——”的变调声,每秒约2.5次,耗电共130毫安,输出功率约180毫瓦。
对元、器件要求不高。 BG\(_{1}\)、BG2不一定成对。3AX8、3AX22、3AX31、3AX34、3AX81都行,甚至不同型号的两只管子也可以起振、变调。C\(_{3}\)容量大小影响变调(或断续)周期。若C3减少到1.5微法的话,当P接M时,断续频率加快到2次/秒;P接N时,则变调频率也相应增加到4次/秒。C\(_{1}\)、C2是故意使用容量不同的电容器的,用以使声调“升”与“降”的时间不等(或“断”与“响”的间隔不等)。加大C\(_{1}\),停顿时间加长;加大C2,则变调延续时间加长。总之,C\(_{1}\)、C2、C\(_{3}\)都可以根据需要来选定。
图8的线路则能发出类似电动警报器的“伍——误——伍——误——”的连续变调声音,最能引人注意。它的左半部就是本刊1973年第3期介绍的电抗管超低频正弦波振荡器。不同的是改用两只PNP锗管。右半部仍是图4的讯响器,只是倒过来画了。把它们两者结合起来就成了慢速均匀变调的讯响器了。按图中数值选用元件,则变调周期为4秒,耗电在70—130毫安间变化。
无论以上那种晶体管讯响器,如嫌功率不够,都可以比较方便地加装放大器,使输出功率达几十瓦。
最后,需要说明的是晶体管讯响器最好用电池供电。如使用整流电源,则需加强滤波电路,否则声调中会含有放大了的100赫杂音,使信号音色不纯。(谢寿炽)