超外差式收音机的本机振荡输出必须足够强,以保证有适当大小的中频输出信号。但是输出太强也会产生不良后果。因为振荡太强,谐波频率的电压也相应增大,在波段的高频段,这种现象尤其明显。此外,振荡过强,会使变频增益减小,噪声增加,降低了收音机的灵敏度,还能通过输入电路向外发射,影响邻近的收音机。
以上这些现象,在同一波段内,都是随着频率的升高而增加的。这是为什么呢?大家知道,为了保证变频级工作正常和稳定,以及有足够的增益,一般都选用其截止频率是实际工作频率的三倍以上的晶体管。所以振荡器的效率在很大程度上取决于振荡回路的谐振阻抗Z\(_{o}\),Zo值越大,在其他条件不变的情况下,振荡器的效率就越高。我们知道
Zo=2πfLQ,
其中:L为本振线圈电感,一般收音机在同一波段内L多为固定的;Q为振荡线圈的品质因数,在同一波段内Q的数值一般变化不大;只有式中的f在波段内是变化的。因此从上式可以看出,在使振荡回路频率f从较低频率(低端)调到较高频率(高端)选择电台时,Z\(_{o}\)的数值将随着频率f的增高而增大,这就使得振荡器的效率在波段高端比波段低端高一些,也就是说本振的输出电压随频率的升高而增大。
这种振荡电压的不均匀,造成一部分频段增益高,一部分频段增益低;并且使得啸叫、噪声大等现象多半出现在同一波段的高频段,严重时将影响正常收听,若使高频段的振荡强度恰到好处,则低频段将会振荡微弱,甚至不振。
毛主席教导我们:“矛盾着的对立的双方互相斗争的结果,无不在一定条件下互相转化。在这里,条件是重要的。没有一定的条件,斗争着的双方都不会转化。”
振荡电压的均匀和不均匀是一对矛盾,存在这种矛盾是由于收音机在工作中调动可变电容器引起回路谐振阻抗Z\(_{o}\)变化这样的条件下造成的。因此,如果我们改变这种条件,创造另一种条件,设法使Zo随频率升高而降低,就能促使矛盾转化。从Z\(_{o}\)=ZπfLQ可知,我们是在其中的Q值不变的条件下,Zo才随着f的增高而增高。如果我们设法使Q变化,并且让它随着f的增高反而降低,这样就能抵消f变化所产生的影响,使振荡电压均匀。
怎样解决这个问题呢?我们需要对具体事物进行具体分析,才能找出办法来。

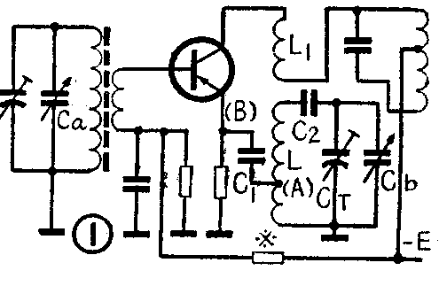
图1是一个典型的发射极注入式晶体管变频电路。本振电压由L、C\(_{2}\)、Cb、C\(_{T}\)和L1组成的电感反馈式电路产生。从L的抽头引出,经过耦合电容器C\(_{1}\)注入变频管发射极。据经验,加到B点的振荡电压,中波约150~200毫伏;短波200~300毫伏为宜。调整振荡电压的高低,主要是靠增减L1的圈数和改变L上抽头A的高低来实现。但是这个调整仅在装机或修理时调整一次以后就不动了,并不解决波段高低端振荡电压均匀的问题。
如前所述,改变Q值可以影响Z\(_{o}\)的变化。本振回路的Q值与回路的交流损耗有关。如果在回路内加入适当的电阻会使Q值降低,从而使Zo降低。但是据试验,在本振回路内串联一个电阻或在L两端并联一个电阻并不解决问题,因为对低频段的影响也很显著。
进一步分析可知,回路中的电容C\(_{b}\)的容量是在数百微微法至几微微法之间变化,借以改变振荡频率。CT是用来调高端同步跟踪和拉覆盖用的,收音机调好后,它的容量是不变的。这个电容为几微微法至数十微微法。当在低频段,C\(_{b}\)的容量为数百微微法时,CT的容量仅是C\(_{b}\)的百分之几,它的影响可说是微乎其微;但当Cb逐渐向高频段调动,即片子大部旋出,容量逐渐变小时,C\(_{T}\)的影响就成了不可忽视的因素,甚至成为决定性的因素。利用这种因素,我们在CT的支路内串联一个电阻,如图2,就可收到随着回路振荡频率的升高而降低回路的Q值的效果。实验证明,这个办法是有效的。在一个波段内,可以使回路的谐振阻抗Z\(_{o}\)大致不变,因而振荡电压在波段内比较均匀。

R的阻值在中波约为300欧;2~6兆赫约为50欧;6~12兆赫约为25欧合适。
在业余条件下,要想了解振荡输出的强弱,可用万用表测量发射极对地电压来检查。附表就是一些实测数据,可作对比来观察波段内振荡电压稳定的情况。

除了上述措施外,以下几种办法也是有效的。
1、在振荡管发射极电阻上并联电容C,如图3。因为随着频率的升高,电容C的容抗将降低,这就使得高频段的振荡电压能得到较多的旁路,所以整个波段内振荡电压较为均匀。
2、在反馈线圈的两端并联电阻R,如图4,阻值约为数千欧(一般多为2千欧),可由试验决定。
3、在发射极回路串入一个电阻,可使振荡电压的不均匀性得到部分改善,如图5。

4、在有短波段的变频电路中,其本机振荡电压在不同频率时相差较大,为了使振荡电压保持恒定,可以采用如图6所示用二极管等元件组成的电路加以稳定。当振荡电压正常时,由于二极管的整流作用,在电阻R上产生电压降,并使电容器C充电。若RC时间常数选用得当,RC两端就会出现一个对二极管而言的反向偏压,使二极管内阻增高,振荡电能被旁路较少。但当振荡电压过强时,由于线圈两端的振荡电压高于RC电路的反向偏压,于是二极管导电,内阻变低,使过强的振荡电能受到一定表耗,从而保持振荡电压均匀。
笔者认为,图6与图2结合是效果最好的,值得推荐。
为了使振荡电压均匀,还要注意选用质量较高的振荡回路垫整电容器,以提高本振回路在低频段的Q值,否则会加大振荡电压的不均匀性,甚至造成停振。此外,在多波段的收音机中,划分波段时不要使覆盖系数过大,也就是不要使每个分波段的频率范围过宽,特别是频率较高的短波部分。因为这样不但调谐容易,而且振荡电压在波段内也较为均匀。(杨锡福)