这是一种普及型的四级便携式收音机。采用9个三极管和2个二极管组成超外差式电路,有两级中放并加有二次自动增益控制电路,因此具有较高的灵敏度,而且对一般较强信号也都能得到满意的收听效果,不致产生阻塞。低放部分由于采用了无变压器的复合互补对称推挽电路,以及使用φ130毫米的较大口径扬声器,使音质得到了改善。
一、设计主导思想
牡丹942型机的设计,是贯彻“鞍钢宪法”,坚持工人、干部、技术人员三结合,实行开门搞设计的成果,在我厂党委领导下,在各车间工人同志的大力支持下,我们经过四个月的奋战,设计试制成功三台样机。为了满足广大工农兵的要求,我们采取走出去、请进来的方式广泛征求工农兵和商业部门的意见,并将样机拿到偏僻的农村和收音环境较差的山区去试听,同时还召开了座谈会,讨论电路形式、外形结构等方面的问题。通过这些调查研究活动,加深了我们为工农兵服务的思想感情,了解了工农兵的需要,明确了设计的方向,努力满足贫下中农提出的大机壳、大电池、大喇叭、低成本等要求。
二、主要电性能
1.频率范围:535~1605千赫。
2.中频频率:465±5千赫(实际是±3千赫)。
3.灵敏度:20分贝时不劣于1.5毫伏/米,实际在0.2~0.4毫伏/米之间;6分贝时实际可达到0.04~0.08毫伏/米。
4.选择性:不劣于14分贝,实际在16~23分贝之间。
5.不失真功率(失真度不大于10%):不小于150毫瓦,实际大于300毫瓦。
6.最大输出功率:约500毫瓦。
7.整机谐波失真(电):300~3000赫不大于10%。
8.电源电压:直流6伏(1号电池四节)。
9.耗电量:无信号时约18毫安;额定功率输出时不大于80毫安。
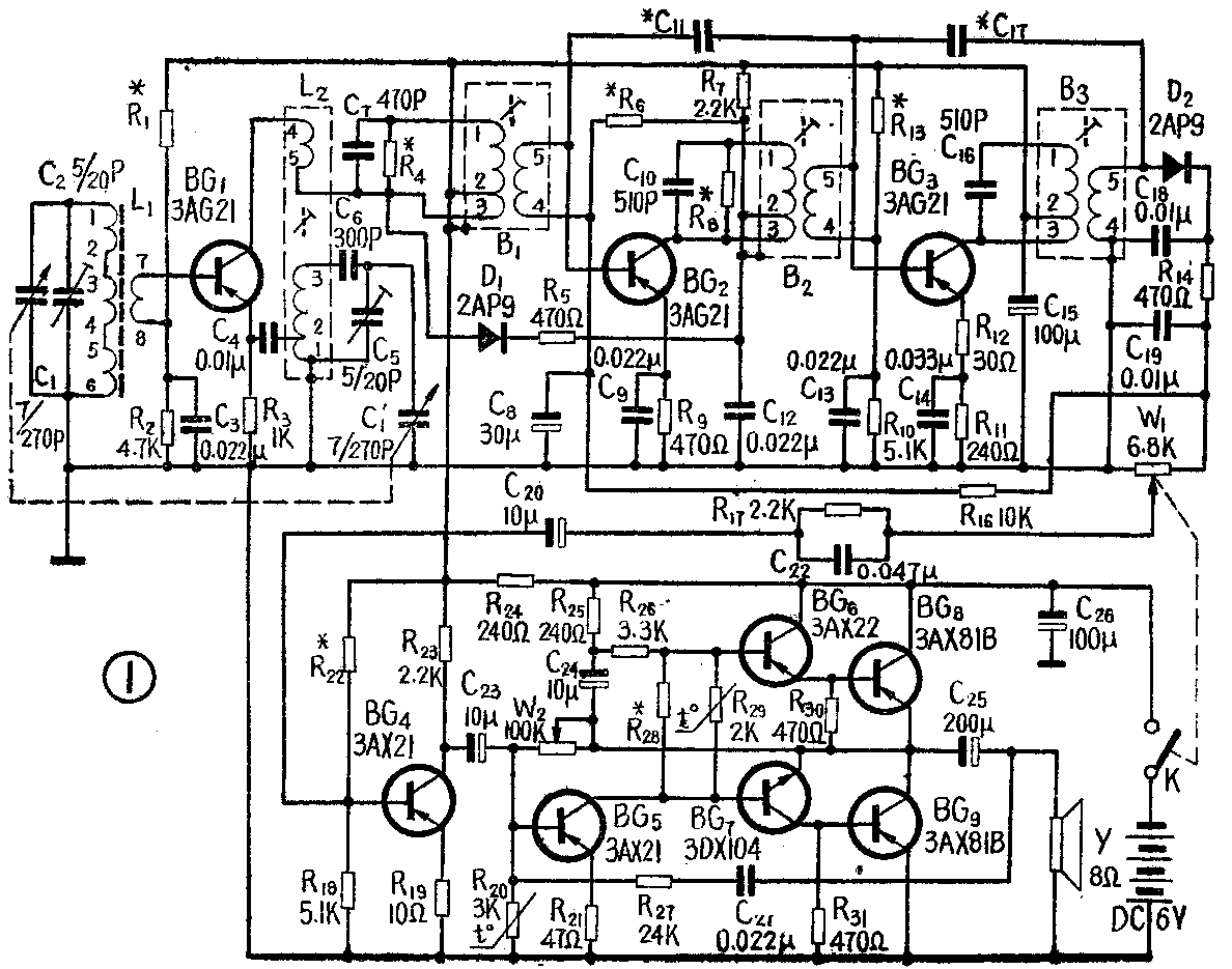
三、电路简介
整机电路见图1。印刷电路见图2。本机输入调谐回路由L\(_{1}\)、C1、C\(_{2}\)等组成。本振回路由L2、C'\(_{1}\)、C5、C\(_{6}\)组成。输入回路采用MX-400Y-Ф10×200毫米磁棒。调谐线圈采用7×0.07毫米丝包线,并分三段绕制,以提高回路Q值(见图3)。



变频管BG\(_{1}\)采用3AG21~3AG24。为了得到较高的信噪比和降压特性,选用管子噪声比在4.5分贝以内,并将BG1集电极电流I\(_{C}\)控制在0.4~0.6毫安左右。这时的晶体管噪声较小,增益也较高,使接收弱小信号时能得到清晰的效果。第一中频变压器和第二中频变压器1、3端并联有100~130千欧电阻R4和R\(_{8}\),这样不但使中频更为稳定,同时还展宽了通频带。第一中放管BG2的集电极电流I\(_{C}\)控制在0.3~0.4毫安,以防止中频增益过低或产生自激等现象。
R\(_{16}\)、C8是起自动增益控制作用。由于本机灵敏度较高,为了防止接收强信号时产生阻塞和自激现象,还加了二极管D\(_{1}\)和R5,起二次自动增益控制作用,并使中放级的工作更为稳定。
为了得到足够的低频增益,低放部分由6只管子组成。检波后的音频信号经由音量控制电位器W\(_{1}\)送入前置低放管BG4作前置放大,放大后的信号由C\(_{23}\)耦合到BG5作末前级放大。为了使BG\(_{5}\)工作稳定,下偏流电阻R20采用热敏电阻。由于BG\(_{5}\)的集电极电流IC稳定,而且在电阻R\(_{28}\)上并联了热敏电阻R29,使BG\(_{6}\)、BG7两管的基极之间(图中R\(_{28}\)两端)的电压稳定不变,不受BG5集电极电流变化的影响,从而使末级推挽功放级集电极电流I\(_{C}\)得到较好的稳定。
BG\(_{6}\)、BG8和BG\(_{7}\)、BG9四管组成复合互补推挽电路。当负半周信号输入BG\(_{6}\)、BG7的基极时,BG\(_{6}\)导通,BG7截止,信号经过BG\(_{6}\)、BG8复合管放大后,通过电容器C\(_{25}\)加到扬声器上;当正半周信号输入BG6、BG\(_{7}\)的基极时,BG6截止,BG\(_{7}\)导通,信号经过BG7、BG\(_{9}\)复合管放大后,通过电容器C25加到扬声器上。结果在扬声器上就得到被放大了的全波的音频信号。一个信号周期内,上两管和下两管各进行一次放大。为了得到足够的输出功率,末级采用复合管的形式,构成了复合互补推挽功放。由于复合管BG\(_{6}\)、BG8的总放大倍数,是组成复合管的BG\(_{6}\)和BG8两管的放大倍数的乘积,即上两管的总放大倍数等于β\(_{6}\)·β8;同样下两管BG\(_{7}\)、BG9组成的复合管的总放大倍数等于β\(_{7}\)·β9。因此,这样的组合,不但提高了输出功率,而且便于选管,只要上两管的总放大倍数和下两管的总放大倍数基本相等,即能满足互补推挽的要求,而不必要求BG\(_{6}\)和BG7两管的β一定要相等,这就给选配管子带来了方便。但在计算上、下两边管子的β值时,由于BG\(_{6}\)与BG8、BG\(_{7}\)与BG9加了分流电阻R\(_{3}\)0、R31、BG\(_{6}\)、BG7的有效β值已经下降,R\(_{3}\)0、R31阻值越小,分流越大,有效β值下降得越多。所以在计算时应把这方面的因素考虑进去。
此外,在选管时仅仅注意管子的电流放大系数β还是不够的,还要考虑这四个功放管的其他参数,如集电极与发射极的穿透电流I\(_{CEO}\)、集电极与基极的穿透电流ICBO、发射极与基极的穿透电流I\(_{EBO}\)。BG6的直流参数I\(_{CBO}\)和IEBO一般不要大于12微安;I\(_{CEO}\)不要大于550微安。BG7用3DX104,它的I\(_{CBO}\)、IEBO、I\(_{CEO}\)都小于1微安,指标远远低于锗管,所以问题不大,在维修时也可以用3DG6系列的管子代用。BG8、BG\(_{9}\)的ICBO和I\(_{EBO}\)都不要大于15微安;ICEO不要大于700微安。这些管子的穿透电流越大,管子的静态电流消耗也越大,工作的热稳定性也越差,所以穿透电流太大的管子不宜使用。
C\(_{25}\)是音频输出耦合电容器。这个电容器的容量越大,低半功率点的频率fD越低;容量越小则f\(_{D}\)越高。本机负载为8欧,低半功率点的频率要求能达到100赫,所以
C\(_{25}\)=1/(2πfDR\(_{L}\))=1/(6.28×100×8)=200微微法。
为了使音质更好听些,由R\(_{17}\)、C22组成高音提升网络;由R\(_{27}\)、C27组成提升低音的负反馈电路,这样可减小失真,改善了音质。
复合管的工作点是通过R\(_{28}\)、R29的调整来决定的。R\(_{29}\)还起热稳定补偿作用,热敏电阻R29的质量要可靠。为了得到可靠的热稳定补偿作用,还必须将R\(_{29}\)紧夹在BG8、BG\(_{9}\)之间。这样,当BG8、BG\(_{9}\)集电极电流上升到超过规定数值时,两管发热,热敏电阻受热后阻值下降,使BG6、BG\(_{7}\)基极电位也下降,这样就控制了BG8、BG\(_{9}\)集电极电流的上升。
末级复合互补电路的工作点调整方法是:先将R\(_{24}\)挑开。调节中心电平电位器W2,使BG\(_{8}\)、BG9的工作电压都在3伏左右。将电流表串接在电源电路中,变换电阻R\(_{28}\)、R29,使输出五管的总静态工作电流在7~10毫安之间。上述两项调节需反复进行,直到满足要求。静态工作电流调得要合适,如过小,就会产生交越失真,即小信号失真,也就是关小音量收听节目时会产生声音发憋的现象。如静态电流调得过大,收听节目音质虽然比较好,但无信号时的电流消耗大,以致收音机连续工作一段时间后,热稳定作用要恶化,严重时会烧毁BG\(_{8}\)、BG9两管。
各晶体管的β值选用和工作电流数据见附表。

四、线圈特性和数据
中波天线线圈L\(_{1}\)的绕制数据见图3,其初级电感≥260微亨,Q≥150。中波振荡线圈L2采用北京海波电器厂SZZ\(_{1}\)型振荡线圈,Q≥100。中频变压器B1\(_{2}\)3分别采用该厂SZP\(_{1}\)、SZP2、SZP\(_{3}\)各型,其Q值均为80~120。
五、结构特点


本机的调谐机构设计成直拨式,且调谐旋钮与音量调节旋钮装在一处,结合成为一整体,因此使用方便,灵活。这种结构比较新颖,具有独特风格。图4是它的全貌。它是由机架1、刻度盘2、频率调谐旋钮3、音量及电源开关旋钮4、附电源开关的音量电位器5、小型薄膜双连电容器6等件组成。安装次序见图5。安装时双连电容器有引出线的一面应向着机架的平直边,不然整个组件安装后刻度盘位置就反了。调谐旋钮安装时应将双连旋向容量最小的一端,然后将旋钮的开口处向下,与双连轴插接。电位器装在机架的一个附片上,拆卸时应连同附片一起拆下。这一组件固定在机架上,其中有一固定孔使用的是较长的螺钉(M3×8),在固定电位器时应使它的接地焊片和螺钉接触,以作定位。最后装音量旋钮。
维修需要更换双连时,可先卸下音量旋钮,烫开双连的三根引线,拉松与电位器相连接的五条引线。拆卸调谐旋钮时,只要拧下和机架固定的两个螺钉后,把电位器连同附片一起顺时针旋转拉出,用改锥拆卸旋纽和双连相连接的固定螺钉。这时把调谐旋钮转到开口处向下就从机架间拔出,让出拆卸固定双连螺钉的位置,如图6。

机架附片上的限位销的作用,是防止双连受到过大力量旋动过头而损坏。可用尖嘴钳拨动调整,使它在双连旋至高、低两端极限位置时都能和调谐旋钮上的两处限位突起楞接触,如图7所示。(北京无线电厂产品组)