双稳态触发器是最基本的脉冲数字电路,它可以对脉冲信号进行记忆和记数,也可以作为矩形脉冲发生器,因此它被广泛地应用在计算技术、自动控制装置、雷达和通信设备中。

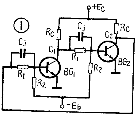
图1是一个典型的双稳态触发器的电原理图(以NPN型晶体管为例)。它实质上是由两个对称的反相器组成的两级正反馈放大器,图2是这种电路的习惯画法。由图1可以看出,在接通电源后,若晶体管BG\(_{1}\)饱和,则其集电极C1输出低电平,迫使BG\(_{2}\)截止,BG2截止后,其集电极C\(_{2}\)输出高电平,经正反馈到BG1基极,又保证了BG\(_{1}\)的饱和,于是电路处于BG1饱和,BG\(_{2}\)截止的稳定状态。反之,若接通电源时BG1截止,则BG\(_{2}\) 必定饱和,电路将处于另一个稳定状态。

在某一稳定状态下,若在饱和管的基极引入一个负脉冲,使饱和管脱离饱和,截止管也会脱离截止,驱使两管都进入放大状态,就会在强烈的正反馈作用下,使电路从一个稳定状态迅速转换到另一个稳定状态。我们把需要记忆的脉冲一个个地依次触发双稳态触发器,使电路不停而可靠地翻转,就可以记忆脉冲的个数了。
稳态条件
要准确可靠地记忆脉冲,要求触发器在没有触发信号作用时,要有良好的稳定性,不致由于外界干扰脉冲的影响使电路错误转换。为此,在设计电路确定元件参数时,要满足截止条件和饱和条件。下面就来详细地分析电路的稳态条件。
判断晶体管能否可靠截止和充分饱和关键在于它的基极。因为要使管子截止,就要在基极加上截止偏压U\(_{ber}\),所以分析截止条件时,必须从分析基极电压入手;要使管子饱和,就要从基极注入足够大的基极电流,所以分析饱和条件时,要从分析基极电流入手,满足Ib>I\(_{bs}\)。

先分析当BG\(_{1}\)饱和时,保证BG2可靠截止的电路条件。图3是BG\(_{1}\)饱和,BG2截止时的简化电路。由于BG\(_{1}\)饱和,其集电极电位Uc1=U\(_{ces}\)≈0.3V(开关管),所以饱和管的c、e之间相当于一个恒压电源。由于BG2截止,I\(_{b}\)≈0,可近似认为b、e之间开路。这样,图3的电路就可以等效为图4所示的线性电路,使分析与计算大为简化。由图4可以算出BG2截止时的基极电位U\(_{b2}\)=Uces-IR\(_{1}\)Uces可忽略不计,U\(_{b2}\)≈-EbR\(_{1}\)R1+R\(_{2}\)为使BG2可靠截止,应满足U\(_{b2}\)≤Uber,U\(_{ber}\)是根据所需截止深度而选定的截止偏压,即
将上式整理后得出
R\(_{1}\)≥-UberR\(_{2}\)Eb+U\(_{ber}\)………………(1)
显然,当E\(_{b}\)、Uber确定后,触发器的截止条件完全取决于R\(_{1}\)与R2的数值。R\(_{1}\)越大,R2越小,越能满足截止条件。这是由于-E\(_{b}\)在R1上的分压越大,U\(_{b2}\)越负,使管子截止越深。但是,管子截止越深,在电路转换时,要使管子由深截止变为导通,就需要加入更大的触发脉冲,而且转换的过渡时间也更长了,这就降低了触发器的触发灵敏度和转换速度。因此,截止深度应根据实际要求决定,一般取截止偏压Uber=0~-2V。

再分析当BG\(_{2}\)截止时保证BG1充分饱和的电路条件。图5是BG\(_{2}\)截止,BG1饱和时的简化电路。由于BG\(_{1}\)饱和,所以其前向压降Ubes≈0.7V(硅管),可以把饱和管的b、e之间等效为一个导通的二极管,这样,就可把图5化为图6所示的线性电路。由图中可知
I\(_{b}\)=I1-I\(_{2}\)
式中I\(_{1}\)=Ec-U\(_{bes}\)R1+R\(_{c}\)≈Ec;R\(_{1}\)+Rc
I\(_{2}\)=Ubes-(-E\(_{b}\))R2=U\(_{bes}\)+Eb;R\(_{2}\)≈EbR\(_{2}\)
所以I\(_{b}\)=EcR\(_{1}\)+Rc-E\(_{b}\);R2
为使BG\(_{1}\)充分饱和应该满足
I\(_{b}\)≥Ibs≈\(\frac{E}{_{c}}\)βRc即E\(_{c}\);R1+R\(_{c}\)-EbR\(_{2}\)≥Ec;βR\(_{c}\)
将上式整理后得到
R\(_{1}\)≤\(\frac{β}{1+}\)EbβR\(_{c}\);EcR\(_{2}\)-1)Rc………………(2)
显然,饱和条件和电路的所有参数都有关,但是在E\(_{c}\)、Eb、R\(_{c}\)和晶体管都已选定后,饱和条件就只决定于R1、R\(_{2}\)的相对大小了。R1越小,R\(_{2}\)越大,越容易满足饱和条件。
比较(1)式和(2)式可以看出,要截止可靠,必须R\(_{1}\)大、R2小;要饱和充分,必须R\(_{1}\)小、R2大。截止与饱和,对R\(_{1}\)、R2提出了相反的要求。因此,为保证触发器稳定可靠地工作,关键在于合理地选择R\(_{1}\)、R2的数值。要满足稳态条件,可以把(1)式与(2)式联立,即
然后,用图解法求出R\(_{1}\)与R2的合适数值,具体作法将在下面的设计方法中叙述。
转换条件
双稳态触发器是两级电阻分压耦合的正反馈放大器,在外界触发脉冲的作用下,破坏了电路的稳定条件,依靠电路内部正反馈的积累过程,使电路由一种稳态迅速翻转到另一个稳态。本刊1974年第5期《双稳态触发器》一文已经分析了触发翻转过程,本文重点分析触发电路和加速电容参数选择的一般原则。

通常,双稳态触发器采用尖顶脉冲作为触发信号。它是将输入矩形脉冲通过微分电路和隔离二极管变换而成的,触发电路的组成如图7所示。为了保证电路可靠地转换,对触发脉冲的幅度和宽度就有一定的要求。触发脉冲的幅度太小,电路就可能转换不了或转换很慢;太大,则在其作用期间两个隔离二极管都可能导通,对转换也不利。一般取3~7V,通过实验决定。触发脉冲的宽度也要合适,太窄,则尖顶脉冲的持续时间小于饱和管的关闭时间t\(_{关}\),电路转换不了或转换不可靠。太宽,则尖顶脉冲的持续时间长,当原截止管向饱和转化时,它又被引导到原截止管的基极,影响触发器的转换速度,甚至使电路不能转换。
触发脉冲的宽度和幅度是由微分电路的参数决定的。构成微分电路的条件是RC电路的时间常数τ远小于输入脉冲的宽度T\(_{k}\)。在触发器输入电路中,常取
τ=R\(_{r}\)Cr<\(\frac{T}{_{k}}\)3
如果输入脉冲是对称方波,重复周期为T,重复频率为f,则脉冲宽度T\(_{k}\)=\(\frac{T}{2}\)=1;2f,则
R\(_{r}\)Cr<\(\frac{1}{6f}\)……………(4)
微分电容C\(_{r}\)选得大,则触发电路供给饱和管的反向基极电流就大,使管子较快地脱离饱和,从而缩短管子的关闭时间t关。微分电阻R\(_{r}\)的大小主要是影响触发脉冲的宽度。所以适当地选择微分电路的参数,是使触发器可靠翻转的一个必要条件。
大家知道,在反相器电路中引进加速电容C\(_{j}\)以后,能够有效地缩短管子的开通时间t开和关闭时间t\(_{关}\)。在双稳态触发器中,加速电容Cj越大,集电极与基极之间的动态耦合越强,翻转的可靠性越高。特别是当集电极带上电容负载以后,会使集电极电位的变化减慢,也就延长了截止管脱离截止的时间,就有可能使本来满足翻转必要条件的电路,由于负载电容充电的延时作用,使电路在触发脉冲作用期间,不能保证截止管的基极电位上升到使管子导通的数值。在这种情况下,就可以采用较大的加速电容,提高动态耦合,缩短截止管脱离截止的时间,以补偿负载电容的影响,使电路重新满足转换的必要条件。
因此,在电路中引进加速电容,是电路内部提高翻转的可靠性的重要措施。但是,加速电容选得太大,在翻转过程结束后,电路的恢复时间就要加长,降低了电路的快速性指标。
设计方法
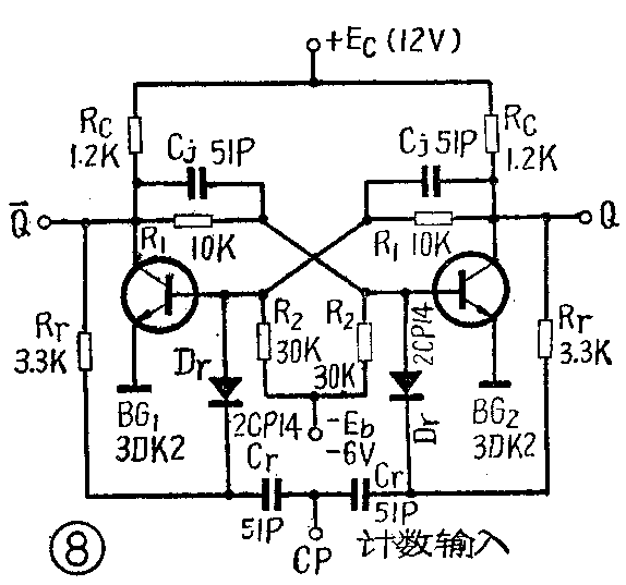
以上分析了双稳态触发器可靠工作的必要条件,现在我们以图8所示的典型的固定偏压饱和型双稳态触发器作为例子,介绍设计这种触发器的一般原则和实用的计算方法。设计的具体步骤为:

1.提出设计要求:双稳态触发器的技术指标是根据设备的具体工作条件提出来的,是工程设计的依据。图8所示的双稳态触发器,要求输出脉冲幅度U\(_{m}\)大于8伏,电路的最高工作频率为1MHZ,最高工作温度为55℃。
2.选择晶体管:晶体管是双稳态触发器的核心元件,它直接影响着电路的静态特性和动态特性。在选管时主要考虑以下几个方面:
(1)电路的工作频率f\(_{max}\):电路的工作频率越高,对晶体管的高频特性要求越严格。一般在工作频率大于10MHZ时,应选用开关时间很短的开关管(如3DK、3AK系列);若工作频率在1MH\(_{Z}\)左右,也可选用高频放大管(如3DG、3AG系列);若工作频率在100KHZ左右,可用一般的中频管或合金低频管(如3AX31等)。开关晶体管在产品目录中都已给出开关时间参数,即t\(_{开}\)和t关。在高频运用时应取
t\(_{开}\)+t关≤\(\frac{1}{(2~3)f}\)\(_{max}\),
即根据电路的最高工作频率f\(_{max}\),由上式提出对晶体管开关时间的要求,选择合适的管型。
(2)两管的特性应该基本一致,其参数之差不应超过10~20%。
(3)电路的最高工作电压和最大工作电流不应超过晶体管的极限参数(I\(_{CM}\)、BUceo和P\(_{CM}\))。
(4)温度稳定性:硅管比锗管温度稳定性好得多,目前广泛采用硅管。
本例工作频率f\(_{max}\)=1MHZ,U\(_{m}\)≥8V,故选用开关管3DK2,其主要参数为:ICM=30mA,BU\(_{ceo}\)≥20V,t开≤20ns,t\(_{关}\)≤40ns,β=20~150,Icbo<0.1μA,能够满足要求。
3.选择电源电压;集电极电源E\(_{c}\)主要根据触发器输出幅度Um来确定,并考虑到晶体管的耐压要求。在工作中一般允许电网电压有±10%的波动,所以应该满足E\(_{c}\)(1-10%)>Um,E\(_{c}\)(1+10%)<BUceo,一般取E\(_{c}\)=(1.2~1.5)Um。
选择基极负电源-E\(_{b}\)时,应考虑|-Eb|过大,对快速不利,|-E\(_{b}\)|过小,对截止不利,一般取|-Eb|=(0.2~0.5)E\(_{c}\)。
此外,在选定电源电压时,应使整个设备中电源种类尽量少,并符合国家标准电压档级的规定,常用电源有3、6、12、18、24伏等。本例中要求U\(_{m}\)> 8V,故选Ec=12V,-E\(_{b}\)=-6V。
4.集电极电阻R\(_{c}\)的估算:集电极电阻Rc越大,管子越容易饱和,且电路增益大,这是有利的一面,但是当触发器带上电容负载(包括集电极寄生电容)后,输出脉冲的上升边沿t\(_{r}\)取决于负载电容的充电时间,充电时间常数为τ=RcC\(_{o}\),所以Rc过大将使上升边沿变坏,对快速不利。但R\(_{c}\)取得太小,则饱和集电极电流Ics较大,β变小,电路功耗增大。故一般中速和低速电路中,取
I\(_{cs}\)=(\(\frac{1}{2}\)~1;3)ICM
则R\(_{c}\)=Ec-U\(_{ces}\)Ics
本例已选晶体管3DK2,其I\(_{CM}\)=30mA,故取Ics=10mA,于是R\(_{c}\)=12V-0.3V10mA=1.17K选系列值1.2K。

5.设计分压电阻R\(_{1}\)、R2:前面已经推导出满足截止条件的公式(1)以及满足饱和条件的公式(2),本例中选截止偏压U\(_{ber}\)=-1V,β=20(注意,要用Ic=I\(_{cs}\)时的β值),Ec、E\(_{b}\)均为已知数,将这些已知数代入式(1)、(2)中,得出
R\(_{1}\)>R25(截止条件)
R\(_{1}\)<24R2R\(_{2}\)+12-1.2(饱和条件)
然后将每一公式求出一定个数的R\(_{1}\)、R2对应值,用座标纸描绘成两条曲线,如图9所示。显然,两条曲线中间的区域既满足饱和条件,又满足截止条件,故称为“双稳区”,R\(_{1}\)、R2就可以在其中选择。本例选择R\(_{2}\)=30K、R1=10K,它对应于图9中的M点。
6.选择加速电容C\(_{j}\):对高频管一般取Cj=20~200PF,低频管取C\(_{j}\)=200~1000PF。本例取Cj= 51PF。
7.隔离二极管Dr的选择:在高速电路中宜选用开关二极管,如2CK、2AK系列。工作频率小于1MH\(_{Z}\) 时,可用普通点接触型二极管。本例选用2CP14型。
8.微分电路参数的确定:分析转换条件时已知
R\(_{r}\)Cr<\(\frac{1}{6f}\)=1;6×1×10\(^{6}\)=0.16μs(微秒)
取C\(_{r}\)=51PF,算出Rr≤3.3K。
测试与调整
上面估算得到的数据还必须通过实验调整才能最后确定下来。下面简单介绍调试的方法。
l.静态测试:首先检查搭好的电路接线是否正确,有无短路或虚焊等情况。再接通电源,不加触发信号,用万用表(灵敏度20000Ω/V以上的较好)测量两只管子的集电极与基极静态电位,判断是否一个管子处于截止状态,另一个处于饱和状态。然后用改锥将饱和管基极碰“地”(即b、e间短路),看集电极电压有无跳变,说明电路能否翻转。翻转后,重复测量两管的集电极和基极的静态电位,两次测出的静态电位应该有很好的对称性。
2.动态测试:用脉冲发生器或多谐振荡器给双稳态触发器输入触发信号,用脉冲示波器(最好是二踪示波器)进行观察,其内容有:
(1)集电极输出波形的频率是否为输入的一半;
(2)前后沿时间是否符合要求,波形是否正常;
(3)测定触发灵敏度:把电源电压向着有利于饱和的方向变化10%[E\(_{c}\)(1+10%)、-Eb(1-10%)],此时,将触发脉冲幅度由小逐渐调大,能够使触发器可靠转换的触发脉冲幅度的最小值,就是触发灵敏度。
(4)测定抗干扰能力:把电源电压向着不利于管子饱和的方向变化10%[E\(_{c}\)(1-10%),-Eb(1+10%)],改变触发脉冲幅度,能够保证触发器原始稳定状态不变的触发脉冲幅度的最大值,即抗干扰能力。
在测试和调整的过程中,有时会出现触发器不翻转或误动作等情况,可能的原因是:
1.若静态测试发现两晶体管不符合一管饱和、另一管截止的关系,可能是管子和元件有短路或虚焊点。
2.触发器不翻转时,可能是两管参数很不对称,使触发器有较强的倾向性。有时分压电阻阻值不对或搭配不合适也会使触发器不能翻转,可以将R\(_{2}\)适当增大或R1适当减小再进行调试。
3.加速电容C\(_{j}\)和微分电容Cr有断线、脱焊等情况,也会造成触发器不能翻转。
4.隔离二极管D\(_{r}\)的内阻不合适,或极性接反。(宋东生)