凯歌4B12型半导体收音机是五管二波段来复超外差式收音机,它的第一级中频变压器采用双调谐回路,外型和性能都较好,深受广大工农兵的欢迎。现将我们在修理这种收音机时经常碰到的一些故障介绍给大家参考。
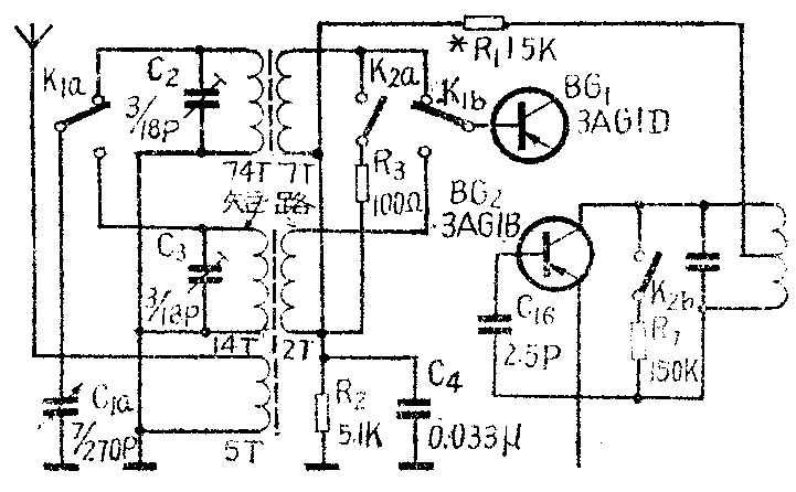
1.停振或灵敏度显著下降。这往往有两种情况:①短波无线线圈的初级与次级间短路(见图),造成变频管的基极对地短路,使下偏置电阻短路,基极输入信号也被短路,变频管失去放大能力,引起停振。这时用万用表直流电压档测变频管基极和发射极对地均无电压或极微(正常时U\(_{b}\)≈0.95伏,Ue≈0.8伏)。然后关掉电源,再用万用表电阻档检查变频管基极对地电阻将等于零。这时可用镊子轻轻拨动短波天线线圈初、次级间胶合处,查明短路所在,将次级线圈漆包线的漆皮剥落处滴上少许快干漆或万能胶,便可恢复正常。

②变频管的基极高频旁路圆片电容器C\(_{4}\)击穿或漏电。一般以击穿为多,这种铁电瓷介电容器工作的频率越高越易击穿。这个电容器击穿短路,故障检查方法与前者一样。若电容严重漏电,致使基极偏压减小,变频级增益明显降低,造成灵敏度低、甚至停振。这时用万用表直流电压档测变频管的发射极对地电压低于0.4伏(万用表最好用20千欧/伏,测量精度较高的)。然后进一步检查,关掉收音机电源,将万用表拨至R×1K档,负表笔搭地,正表笔测变频管基极对地电阻小于2千欧(该机一般正常时这一电阻应≥2千欧)。
置换C\(_{4}\)时最好换用小型金属膜电容器,因为这种电容器被击穿后有“自愈”作用,故性能稳定可靠。
另外值得指出的是该机的短波天线线圈的初级线圈用的是镀银导线,若其表面积满尘埃和受潮,会造成漏电和严重的高频电能损耗,也将引起灵敏度降低,甚至停振。这种情况也应该引起重视。若发现磁棒线圈或其他电感线圈有尘埃,需用软毛刷将它刷净。
2.严重的来复阻塞:这也是该机常见的故障。这时收音机喇叭放出的声音断续不清,似乎有闷塞的感觉。最常见的原因是晶体管本身性能变化,如第二中放兼来复低放管的穿透电流I\(_{ceo}\)变大,或环境温度过高等原因引起该管集电极电流增高,或者自己随便拨动了该管的偏流电阻,引起该管集电极电流过大而引起阻塞。这时可将该管集电极电路断开(把印刷电路上末级中用的初级中心头旁边的焊锡烫开即可),将万用表拨至适当的电流档,串入集电极电路,调整该管上偏流微调电阻,使该管集电极电流调到3毫安即可。
另外,强信号抑制电阻的微调电阻阻值调不合适(如位置有了变动),或强信号抑制二极管损坏,引起了阻塞,可适当调整该微调电阻和更换二极管,即可修复。
远近程拨动开关焊片失去弹性而造成接触不良,致使输入回路衰减电阻R\(_{3}\)(见图)或第二级中周的衰减电阻R7开路(该机老产品中有R\(_{7}\)),从而失去对强信号抑制的作用,造成强信号阻塞。这时可用万用表的电阻档检查远近程拨动开关。(浙江台州无线电厂修理部工人 孙华乐)