二、计数器中的基本逻辑门电路
上篇我们讲到,双稳态触发器是计数器的基本单元,上篇图1所示的双稳态触发器,由晶体管、电阻、电容等分立元件组成。随着电子技术的发展,集成电路的使用日益广泛,本文所要介绍的计数器是由数字集成电路构成的。数字集成电路,是一种具有运算功能的集成电路(简称数字电路),这类电路的输入、输出之间遵循一定的规律,表现出各种逻辑关系,也就是说,电路本身具备一定的逻辑功能,所以数字集成电路也称为逻辑电路。
逻辑电路包括基本门电路和多功能逻辑电路。基本门电路有“与”“或”、“非”“与非”“或非”等门电路;多功能逻辑电路有如触发器、译码器、寄存器等等。多功能逻辑电路也可以由基本门电路组成,如触发器,起初用“与非”门电路组合起来构成,近年来将这种组合集成单片,就形成了单片多功能触发器,如J—K触发器、D触发器等,它们的工作原理和门电路组成的触发器相似。所以,为了弄清集成电路计数器和组成计数器的触发器原理,让我们从基本门电路谈起。此外,计数器的译码部分和显示驱动部分也都要用到门电路。
本刊1975年第5期“基本逻辑电路浅介”一文中,已对门电路的一般知识作过介绍,为了对它们有一个概括的了解,并便于比较,图1列出了几种最基本的逻辑门电路。

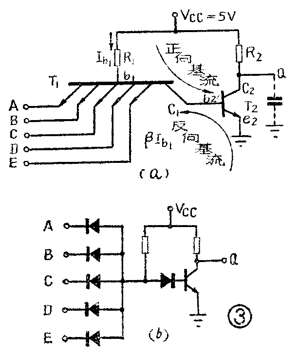
分析图1可知,所谓“门”电路,就是人们用来控制“开”和“关”的机构,它能按照一定的条件去控制信号“通过”或“不通过”、控制电位“高”或“低”、控制脉冲“有”或“无”。目前普遍使用的是TTL“与非”门电路,其它各种门电路,亦可由“与非”门电路组成,如图2所示。所以下面我们重点分析一下TTL“与非”门电路。

所谓TTL是指晶体管—晶体管逻辑电路,这是一种输入端是晶体管、输出端也是晶体管的逻辑电路,在电路中,用晶体管与晶体管的直接耦合,代替分立元件通常采用的阻容耦合,具有较高的开关速度和负载能力。TTL与非门电路的工作原理,可用图3a来说明,它的基本部分仍然是“与”和“非”这两部分。用一只多发射极晶体管T\(_{1}\)形成“与”逻辑,用反相器T2完成“非”逻辑。多发射极晶体管T\(_{1}\)有五个发射极,它的工作原理和普通晶体管是一样的,它的基极和每一个发射极之间形成了一个PN结,基极为正极,发射极为负极。所以五个发射极与基极间,相当于五个正极连在一起的二极管(如图3b),对输入和输出为高电平来讲,它们组成“与”逻辑。

若图3a中A、B、C、D、E全部输入为高电平“ 1”,则T\(_{1}\)发射结反偏置,集电结正偏置。因此电流Ib1经R\(_{1}\)流过T1的集电结而注入T\(_{2}\)的基极,形成T2的正向基流,使T\(_{2}\)管饱和,输出端Q为低电平“0”。而输入端没有电流流过,这相当于输入端与内部电路隔离。当输入端中有一个或几个从高电平“ 1”变成低电平“0”时,例如A变成“0”,则发射结b1A正偏置,这时,就有一股电流经R\(_{1}\)流向b1A,同时集电结也正偏置,根据晶体管的电流放大作用,T\(_{1}\)的集电极c1将有一股电流βI\(_{b1}\)从c1流向发射极A。这里体现出多发射极晶体管和二极管的不同,这段电流对T\(_{2}\)管来说,恰好是一反向基流,其大小为Ib1的β倍(β是T\(_{1}\)管的放大倍数),能很快抽掉T2管饱和时基区的多余存贮电荷,T\(_{2}\)管很快由饱和变为截止,加快了开关速度,输出端Q迅速地变为高电位“1”。
从图3a知,全部输入为“1”时,T\(_{2}\)通导;有一个或多个输入为“0”时,T2截止。

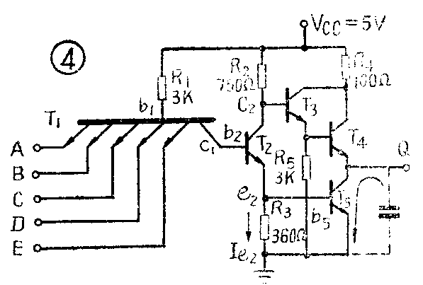
典型的TTL“与非”门电路如图4所示。图中T\(_{1}\)和T2的作用仍如图3a所示的一样,T\(_{2}\)和电阻R2、R\(_{3}\)组成反相放大器,它的集电极c2和发射极e\(_{2}\)的电压相位相反。所不同的是加入了T3、T\(_{4}\)组成的射极跟随器(两级跟随器)和T5组成的反相器。大家知道,射极跟随器具有高的输入阻抗和低的输出阻抗,因而能起隔离前后级影响的作用,并且能对负载提供出较大的电流。图3a的电路,由于当T\(_{2}\)由通导变为截止时,T2如同断开一样,输出阻抗较高,电源电压只能通过R\(_{2}\)对负载(假定为电容)充电,因而使输出波形上升边较差, 这当然会影响开关速度。加进射极跟随器T3和T\(_{4}\)之后,就能用低输出阻抗和用较大的输出电流对负载电容充电,提高了上升速度,从而改善了输出波形的上升边沿。而当T2由截止变成通导时,由于I\(_{e2}\)增大,Ve2(亦即V\(_{b5}\))升高,使T5的基极电位V\(_{b5}\)提高,T5导通,由于注入T\(_{5}\)基极的电流很大,T5饱和速度很快,饱和内阻很小,呈现很低的输出阻抗,可以使图中虚线所示的负载电容迅速放电,从而使输出电压的下降沿很好。由此可见,反相器T\(_{5}\)和跟随器T3、T\(_{4}\)串接在一起,组成了互补输出电路,综合了射极跟随器和反相器的优点。当多个输入端中有一部分为低电位因而T2由通导变为截止时(此时c\(_{2}\)点为高电位),输出级工作于射极跟随器状态,即跟随器通导,反相器截止,Q点电压迅速上升,上升边沿好,供出电流能力强;当T1输入全部为高电位因而T\(_{2}\)由截止变为通导时,输出级工作于反相器状态,即反相器饱和、跟随器截止,Q点电压迅速下降,下降边沿好,允许灌入的负载电流较大。两者合在一起,就可以使输出电压波形在上升时间和下降时间边沿都很好。
TTL与非门电路的上述内部结构,决定了它外部表现出的逻辑功能。在实际运用中,可将输入、输出间的逻辑关系,编成顺口溜,更便于理解和记忆:“输入全高,输出才低;输入有低,输出为高。”还有一句:“悬空为高,接地为低。”说明输入端悬空和接地时的电位高低。
为了进一步定量说明TTL与非门在开关线路里是怎样工作的,首先让我们来分析一下它的电压传输特性,就是输入电压从零逐渐增加到高电平时,输出电压的变化特性。电压传输特性曲线如图5所示,从图中看出:
(1)当输入电压V\(_{sr}\)=0附近时,与非门电路处于截止状态,叫做“关”门。这时,输出为高电平Vcg。输出电压V\(_{sc}\)=Vcg≥3.2伏,3.2伏为输出高电平下限。
(2)当输入电压V\(_{sr}\)≥1.8伏时,与非门电路处于通导状态,叫做“开”门。这时,输出为低电平Vcd。输出电压V\(_{sc}\)=Vcd≤0.35伏,0.35伏为输出低电平上限。
(3)通常对这一类TTL与非门电路,都规定:输出电压V\(_{sc}\)=2.7伏时的输入电压叫做关门电平Vg,V\(_{g}\)≥0.8伏是合格的。这个参数表明,这类与非门只要输入电平小于0.8伏,其门一定是“关”的。
(4)对这类TTL与非门电路还规定:V\(_{sc}\)=0.35伏时的输入电压叫做开门电平Vk,V\(_{k}\)≤1.8伏是合格的。这个参数表明,这类与非门电路只要输入电平大于1.8伏,其门一定是“开”的。
综上所述,可见这类与非门电路在输入电平≤0.8伏时一定是“关”着的,在输入电平≥1.8伏时,门一定是“开”着的。电压传输特性也就是从数量上表明与非门电路输入、输出电压相互之间的关系,也是使用与非门电路应该了解的常识。
在实际运用中,门电路常是前后级连接着的。显然,关门电平减去前级的输出低电平(譬如0.8伏—0.35伏=0.45伏),表征这一级与非门电路处于关门状态时的直流抗干扰能力(干扰电压大于0.45伏,电路就可能开门而通导,正常工作状态被破坏,预定的逻辑关系失灵)。抗干扰能力当然大一点好,这就要求关门电平大一点,前级输出低电平小一点。

同样道理,前级的输出高电平减去这一级的开门电平,表征这一级与非门电路处于开门状态时的直流抗干扰能力。这就要求开门电平小一点,前级输出高电平大一点。由图5可以看出TTL电路的抗干扰能力不是很强的。
使用TTL与非门电路时需要了解的第二个方面,是前后级的搭配问题。往往在实际使用中发生这种情况,单独作与非门来说是好的,前后串接起来后,工作不正常,这就是电参数分散造成的。关于前后级搭配需明确的基本问题有三个。
(1)当输入端接在低电平时
输入电平实际上是由前级的输出电平决定的。前级输出处于低电平时,本级输入端就要向前级灌入电流,这个电流叫输入短路电流Ird,这时本级门电路处于截止状态。输入短路电流是灌入前级T\(_{5}\)管的负载电流,Ird大了,前级门电路中晶体管T5的饱和深度就会降低,饱和压降就要升高,因为已规定T\(_{5}\)的饱和压降不允许超过输出低电平的上限0.35伏,因此Ird关系到前级门电路所能驱动的负载个数。为使前级能带动较多的同类门电路,Ird应尽量小。一般规定Ird≤1.5毫安。
(2)当输入端接在高电平时
对于接在高电平的输入端T\(_{1A}\),将有两股电流从前级流进来,如图6所示,一股电流I1自T\(_{1A}\)流向集电极C,相当于把晶体管的集-射极倒过来,因此称I1为反向β引起的漏电流;另一股电流I\(_{2}\)是自T1A流向其它发射极T\(_{1B}\)、T1C……的漏电流(假定这时除T\(_{1A}\)接高电平外,其它T1B、T\(_{1C}\)等都接低电平),各发射极之间形成晶体管“放大”作用,产生所谓交叉“放大”作用,由交叉β引起I2,这两股电流之和,叫做输入交叉漏电流Irjc=I\(_{1}\)+I2。实际测量表明,Irjc中主要是I\(_{2}\)。交叉漏电流过大,使前级电路输出高电平下降,整机就不能可靠工作。在实际使用经验中,有时遇到输出电平降为1.2伏左右,致使下级门电路时开时关,很不稳定,就是因交叉漏电流大而拉下了前级输出电平。一般Irjc要求小于70微安。

为了抗干扰,常把悬空的输入端经3K电阻接到5伏电源。当Vcc波动上升10%时,少数交叉击穿电压略高于5伏的门电路,输入端会击穿,使交叉漏电流急剧增长,整机就不可靠了。电源电压升高使门电路失灵也是门电路搭配经常出现的一个问题。
(3)输出端的负载能力
电路输出端必须保持额定的输出高电平Vcg和输出低电平Vcd,才能正常工作。输出为高电平时,仅供给下级输入端的反向漏电流,它不会超过输入交叉漏电流Irjc(如带几个门电路,则为几个Irjc),总共超不过几百微安,一般不会有什么问题。输出为低电平时,吸收下一级的输入短路电流Ird,带几个门,就有几个Ird。电路在正常工作时,所能驱动的同类型门电路的数目,叫扇出系数Nc,它是表示输出端负载能力大小的参数。一般门电路的扇出系数Nc=8,输出端吸收下一级的电流为8Ird。如(1)所述,这个电流过大,就会影响输出低电平Vcd。Vcd升高,使低电平抗干扰能力降低,使用可靠性也降低。

使用TTL与非门电路时,应该了解的第三个方面,是它的开关速度问题。平均传输延迟时间t-\(_{y}\)是衡量开关速度的主要指标。t-y表示输出信号的下降、上升边比起输入信号相应的上升、下降边来,平均迟后了多少时间,如图7所示,平均传输延迟时间t-\(_{y}\)=tTy+t\(_{gy}\)2,其中tTy为通导延迟时间,t\(_{gy}\)为截止延迟时间。如果单级延迟时间较长时,几级与非门串接在一起时,总的影响就较大。(天津市四十二中学 凌肇元)