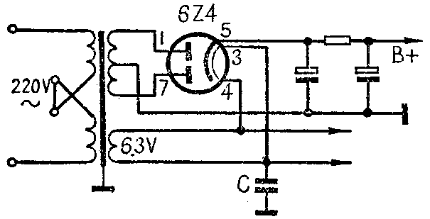
问:我的交流收音机中的整流二极管6Z4经常烧坏,为什么?

答:整流管6Z4经常烧的原因很多。通常滤波电解电容器击穿了,就会把6Z4烧坏。在更换这个电容时,应注意耐压值一定要满足要求。在各管共用一个电源变压器灯丝绕组的情况下,为了减弱交流声,通常把灯丝线圈的一端接地。如果6Z4管的阴极与灯丝间耐压不够而击穿或者碰极,那么由于灯丝一端是接地的,就把直流高压给短路了,造成6Z4烧坏。为了防止这个故障,可以将原来灯丝线圈接地的一端改为通过一个容量为0.01——0.02微法的小电容C接地,如图示。如果有两个灯丝绕组,则只要将6Z4的灯丝绕组一端接地改为通过电容接地即可。(贾万金 答)
问:稳压管一般只有两只管脚,而2DW7A——2DW7C稳压二极管却有三只管脚,怎么使用?

答:2DW7A——2DW7C是由两个背靠背的二极管串联连接而成,它的结构、管子外形、管脚标号见图示。通常使用时,只用1、2两脚,3脚空着不用。这种稳压管中的两个串接二极管温度系数一正一负,因此可以相互补偿,适合在温度稳定度要求高的设备中使用。引出三脚主要是便于测量、分析,同时若其中有一个二极管损坏,利用3脚还可以把一个二极管作为普通稳压管用。(念来 答)
问:差容式双连可变电容器,片数多的一组容量就大吗?
答:不完全是这样。我们知道差容式双连有空气介质与固体介质两种,其中固体介质的称为小型密封可变电容器。对于空气介质的双连来说,一般是片数多的容量小,而片数少的一组容量大,因为虽然片数少,但由于片间的距离变小,所以容量仍比片数多的那组大,如常用的“复旦”双连,动片为11片的一组最大容量为250Pf,而9片的一组最大容量却为290Pf。对于小型密封可变电容器,因为片间是固体介质,且介质厚度相等,所以片数多的容量大,片数少的容量也小,如CBG—2C—60(外形尺寸为17.5×17.5mm\(^{2}\)),动片为4片的一组最大容量为60Pf,动片为7片的一组最大容量为127Pf。(小群 答)
问:某电子管收音机的功率管6P1的灯丝为什么和阴极相连(如图示)?

答:旁热式电子管的灯丝工作一个时期后会伸缩变形,它上面涂的绝缘物就会产生裂缝,于是阴极对灯丝发射电子,使阴极与灯丝间有了一定程度的交连。在一般的收音机中,电子管的阴极直接接地或通过一个旁路电容接地,可以减弱这种交连。但有的收音机在前面低放级电子管的阻极上接有无电容旁路的电阻,在这电阻上就有灯丝电子放射产生的交流压降,经各级放大使收音机产生交流杂音。为了减弱这种杂音,采用了如图接法,把6P1的灯丝和阴极相连。这时灯丝对地就有一个正电压,即R\(_{17}\)上的直流栅偏压。由于6P1对前级各管而言处于正电位,这样就可以大大减弱阴极吸收从灯丝发射出来的电子的能力,从而减弱交流声。采用这种灯丝加正电压的方法,要选在栅偏压最大的一级,并且其偏压电阻要有旁路电容器,另外灯丝线圈不另接地。(花维国 答)
问:有一部昆仑7015A晶体管收音机,收听时音量变小,并且每当调谐到一个电台时先出现一阵较大的“喀”声,过后声音又小了。测量各级工作电流,电压正常。不知何故?

答:这可能是由于检波电路扼流圈开路造成的。从图可以看出,当L\(_{4}\)开路时,检波后的低频信号加不到第二中放去进行放大,故不能正常收到电台。但在调谐到某电台瞬间,自动增益控制电压尚未建立,第一级中放处于高增益状态,因而加到第三中放的信号较大,BG3进行大信号三极管检波,检波后的信号经C\(_{18}\)加至低放,所以此时音量较大。但与此同时D2、D\(_{3}\)对高频信号进行检波,检波后的直流成分经R6对C\(_{9}\)充电,使BG2的基极电压迅速上升,增益下降,于是加到第三中放的信号变弱,第三中放管的大信号检波已不复存在,所以声音又变得很轻。(高峰倩 答)