问:常用的五灯超外差收音机中,振荡电路和电压放大电路用栅漏栅偏压,而功放和中放常用自给栅偏压,为什么?
答:在振荡电路中是利用栅流形成一个负偏压,起稳定振荡的作用。因为当振荡变强时栅流增加,于是负偏压更负,使振荡减弱;同理若振荡变弱时,由于负偏压减小而使振荡增强。一般五灯收音机电压放大管如6G2电子管,它是双二极管和三极管的复合管,二极管和三极管共用一个阴极,为了保证二极管的检波作用,所以不用自给偏压而用栅漏栅偏压。
在中放级若用栅漏栅偏压,则栅漏电阻会消耗一部分前级输出的信号功率并且会降低中周调谐回路的Q值,使选择性变坏,因而采用自给偏压。功放级是为了得到最大不失真功率而用自给偏压。(田孝宏 答)
问:这个电视机线路中的R\(_{4}\)是什么元件?有什么作用?

答:线路中的R\(_{4}\)是压敏电阻。它是一种非线性半导体电阻,其阻值随电压而变化。压敏电阻可用于稳压、过压保护等电路中。这个线路中的压敏电阻R4是用来稳定水平幅度的。因为随着电源电压的增高行输出电压也会增高,那么这个电压通过电阻R\(_{1}\)、R2、R\(_{3}\)就加到了行输出管的栅极,使管子的栅偏压升高,就会引起输出电压再增高,造成行输出不稳。加了R4以后,因它的阻值随两端电压的增加而降低,所以使管子的栅偏压降低,从而使行输出减小,稳定了行输出的幅度。(曾来顺 答)
问:市电电压升高后,能否用一只电阻把它降为220伏再供给扩音机用?
答:不能。因为扩音机一般工作在甲乙类或乙类状态,其工作电流随输入信号的大小而不断变化,这就使电源部分的输入交流电流也不断地变化,如果在交流电路中串一个电阻,就必然在这个电阻两端产生一个随信号而波动的电压降,将使扩音机无法得到稳定的220伏交流电源,这样不稳定的交流电加在扩音机上就会影响扩音机的正常工作,所以不能用降压电阻来降压而通常都用调压变压器来调整交流电压以适应扩音机的需要。(曙 答)
问:录音机发生抹音不净是什么原因?
答:录音机发生抹音不净的原因很多,为了判断发生抹音不净故障的部位,可先检查抹音磁头的偏磁电压(正常时是130~180伏)。如果测出的电压较低,则故障可能在电路方面,如6P1电子管衰老或损坏、超音频信号通路电容器失效或损坏、振荡线圈或振荡电容器损坏以及抹音头接触不良等,可着手排除电路中的故障。如果测出抹音头偏磁电压正常,则抹音不净可能是由于磁头与机械部分有故障造成的,这时先测抹音头的线圈是否有断线(线圈正常阻值是50欧),若无断线再检查磁带与磁头的接触高低垂直是否妥当及运行时与磁头中间是否紧贴,这些机械部分接触不好也造成抹音不净。另外磁带久置不用,可能干缩,断面呈弧形走带时不能紧贴磁头,会造成放音、抹音效果不良。这不是录音机的故障。(范学忠 答)
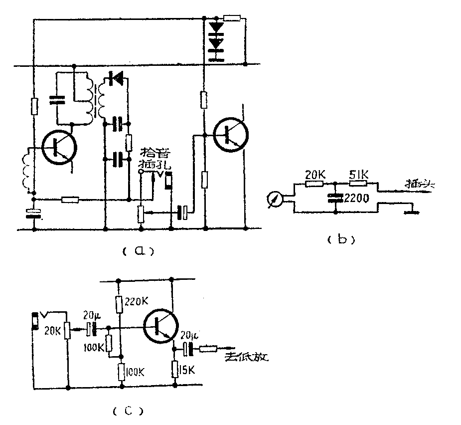
问:怎样在半导体收音机上加拾音插孔?

答:目前一般电唱机上都用晶体拾音头,它的输出阻抗较高约几百千欧,而半导体收音机低放前置级的输入阻抗较低约几千欧,如果直接将拾音器输出接在收音机音量电位器两端如图a所示,由于阻抗不匹配放音效果不理想。为了解决这个问题,我们可以按六管三用电唱机线路先给拾音器加一频率均衡网路(见图b)以改善阻抗匹配,然后再插入图1的拾音插孔。但如果半导体收音机低放部分灵敏度低就会影响输出功率,因此最好在低放前置级再加一级如图c所示的射极跟随器,这样效果比较好。(邹振熊 答)
问:调超外差晶体管收音机时,在535千赫处有振荡叫声,如何排除?
答:535千赫处的振荡叫声主要是由于低频段统调不好造成的。可以通过调整磁性天线线圈的位置或拨动空气介质双连可变电容器动片组最外层有缝隙的花片达到低频段统调。另外把变频级的工作点重新调整一下,或者把电容器上的两个定片引线调换一下也可能排除这种振荡叫声。(沈长生 答)
问:为什么晶体管电视机开机时间较长后出现垂直幅度缩小的现象?如何解决?

答:电视机开机时间长温度就升高,而晶体管对温度的变化是敏感的。在场扫描电路中,场输出管是工作在大幅度电流变化的状态。温度变化会引起它的工作点的漂移,使输出的锯齿形电流上端或下端进入非线性区域,造成图象上端或下端被压缩。如果在基极偏置电路中没采取稳压措施,一般是温升引起集电极电流增大至使进入饱和区,于是图象下部被压缩。另外,目前的晶体管场扫描输出级,多采用扼流圈耦合电路见图,温升会造成扼流圈的直流电阻及集电极电流的增加,导致它上面的直流电压降增大,使输出管的工作点漂移,影响垂直扫描的幅度。有时由于温升,偏转线圈的电阻增大也产生此现象。
为了减小温度影响,晶体管场扫描电路在输出管的基极电路采用负温度系数的热敏电阻为偏置电阻(图中的R\(_{t}\)),当温度升高时它的阻值下降,使偏流减小,相应地减小了集电极电流,抵偿了集电极电流增加的趋势。当然这只能使缩幅现象保持在一定的范围内,如果缩幅严重,则应试验调换一只合适的Rt。如果仍不行,则应调换场输出管或场激励管。(张家谋 答)
问:用6P14代替6P1时,阴极电阻阻值应为多少?
答:6P14与6P1主要是用在交流收音机、电视接收机中作音频功率放大管,对于6P14当屏极负载在4千欧-5.2千欧之间时,它的栅极电压在-6伏左右。所以用6P14代替6P1时,它的阴极电阻取值为120欧姆左右。
问:有的收音机在变频管的基极和发射极之间并联一个2L465A的陶磁滤波器,有什么作用?
答:我们知道,2L465A两端陶磁滤波器上通过465千赫的信号时,它呈现的串联谐振电阻值比较低不大于35欧,所以为中频信号通路,把它放在变频管的基极——发射极之间,当有外来中频干扰信号窜入收音机时,在变频级输入端先通过这个滤波器把中频干扰信号吸收掉,使中频干扰信号加不到变频级,从而有效地抑制了中频干扰。(以上邹振熊 答)
问:为什么有的电解电容器铝壳上再现白色粉状固体,这时还能不能用?
答:这是由于电解电容器密封不好或其它原因造成电解质溢出来,干涸后电解质中的硼酸铵呈现白色。
由于电解质的部分损失引起电容器的漏电流增加,电容量变小,虽可继续使用,但性能较差。(文光中 答)
问:怎样选择互补推挽管?
答:现在有的收音机或扩音机的功放输出采用互补推挽放大电路,在选择管子时应注意以下几个问题:1.互补管的材料(锗或硅)应相同,如锗管3AX31(PNP型)和3BX31(NPN型)组成互补管;硅管3CK3(PNP)和3DK4(NPN)组成互补,所用管子材料相同可以避免或减小由于温度变化造成影响管子的参数变化不一致,使互补失调。2.大电流输出时互补管的放大倍数和输入电阻应相同,以保证足够的动态范围。3.互补管的耐压应大于或至少等于使用的电源电压值。4.若用于低电压的收音机中,互补管的饱和压降要低、放大倍数要高。(曙 答)
问:励磁式扬声器在收音机或扩音机中如何用?

答:使用励磁式扬声器时必须在它的励磁线圈里通过一定的直流电流,使励磁圈产生磁效应,把扬声器的轭铁磁化,扬声器才能开始工作;当去掉励磁圈中的直流电流时,因轭铁不再带磁,所以扬声器也就停止工作。若把这种扬声器用在交流电子管收、扩音机上时,可将它的励磁线圈接在整流电源的滤波电路中取得直流又可以兼作低频扼流圈用。若用在直流晶体管收、扩音机中,励磁线圈只起扬声器作用。此时可先根据励磁线圈的阻值与所需电流求出所需电压,如一般10~12寸的励磁式扬声器电阻约为1000欧,电流约为100毫安,那么加在励磁线圈两端的电压为100伏左右可另装一个100伏左右的直流电源专供励磁线圈用。如果收音机用稳压电源供电,可用电源变压器初级的110伏抽头,接线如图。(胡丙书 答)
问:电视机中的中心位置调节器有什么作用?如何使用?
答:中心位置调节器是利用两个小圆形的永久磁铁所产生的磁场使电子束产生一个固定的偏转,借以调节光栅的中心位置使其与屏幕的几何中心相重合。电视机在出厂时中心位置已调好。如果由于某些原因电视机的中心位置偏了,则可先调电视机上的“幅度”旋钮,把场幅或行幅压缩到最小,调中心位置调节器使光栅位于电视荧光屏的中心位置,然后慢慢旋动“幅度”旋钮,使光栅逐渐增大,当光栅上下、左右边缘同时达到与屏幕边缘重合时即可,如果不是同时到达边缘,可再继续转动中心位置调节器直到调好为止。但要注意,对于采用惰性抗干扰行同步电路的电视机(新产品多采用),行同步旋钮能在一定范围内调节光栅的水平中心,若是用此旋钮能把光栅调正就不必调节磁铁了。(国营天津无线电厂编审组答)