在装置收音机时,首先要求能看通电路图,才能弄清来龙去脉,做到心中有数。怎样看收音机电路图,下面以半导体单管机为例,介绍一点有关知识。
在单管机中,有三种电流:高频信号电流;低频(或音频)信号电流;直流电源电流。信号电流都是交流电,电源电流是直流电。要看通单管机的电路图,就需要弄清这三种电流是怎样流通的。
这个电路中元件数量虽然不少,但是从种类来说,只有三种,即电阻、电容、电感,此外还有一只三极管和两只二极管。为了弄清电流是怎样流通的,先说说这些元器件对上述三种电流的作用。
电阻(符号用R),包括电位器(符号用W),对上述三种电流都让通过。顾名思义,电阻数值越大,对电流的阻力也增大。电流在流通路程中,如遇有几条支路,总是愿意向阻力小的支路跑,所以电阻最小的支路中电流最大。

电容(符号用C)与电阻不同,只能让交流电通过。电容对交流电也有阻力,这种阻力用电抗来表示。交流电的方向是不断变化的,表示这种变化快慢的数据叫频率(符号用f)。频率愈高的交流电,愈容易通过电容,或者说电容对频率愈高的交流电的电抗愈小。此外,电容愈大,对交流电的电抗愈小。因此在电路中,电容有隔断直流电流通路的作用。在电容数值足够大时,可以把电容看成对交流电短路,在跑电路时可认为电流直通过去,画交流通路简化图时,可以把这个电容直接用导线代替,如图1中图a可简化为图c。在图1b中可看出,电阻R\(_{2}\)被短路了,因此把电容C叫做R2的旁路电容。

电感(符号用L)与电容相反,对直流电流阻力小而对交流电流阻力较大。这种阻力也用电抗表示。为了区别,有时把电容的电抗叫容抗,把电感的电抗叫感抗。交流电流的频率愈高,电感的感抗愈大;电感的数值愈大,感抗也愈大。在电感数值较大、频率相当高时,可以认为交流电流被阻断,图2中的a可简化为b。在图2b中可看出,交流电流被L阻断,因此R\(_{2}\)中没有交流电流通过。在交流电流频率很低,或者在直流电流的情况下,电流仍能通过L,这时图3a可简化为图3b。如果电路中同时存在高频交流电流和低频交流电流,那么结合图2和图3来看,这两种电流就被L分开了,流过R2的只有低频电流,高频电流则通过C回到电源。
不论是交流电或者是直流电,必须具备一个完整的通路才能流通。形成通路,一般是从电源的一端,回到电源的另一端。因此跑电路时,总是从电源的一端开始,迹寻到电源的另一端。有时电路比较复杂,为了简便,可以找出通路中两个点,着重检查这两点间的电流流通情况。

下面再讲讲二极管和三极管的情况。二极管有两个外接端子,电路中的符号如图4所示。电流经过二极管时,只能从A向B通过,也就是说只有当A点接电源正极时才能有电流通过它,如图4,因此具有方向性,或叫极性。如果接交流电源,则由于交流电的方向是变化的,所以交流电中与二极管流通方向相反的那一部分就被阻断。所以二极管可作整流器用,或者作检波器用。在作检波器时,如图5所示。交流电经二极管D以后,产生直流电和一系列新的频率的交流电,但较高频率的部分通过C,只有较低频率部分和直流电部分通过R。如果交流电源是无线电台的信号,那么通过二极管D以后,就能产生音频信号(一种低频信号),选择适当的电容C,就可以只让低频信号电流通过R,而使高频信号电流被C旁路。图6也是一种检波电路。这种检波电路叫倍压检波电路。从图6可看出,在交流电一个方向时,D\(_{1}\)导通,电流经D1、C\(_{1}\)形成通路,在C1上产生电压。在另一方向时,则D\(_{2}\)导通,电流经C2、D\(_{2}\)形成通路,在C2上产生电压。这两个电压串联加在R上,所以在R上可得到比图5增加一倍的电压。

三极管可以看成一个具有四个端子的电路元件,如图7所示。AB两个端子一般叫输入端,CD两个端子叫输出端。三极管只有三个极,因此,有一个极是共用的,如图7所示,e(发射极)是共用的,叫共发射极电路。三极管作放大器时,从AB输入信号,在CD就输出放大了的信号。在实际电路中,为了使三极管正常工作,还要接直流电源,配合一些电阻、电容,以保证三极管各极有适当的直流工作电压,因此实际电路比较复杂。但是,理出它的四个端子,在跑电路时就眉目清楚了。直流工作状态可以单独进行分析,初学者可以先熟悉一些典型的电路(参考本刊1974年第5期晶体管电路讲座《偏置电路》),就能比较容易地理出头绪。

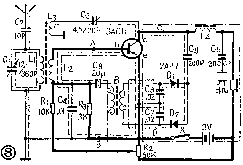
现在,我们就来看着单管机内电流是怎样流通的。单管机的电路总图见图8。这个单管机电路的功能主要有:调谐(选择电台),放大;再生;检波;来复低放;放音等等。对这些功能,将结合叙述电流流通情况加以说明。


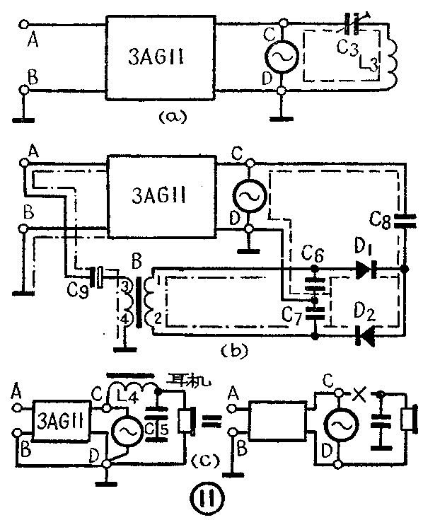
高频信号电流通路(用----线表示):电台发出的电磁波,由天线接收下来,成为高频信号电流。这个电流从天线经电容C\(_{2}\),再经L1C\(_{1}\)组成的调谐回路,然后入地,形成通路,如图9。一定的L1C\(_{1}\)值,只能选择相应频率的电台信号,因此改变C1值,就可以选出要收的电台信号。由于L\(_{1}\)与L2绕在同一根磁棒上,所以通过电磁感应,在L\(_{2}\)上产生高频信号电压。可以把L2看成一个高频信号电源,这个电源接在三极管的输入端AB,如图10所示。请注意L\(_{2}\)是通过C4接到B点的,由于C\(_{4}\)对高频信号电流的容抗很小,所以可以忽略,而认为直接接至B点。经三极管放大,在输出端CD相当于接了一个放大了的高频信号电源。输出端CD并联接有三个支路,分别如图11的(a)(b)(c)所示。第一个支路接有微调可变电容C3、电感线圈L\(_{3}\)。改变电容C3,可以调整流过这个支路的高频信号电流的大小。由于L\(_{3}\)与L2绕在同一根磁棒上,所以通过电磁感应,高频信号由L\(_{3}\)又感应到L2,再送入三极管输入端(见图10),经三极管放大,又由L\(_{3}\)感应到L2,如此一再放大,所以叫再生。可以看出,再生必须加以控制,不能太大,否则几次反复放大后,就会产生啸叫(振荡)。第二个支路(图11b)通过电容C\(_{8}\)连接一个倍压检波器。检波后得到的低频信号电流加到变压器B的初级线圈(1、2)上,通过电磁感应,这个信号传到变压器B的次级线圈(3、4)。变压器B的次级线圈与三极管输入端AB相连(C9、L\(_{2}\)对低频信号电流的阻力很小,都可认为直通),因此这个低频信号电流输入三极管,经三极管放大,送到三极管输出端CD。由于C3、C\(_{8}\)的数值小,对低频电流的容抗很大,所以可以认为低频信号电流不能进入第一和第二个支路。可以看出,C3除了控制再生外,还有阻隔低频信号电流的作用;C\(_{8}\)的作用是导送高频信号电流,阻隔低频信号电流。第三个支路(图11c),接有电感L4、耳机,在耳机上又并联电容C\(_{5}\)。电感L4对高频信号电流的感抗很大,因此可以认为高频信号电流被阻断。电感L\(_{4}\)的作用主要是阻断高频信号电流,所以常把这个电感叫做高扼圈(符号GZL)。

低频信号电流通路(用—·—·—线表示):上面已谈到,低频信号电流是在检波后产生的(见图11b),并送入三极管放大。这个三极管既放大高频信号,又放大低频信号,所以叫做来复放大。放大后的低频信号电流从输出端CD输出。上面已谈到,第一支路和第二支路由于C\(_{3}\)和C8的阻隔作用,低频信号电流不能进人,因此低频信号电流只进入第三支路,如图12所示。低频信号电流通过耳机时,便产生声音。C\(_{5}\)的作用。是旁路残余的高频电流。C5数值小,对低频信号电流的容抗很大,例如2000P的电容对低频信号的中间频率1千赫的容抗为8万欧左右,与耳机阻抗500欧相比,可认为是开路,所以对低频信号没有影响。这个支路中还有一个开关和两节电池,由于开关合上,电池的阻力很小,都忽略未画。
直流通路(用粗体线表示):为了使三极管起放大作用,必须给三极管各极接上适当的直流电压。一般把三极管直流通路叫偏置电路。PNP型三极管,发射极接电池正极,集电极接负极,基极要求接一比发射极稍低的电压。从图12可看出,发射极直接接电池正极,而基极所加的电压,由于电阻的降压作用,比发射极电压低一些。对NPN型三极管,上述极性情况要反过来。R\(_{2}\)是个可变电阻(电位器),可以调整基极电压,得到合适的工作状态。 R3的作用是与R\(_{1}\)组成分压器,防止电位器转到头时电池电压全部加到eb之间,损坏晶体管。直流通路很容易画,只要省略掉有电容的支路,就可得出。
从以上叙述可看出,利用电感、电容、电阻对不同电流有不同的阻力的特性,可以导使电流按一定要求流通,完成各种不同功能。(冯启元 等)